Operation CHARM: Car repair manuals for everyone.
Manuals through 2025 now available!

Our trusted friends have launched a new website named LEMON, which has newer manuals. It also contains all the CHARM manuals.

LEMON is the spiritual successor to CHARM, I recommend you try it!

Link: lemon-manuals.la or lemon-manuals.org.ua

(Some people have issue connecting. LEMON is investigating. For now, use Firefox or change your DNS server)

Or, hide this message: temporarily or permanently

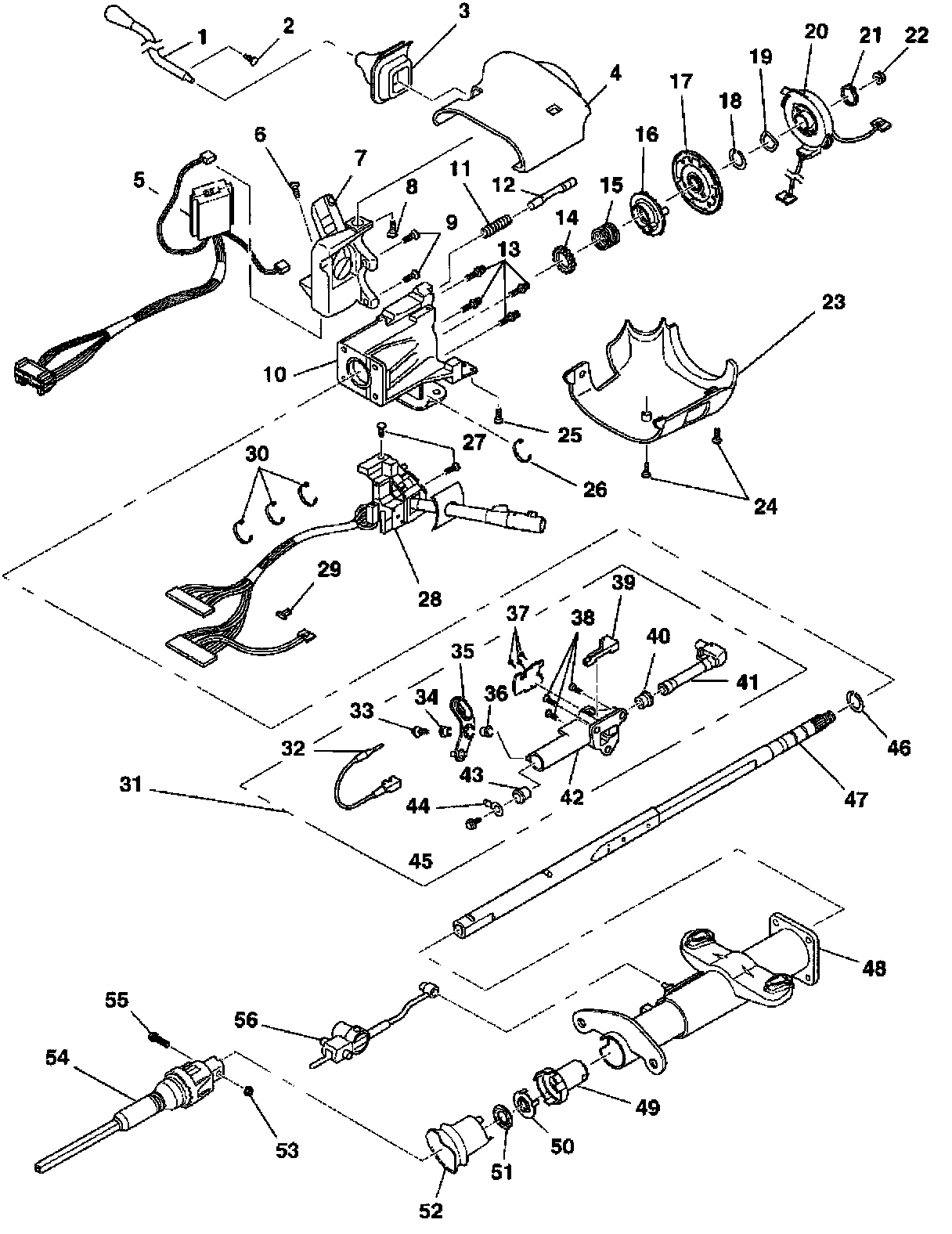
Column Shift



ISUZU Standard Steering Column (Column Shift), Disassembled View




Legend

(1) Shift Lever Assembly
(2) Shift Lever Screw
(3) Shift Lever Seal
(4) Upper Shroud
(5) Ignition and Key Alarm Switch Assembly
(6) Pan Head Tapping Screw
(7) Lock Module Assembly
(8) Torx Head Screw
(9) Pan Head Tapping Screw
(10) Steering Column Housing Assembly
(11) Lock Bolt Spring
(12) Lock Bolt Assembly
(13) Torx Head Screw
(14) Thrust Washer
(15) Upper Bearing Spring
(16) Turn Signal Cancel Cam Assembly
(17) Shaft Lock Shield Assembly
(18) Bearing Retainer
(19) Wave Washer
(20) SRS Coil Assembly
(21) Snap ring
(22) Flanged Prevailing Torque Nut
(23) Lower Shroud
(24) Pan Head Tapping Screw
(25) Torx Head Screw
(26) Wire Harness Strap
(27) Pan Head Tapping Screw
(28) Turn Signal and Multifunction Switch Assembly
(29) Axial Position Assurance Connector
(30) Wire Harness Strap
(31) Linear Shift Assembly
(32) Park Lock Cable Assembly
(33) Hexagonal Flange Head Bolt
(34) Cam Bushing
(35) Cable Shift Cam Assembly
(36) Cam Bushing
(37) Oval Head 6-Lobed Socket Tapping Screw
(38) Flat Head Tapping Screw
(39) Park Position Switch Assembly
(40) Actuator Bushing
(41) Shift Lever Clevis
(42) Gear Shift Lever Assembly Support Bracket Assembly
(43) Actuator Bushing
(44) Ball and Actuator Assembly
(45) Hex Flange Head Bolt
(46) Retaining Ring
(47) Steering Shaft Assembly
(48) Steering Column Jacket Assembly
(49) Adapter and Bearing Assembly
(50) Shaft Seal Retainer
(51) Steering Shaft Seal
(52) Inner Boot Seal
(53) Large Flange Hexagon Nut
(54) Coupling and Steering Shaft Assembly
(55) Round Head Locking Bolt
(56) Electrical (BTSI) Actuator