Operation CHARM: Car repair manuals for everyone.
Manuals through 2025 now available!

Our trusted friends have launched a new website named LEMON, which has newer manuals. It also contains all the CHARM manuals.

LEMON is the spiritual successor to CHARM, I recommend you try it!

Link: lemon-manuals.la or lemon-manuals.org.ua

(Some people have issue connecting. LEMON is investigating. For now, use Firefox or change your DNS server)

Or, hide this message: temporarily or permanently

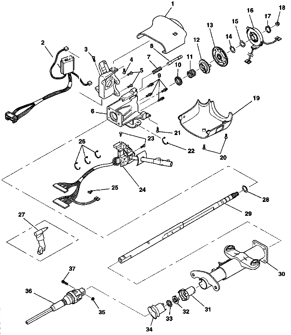
Floor Shift

Isuzu Standard Steering Column-Disassembled View (Floor Shift)




Legend

(1) Upper Shroud
(2) Ignition and Key Alarm Switch Assembly
(3) Pan Head Tapping Screw
(4) Lock Module Assembly
(5) Torx Head Screw
(6) Steering Column Housing Assembly
(7) Lock Bolt Spring
(8) Lock Bolt Assembly
(9) Torx Head Screw
(10) Thruster Washer
(11) Upper Bearing Spring
(12) Turn Signal Cancel Cam Assembly
(13) Shaft Lock Shield Assembly
(14) Bearing Retainer
(15) Wave Washer
(16) SRS Coil Assembly
(17) Snap Ring
(18) Flanged Prevailing Torque Nut
(19) Lower Shroud
(20) Pan Head Tapping Screw
(21) Torx Head Screw
(22) Wire Harness Strap
(23) Pan Head Tapping Screw
(24) Turn Signal and Multifunction Switch Assembly
(25) Axial Position Assurance Connector
(26) Wire Harness Strap
(27) Steering Column Electrical Park Lock
(28) Retaining Ring
(29) Steering Shaft Assembly
(30) Steering Column Jacket Assembly
(31) Adapter and Bearing Assembly
(32) Shaft Seal Retainer
(33) Steering Shaft Seal
(34) Inner Boot Seal
(35) Large Flange Hexagon Nut
(36) Coupling and Steering Shaft Assembly
(37) Round Head Locking Bolt
(38) Flat Head Tapping Screw