Operation CHARM: Car repair manuals for everyone.
Manuals through 2025 now available!

Our trusted friends have launched a new website named LEMON, which has newer manuals. It also contains all the CHARM manuals.

LEMON is the spiritual successor to CHARM, I recommend you try it!

Link: lemon-manuals.la or lemon-manuals.org.ua

(Some people have issue connecting. LEMON is investigating. For now, use Firefox or change your DNS server)

Or, hide this message: temporarily or permanently

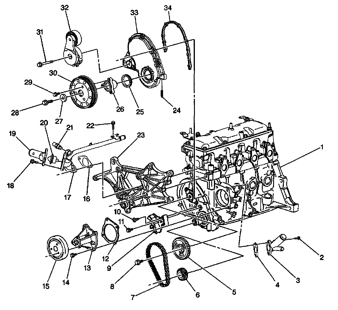
Timing Components





Timing And Accessory Components

Legend
1) Engine Block
2) Bolt, Water Inlet
3) Water Inlet
4) Gasket, Water Inlet
5) Camshaft Timing Sprocket
6) Crankshaft Timing Sprocket
7) Camshaft Timing Sprocket
8) Boil, Camshaft Timing Sprocket
9) Timing Chain Tensioner
10) Bolt, Timing Chain Tensioner
11) Bolt, Timing Chain Tensioner
12) Gasket, Water Pump
13) Water Pump
14) Bolt, Water Pump
15) Water Pump Pulley
16) Gasket, Water Outlet Pipe
17) Water Outlet Pipe
18) Bolt, Thermostat Housing
19) Thermostat Housing
20) Thermostat
21) Water Temperature Sensor
22) Bolt, Heater Pipe Bracket
23) Engine Accessory Bracket
24) Stud, Oil Pan
25) Crankshaft Front Seal
26) Crankshaft Pulley Hub
27) Washer, Crankshaft Pulley
28) Bolt, Crankshaft Pulley Hub
29) Bolt, Crankshaft Pulley
30) Crankshaft Pulley
31) Bolt, Accessory Drive belt Tensioner
32) Accessory Drive belt Tensioner
33) Engine Front Cover
34) Gasket, Engine Front Cover