Operation CHARM: Car repair manuals for everyone.
Manuals through 2025 now available!

Our trusted friends have launched a new website named LEMON, which has newer manuals. It also contains all the CHARM manuals.

LEMON is the spiritual successor to CHARM, I recommend you try it!

Link: lemon-manuals.la or lemon-manuals.org.ua

(Some people have issue connecting. LEMON is investigating. For now, use Firefox or change your DNS server)

Or, hide this message: temporarily or permanently

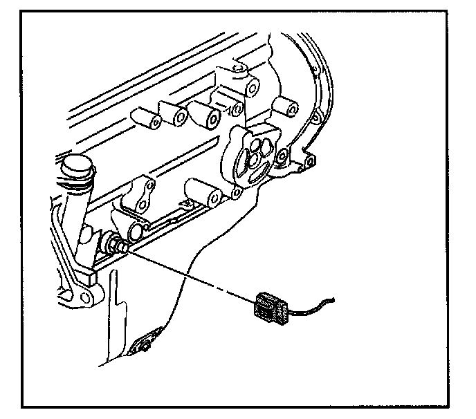
Knock Sensor: Service and Repair

REMOVAL

CAUTION: Refer to Battery Disconnect Caution in Service Precautions.

1. Disconnect the negative battery cable.
2. Raise the vehicle.




3. Remove the Knock Sensor wiring harness connector from the knock sensor.




4. Remove the knock sensor from the engine block.

INSTALLATION






NOTE: Refer to Fastener Note in Service Precautions.

1. After cleaning the threads thoroughly, install the knock sensor into the engine block.

Tighten
Tighten the knock sensor to 19 N.m (14 lb ft).




2. Install the KS wiring harness connector to the knock sensor.
3. Lower the vehicle.
4. Connect the negative battery cable.