Operation CHARM: Car repair manuals for everyone.
Manuals through 2025 now available!

Our trusted friends have launched a new website named LEMON, which has newer manuals. It also contains all the CHARM manuals.

LEMON is the spiritual successor to CHARM, I recommend you try it!

Link: lemon-manuals.la or lemon-manuals.org.ua

(Some people have issue connecting. LEMON is investigating. For now, use Firefox or change your DNS server)

Or, hide this message: temporarily or permanently

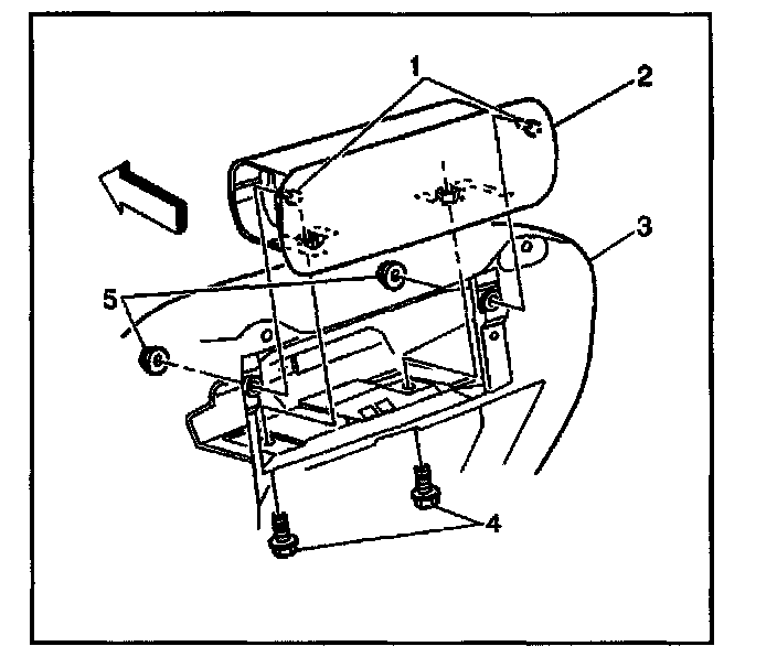
Instrument Panel Module Replacement




Removal Procedure
1. Remove the instrument panel. Refer to IP Assembly Replacement.
2. Remove the bolts (4) that retain supplemental restraint IP module to the instrument panel.

3. Remove the nuts (5) from the studs that retain the supplemental restraint IP module (2) to the instrument panel (3).
4. Remove the supplemental restraint IP module (2) from the instrument panel (3).




Installation Procedure
1. Install the supplemental restraint IP module(2) to the instrument panel (3).

NOTE: Refer to Fastener Note

2. Install the screws (4) that retain the supplemental restraint module to the instrument panel.

Tighten: Tighten the fasteners to 8.0 N.m (7 lb in).

3. Install the nuts (5) to the studs (1) in order to retain the inflatable restraint IP module to the instrument panel.

Tighten: Tighten the nuts to 8 N.m (71 lb in).

4. Install the instrument panel. Refer to IP Assembly Replacement.