Operation CHARM: Car repair manuals for everyone.
Manuals through 2025 now available!

Our trusted friends have launched a new website named LEMON, which has newer manuals. It also contains all the CHARM manuals.

LEMON is the spiritual successor to CHARM, I recommend you try it!

Link: lemon-manuals.la or lemon-manuals.org.ua

(Some people have issue connecting. LEMON is investigating. For now, use Firefox or change your DNS server)

Or, hide this message: temporarily or permanently

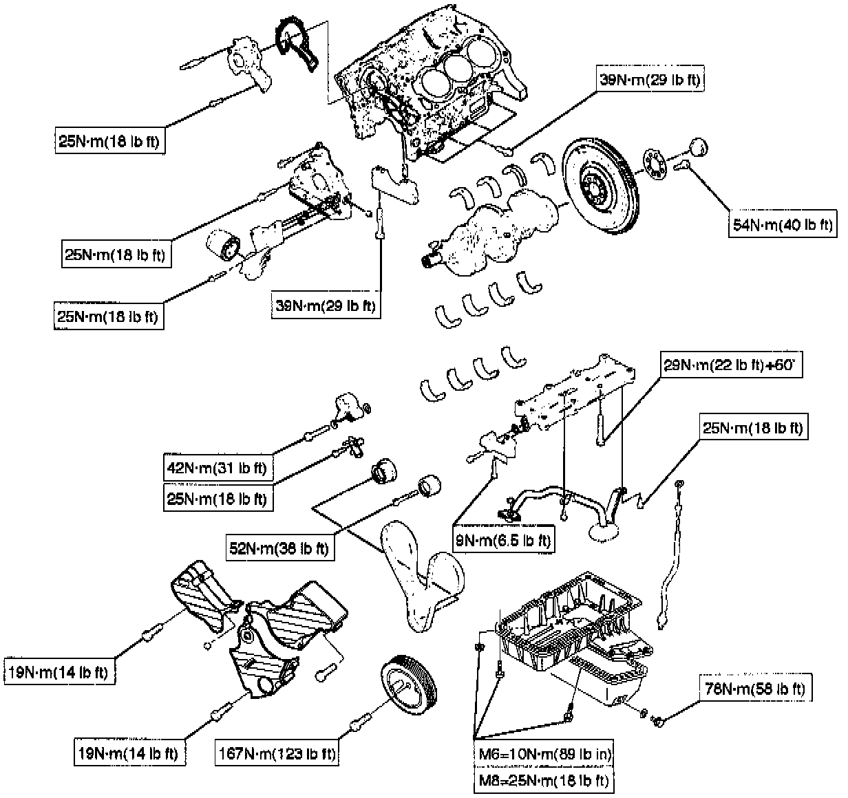
Torque Specifications

Ignition Coil, Spark Plug, Crankshaft Angle Sensor And Under Cover:



Cylinder Head Cover, Cylinder Head, Camshaft Bracket, Common Chamber, EGR Valve And EGR Pipe:



Crankshaft Main Bearing, Flywheel, Crankcase, Oil Pan, Timing Belt Tensioner, Timing Pulley, Timing Belt Cover, Oil Pump, Oil Gallery, Oil Strainer And Water Pump:



Connecting Rod And Water Pump:



Engine Mount: