Operation CHARM: Car repair manuals for everyone.
Manuals through 2025 now available!

Our trusted friends have launched a new website named LEMON, which has newer manuals. It also contains all the CHARM manuals.

LEMON is the spiritual successor to CHARM, I recommend you try it!

Link: lemon-manuals.la or lemon-manuals.org.ua

(Some people have issue connecting. LEMON is investigating. For now, use Firefox or change your DNS server)

Or, hide this message: temporarily or permanently

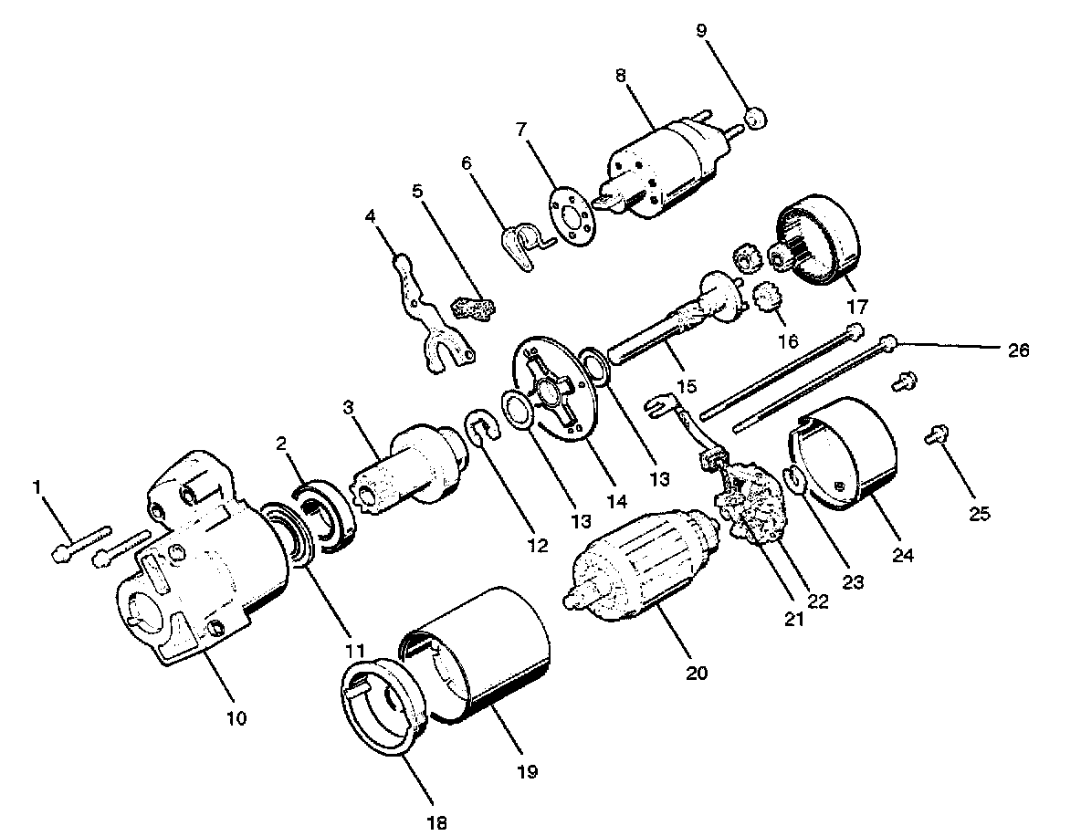
Disassembly and Reassembly

Part 1 Of 2:




Part 1 Of 2:




Disassembled View

Disassembly




1. Loosen the nut (1) on terminal M of magnetic switch and disconnect the connector cable.




2. Remove bolt (2 pcs) (2)
3. Remove magnetic switch (5).
4. Remove dust cover (4).
5. Remove torsion spring bolts, then the magnetic switch assembly.
6. Remove torsion spring (3) from magnetic switch assembly (5).




7. Remove screw (2 pcs) (8).
8. Remove through bolt (2 pcs) (7).
9. Remove screws and through bolts, then the rear cover (9) then remove thrust washer (10).
10. Remove brush holder (6)




11. Raise a brush spring to detach brushes (4 pcs) from the commutator face and pull off the brush holder (12) and brush (11).




12. Remove yoke assembly (14).
13. Remove armature (15).
14. Pull off the yoke assembly, then remove armature, washer and center bracket. (A) (13).

NOTE: In disassembling the yoke assembly, hold the armature and pull oft slowly the yoke assembly Because of strong magnetic force, avoid placing a metallic part near armature.




15. Remove dust cover (17).
16. Remove a dust cover and shift lever (16) from the gear case.




17. Remove ball bearing (19).
18. Remove bearing cover (20).
19. Remove a ball bearing and bearing cover from the gear case (18).




20. Internal gear (21).
21. Remove internal gear and planet gear (3) (22).




22. Remove an E-ring (23) from the pinion shaft using a flat blade screwdriver.
23. Holding the pinion shaft, push pinion toward the center bracket and turn the pinion clockwise or counterclockwise by one tooth of spline, then pull oft the pinion.




24. Remove thrust washer (24).
25. Remove center bracket
26. Remove pinion shaft.

Reassembly
To install, follow the removal steps in the reverse order, noting the following points:
Grease application places
- Bushing in rear cover and center bracket
- Gears in reduction gear
- Shift lever operating portion
- Sliding portion of pinion
- Plunger sliding portion of magnetic switch

Reassembling Yoke Assembly
Before reassembly, make sure that no metallic parts attach to the yoke assembly. Because of strong magnetic force, hold the yoke assembly and insert it slowly into the armature.
Torque: Torque for each part

Pinion Jump-out Dimension
Connect the (+) cable of battery to terminal S and the (-) cable to terminal M. Turn the switch on, and measure pinion travel dimension in thrust direction from the jump-out position.
In measuring the dimension, pull the pinion out a little in the arrow direction.




Dimension(L): 0.05 mm to 1.5 mm (0.002 in to 0.06 in)




If the measured value is out of standard, insert dust cover, or disassemble and adjust.