Operation CHARM: Car repair manuals for everyone.
Manuals through 2025 now available!

Our trusted friends have launched a new website named LEMON, which has newer manuals. It also contains all the CHARM manuals.

LEMON is the spiritual successor to CHARM, I recommend you try it!

Link: lemon-manuals.la or lemon-manuals.org.ua

(Some people have issue connecting. LEMON is investigating. For now, use Firefox or change your DNS server)

Or, hide this message: temporarily or permanently

Intake Manifold: Service and Repair

Removal Procedure





1. Disconnect the battery negative cable.
2. Remove the upper fan shroud.
3. Disconnect the power brake booster vacuum hose.
4. Remove the air cleaner outlet resonator.





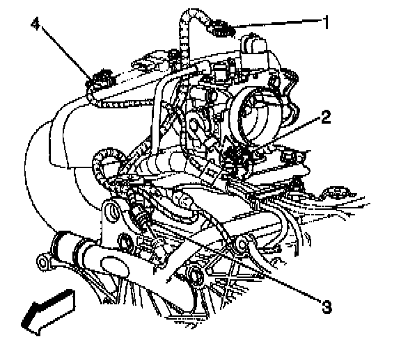
5. Disconnect the following electrical connectors:
^ Idle Air Control (IAC) motor (1)
^ Manifold Absolute Pressure (MAP) sensor (4)
^ Throttle Position (TP) sensor (2)





6. Disconnect the fuel injector harness electrical connector.
7. Remove the fuel injector harness electrical connector from the bracket on the valve rocker arm cover.
8. Remove the engine wiring harness from the bracket.
9. Move and secure the engine wiring harness out of the way.





10. Disconnect the heating and air conditioning control vacuum source hose.
11. Disconnect the EVAP emission purge tube from the throttle body.





12. Remove the bolt holding the EVAP emission canister purge harness and if equipped the transmission fluid fill tube.
13. Remove the nut holding the engine wiring harness clip to the intake manifold.
14. Remove the nut holding the engine wiring harness clip to the intake manifold rear lower stud.
15. Disconnect the fuel hose from the fuel rail.
16. Remove the accelerator control cable from the throttle body.
17. Remove the cruise control cable from the throttle body.





18. Remove the spark plug wires from the spark plugs.
19. Remove the spark plug wire harness retainer from the thermostat assembly and set aside the spark plug wire harness.





20. Remove the right fender wheelhouse extension.





21. Working through the wheelhouse, remove the generator rear brace from the engine.
^ Remove the nuts holding the brace to the intake stud and the engine block.
^ Remove the bolt holding the brace to the rear of the generator.





22. Remove the engine wiring harness bracket at the back of the engine using the following procedure:
1. Loosen the bolt at the rear of the cylinder head.
2. Remove the two bolts that secure the bracket to the valve rocker arm cover.
3. Slide the bracket off of the bolt at the rear of the cylinder head.
23. Remove the intake manifold assembly.
24. If replacing the intake manifold remove the following:
^ The throttle body.
^ The fuel rail.

25. Clean all sealing surfaces and the intake manifold.

Installation Procedure
1. Install the fuel rail if removed.
2. Install the throttle body if removed.
3. Install the intake manifold assembly.





4. Install the engine wire harness bracket to the rear of the engine using the following procedure:
1. Slide the bracket over the bolt at the rear of the cylinder head.

Notice: Refer to Fastener Notice in Service Precautions.

2. Install the two bolts that secure the bracket to the valve rocker arm cover.
5. Tighten the bolts in the following order:
Tighten the two bolts to the valve rocker arm cover to 10 Nm (89 inch lbs.).
Tighten the bolt at the rear of the cylinder head to 25 Nm (18 ft. lbs.).





6. Working through the wheelhouse, install the generator rear brace.
7. Install the nuts holding the brace to the intake manifold stud and the stud on the engine.
8. Install the bolt holding the brace to the rear of the generator.
Tighten the generator rear brace nuts and bolts to 25 Nm (18 ft. lbs.).





9. Position the spark plug wire harness.
10. Install the spark plug wire harness retainer on the thermostat assembly.
11. Install the spark plug wires to the spark plugs.
12. Install the accelerator control cable to the throttle body.
13. Install the cruise control cable to the throttle body.
14. Connect the fuel hose to the fuel rail.





15. Install he bolt holding the EVAP emission canister purge harness and if equipped the transmission fluid fill tube.
Tighten the bolts to 10 Nm (89 inch lbs.).
16. Install the nut holding the engine wiring harness clip and the battery negative cable clip to the intake manifold.
Tighten the engine wiring harness clip nut to 10 Nm (89 ft. lbs.).
17. Install the nut holding the engine wiring harness clip to the intake manifold rear lower stud.
Tighten the engine wiring harness clip nut to 30 Nm (22 ft. lbs.).





18. Connect the heating and air conditioning control vacuum source hose.
19. Connect the EVAP emission purge tube from the throttle body.





20. Position the engine wiring harness.
21. Install the engine wiring harness to the bracket.
22. Install the fuel injector harness electrical connector to the bracket on the valve rocker arm cover.
23. Connect the fuel injector harness electrical connector.





24. Connect the following electrical connectors:
^ Idle Air Control (IAC) motor (1)
^ Manifold Absolute Pressure (MAP) sensor (4)
^ Throttle Position (TP) sensor (2)





25. Install the right fender wheelhouse extension.
26. Install the air cleaner outlet resonator.





27. Install the upper fan shroud.
28. Connect the power brake booster vacuum hose.
29. Connect the battery negative cable.