Operation CHARM: Car repair manuals for everyone.
Manuals through 2025 now available!

Our trusted friends have launched a new website named LEMON, which has newer manuals. It also contains all the CHARM manuals.

LEMON is the spiritual successor to CHARM, I recommend you try it!

Link: lemon-manuals.la or lemon-manuals.org.ua

(Some people have issue connecting. LEMON is investigating. For now, use Firefox or change your DNS server)

Or, hide this message: temporarily or permanently

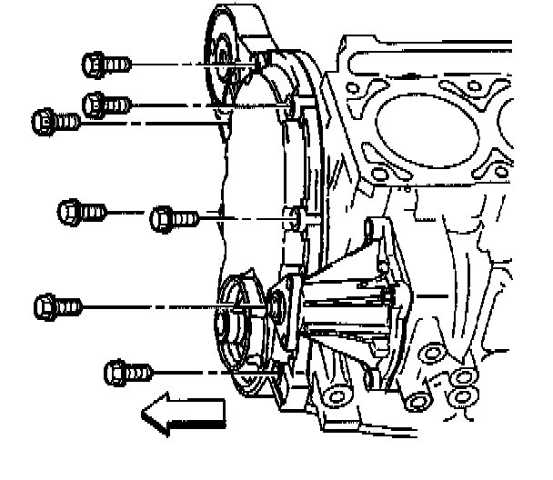
Engine Front Cover Installation

1. Install the engine front cover to the engine block.
2. Ensure that the engine front cover gasket is properly installed in the groove in the engine front cover.
3. Install the engine front cover by hand and engage it fully on the alignment dowel pins.





4. Install the engine front cover bolts.
Tighten the engine front cover bolts to 11 Nm (97 inch lbs.).