Operation CHARM: Car repair manuals for everyone.
Manuals through 2025 now available!

Our trusted friends have launched a new website named LEMON, which has newer manuals. It also contains all the CHARM manuals.

LEMON is the spiritual successor to CHARM, I recommend you try it!

Link: lemon-manuals.la or lemon-manuals.org.ua

(Some people have issue connecting. LEMON is investigating. For now, use Firefox or change your DNS server)

Or, hide this message: temporarily or permanently

Compressor HVAC: Locations

A/C Compressor:



A/C Refrigerant Pressure Sensor:



CKP Sensor, CMP Sensor And Knock Sensor:



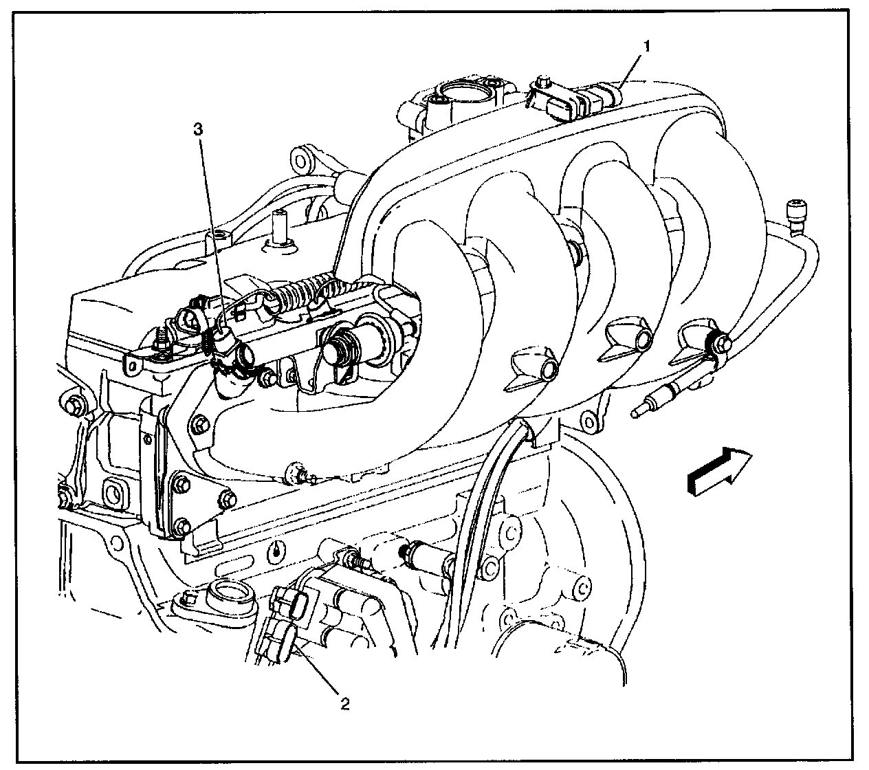
ICM And Fuel Injectors:



LH Upper Engine:



EVAP Solenoid Valve:



HO2S 2:



EVAP Canister And EVAP Vent Valve (4DR Utility And Pickup):



Modular Fuel Sender:



IAT Sensor:



O2S 1:



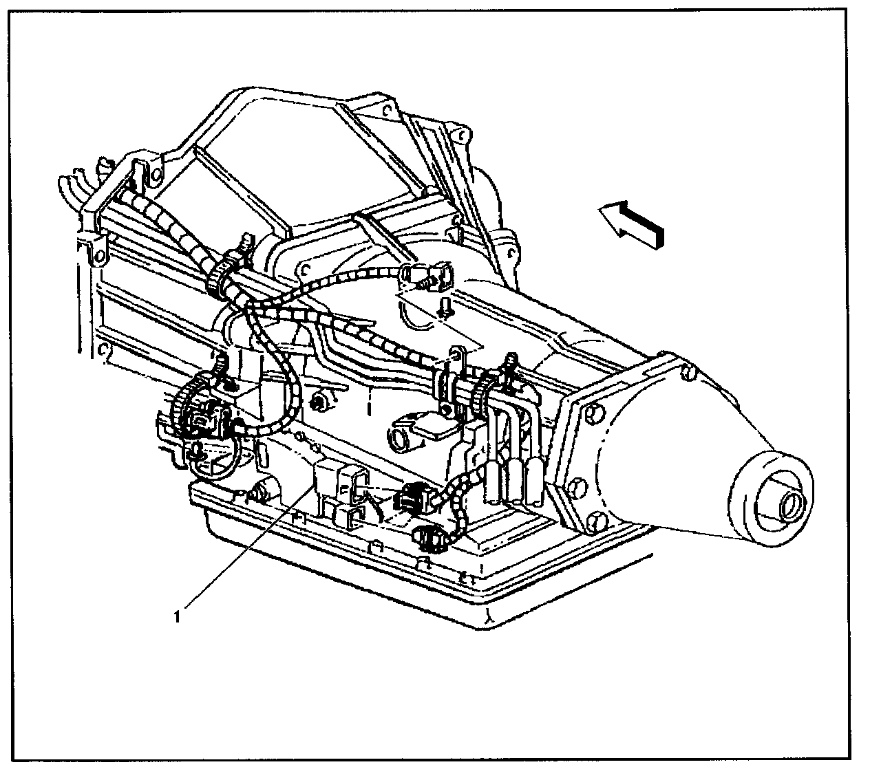
PCM Connectors:



Park/Neutral Position (PNP) Switch: