Operation CHARM: Car repair manuals for everyone.
Manuals through 2025 now available!

Our trusted friends have launched a new website named LEMON, which has newer manuals. It also contains all the CHARM manuals.

LEMON is the spiritual successor to CHARM, I recommend you try it!

Link: lemon-manuals.la or lemon-manuals.org.ua

(Some people have issue connecting. LEMON is investigating. For now, use Firefox or change your DNS server)

Or, hide this message: temporarily or permanently

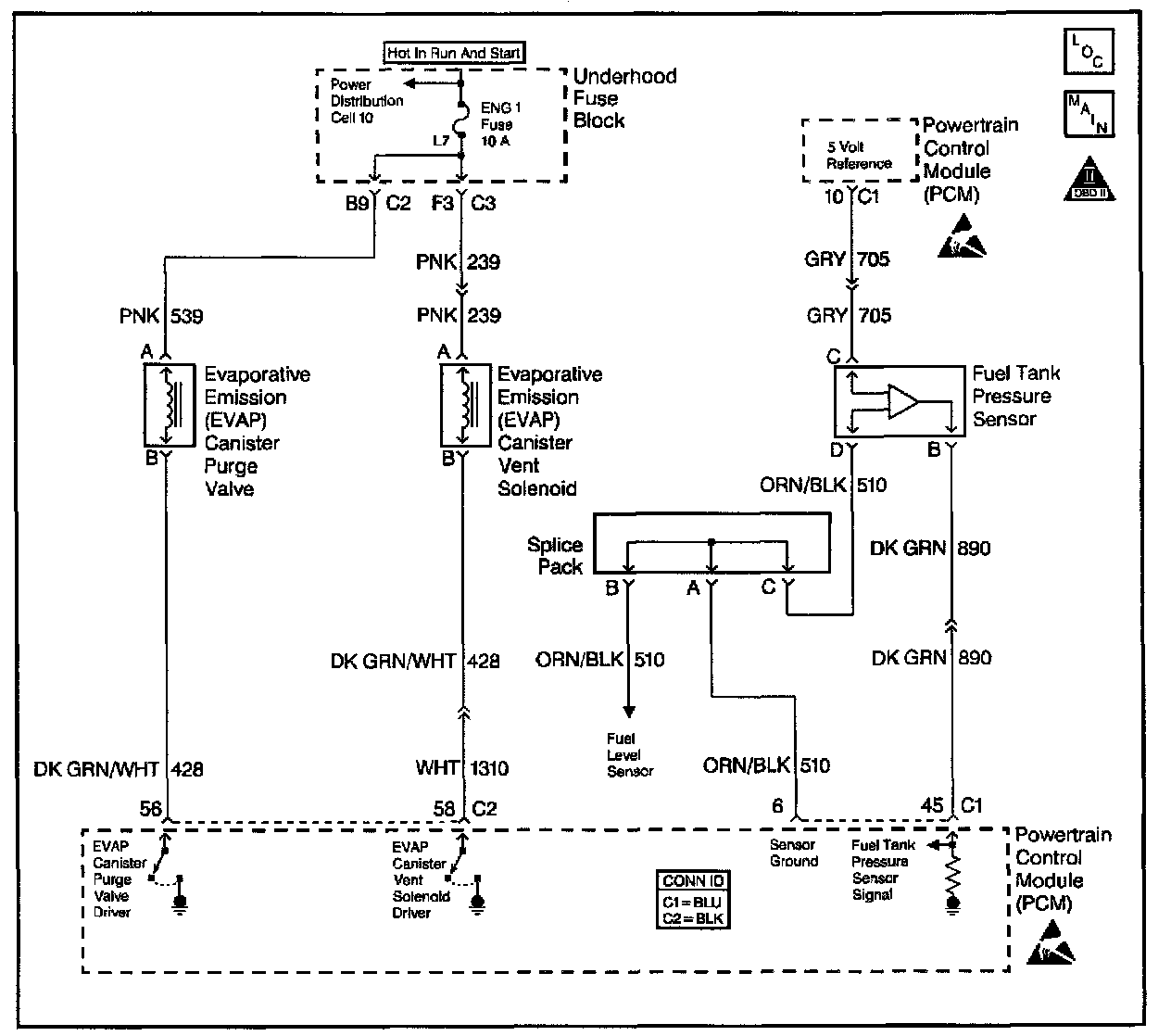
Evaporative Emissions System: Testing and Inspection

EVAP Control System Diagnosis




Circuit Description
Applying a vacuum to the EVAP system and monitoring for a vacuum decay checks the evaporative emission system. The Control Module monitors the vacuum level through the fuel tank vacuum sensor signal. At an appropriate time, the EVAP canister purge valve and the EVAP vent solenoid turn ON, allowing the engine to draw a small vacuum on the entire evaporative emission system. After the desired vacuum level has been achieved, the EVAP canister purge valve turns OFF, sealing the system. A leak is detected by monitoring for a decrease in the vacuum level over a given time period, when all other variables remain constant. A leak, a blockage, or a malfunctioning component in the system causes a DTC to set.

Step 1:




Steps 2 - 4:




Steps 5 - 6:




Steps 7 - 8:




Diagnostic Aids
Check for the following conditions:
- Poor connection at the Control Module. Inspect the harness connectors for the following conditions:
- Backed out terminals
- Improper mating
- Broken locks
- Improperly formed or damaged terminals
- Poor terminal to wire connections.

- A damaged harness. Inspect the wiring harness for damage. If the harness appears to be OK, observe the Fuel Tank Vacuum display on the scan tool while moving connectors and wiring harnesses related to the sensor. A change in the display will indicate the location of the fault.
- An incorrect purge or vacuum source line routing. Verify that the source vacuum and purge lines to the EVAP canister purge valve are not switched.

Refer to EVAP System Cleaning before starting repairs.