Operation CHARM: Car repair manuals for everyone.
Manuals through 2025 now available!

Our trusted friends have launched a new website named LEMON, which has newer manuals. It also contains all the CHARM manuals.

LEMON is the spiritual successor to CHARM, I recommend you try it!

Link: lemon-manuals.la or lemon-manuals.org.ua

(Some people have issue connecting. LEMON is investigating. For now, use Firefox or change your DNS server)

Or, hide this message: temporarily or permanently

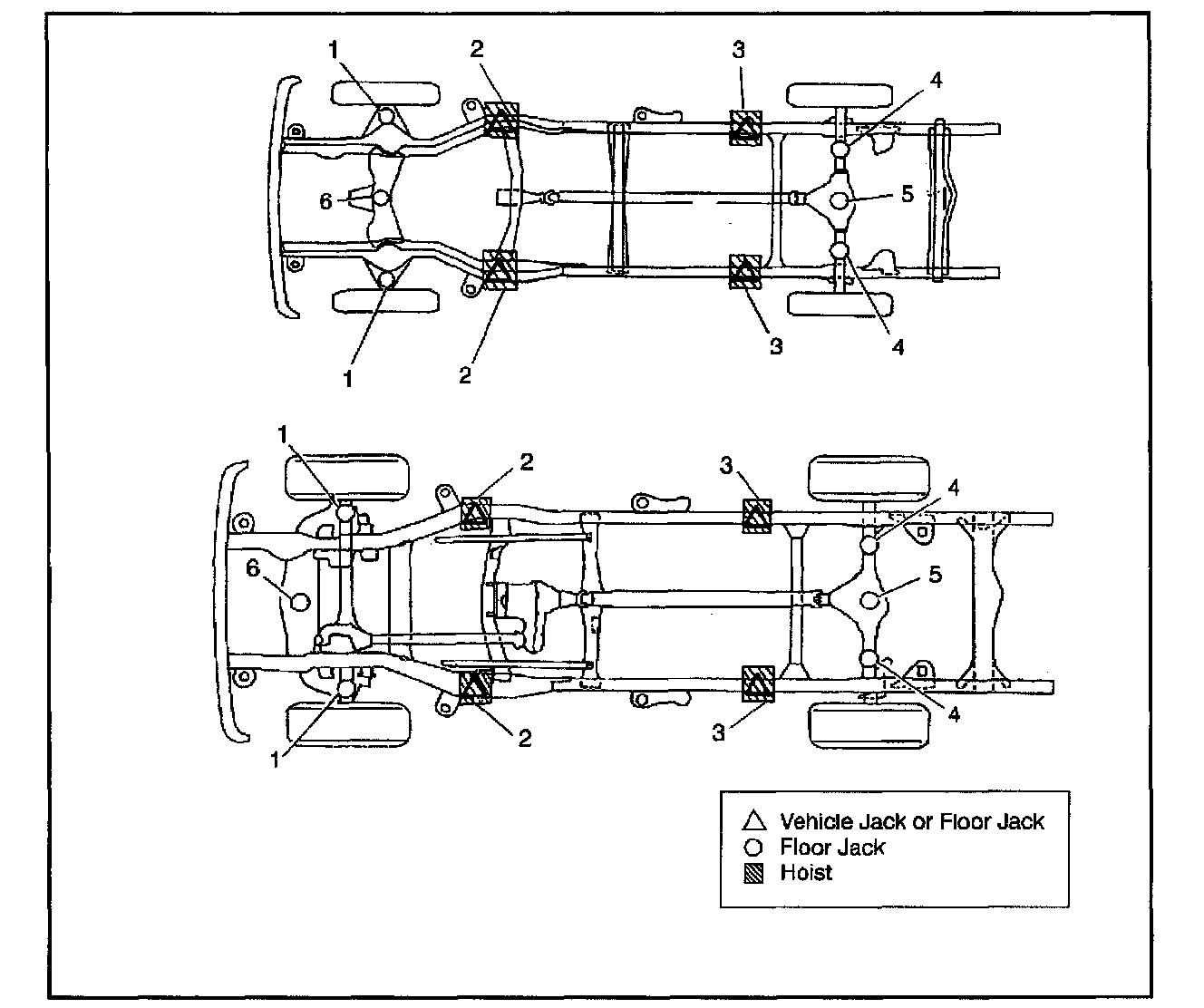
Lifting Instructions




Use only the prescribed lift points when elevating the vehicle

Vehicle Lifting Points
The jack and hoist lift points for the front of the vehicle are located between the front body mounts and the transmission crossmember. The jack and hoist lift points for the rear of the vehicle are located at the front hangers for the rear springs.

The front end lift points for the floor jack are at the following locations:
- Beneath the lower control arms inboard from the shock absorber mounts
- Beneath the center of the front crossmember

The rear end lift points for the floor jack are at the following locations:
- Beneath the axle housing, inboard from the shock absorber mounts
- Beneath the axle differential

Whenever the vehicle is lifted using a jack or a floor jack, observe the following precautions:
- Chock the wheels at the end of the vehicle opposite the end being lifted
- Use jack stands for support. Place jack stands at the any of the following locations:
- Beneath the frame
- Beneath the front suspension crossmember
- Beneath the axle

When removing major components from the vehicle while the vehicle is on a hoist, chain the vehicle frame to the hoist pads in order to prevent tip-off.

Jacking and Lifting Note: When jacking or lifting a vehicle, do not allow the lift pads to contact any of the following parts:
- The catalytic converter
- The brake lines
- The brake cables
- The fuel lines
- The accelerator cables
- The transmission shift cables

Lift pad contact may damage the parts. Lift pad contact may cause unsatisfactory vehicle performance.