Operation CHARM: Car repair manuals for everyone.
Manuals through 2025 now available!

Our trusted friends have launched a new website named LEMON, which has newer manuals. It also contains all the CHARM manuals.

LEMON is the spiritual successor to CHARM, I recommend you try it!

Link: lemon-manuals.la or lemon-manuals.org.ua

(Some people have issue connecting. LEMON is investigating. For now, use Firefox or change your DNS server)

Or, hide this message: temporarily or permanently

Crankshaft: Service and Repair









Crankshaft

Disassembly
1. Remove cylinder head assembly (1).
2. Remove crankcase with oil pan (2).

Caution: Take care not to damage or deform the seating flange surface of crankcase.

3. Remove oil pipe and O-ring (3).
4. Remove oil strainer and O-ring (4).
5. Remove oil pump assembly (5).
6. Remove crankcase side bolts (6).
7. Remove oil gallery (7).
8. Remove piston and connecting rod assembly (8).
9. Remove flywheel (9).
10. Remove rear oil seal retainer (10).
11. Remove main bearing cap (11).
12. Remove crankshaft (12).

Inspection and Repair

1. Crankshaft





Set the dial indicator as shown in the illustration and measure the crankshaft thrust clearance. If the thrust clearance exceeds the specified limit, replace the thrust bearings as a set.
Thrust Clearance
Standard: 0.06 mm - 0.24 mm (0.0024 inch - 0.0094 inch)
Limit: 0.30 mm (0.0118 inch)

Main Bearing Clearance
1. Remove the bearing caps and measure the oil clearance.





2. Remove the main bearing cap fixing bolts in the sequence shown in the illustration.
Arrange the removed main bearing caps in the cylinder number order.
Remove the main bearings.
3. Remove the crankshaft.
Remove the main bearings.
4. Clean the upper and lower bearings as well as the crankshaft main journal.
5. Check the bearings for damage or excessive wear.
The bearings must be replaced as a set if damage or excessive wear is discovered during inspection.
6. Set the upper bearings and the thrust washers to their original positions.
Carefully install the crankshaft.
7. Set the lower bearings to the bearing cap original position.





8. Apply plastogene to the crankshaft journal unit as shown in the illustration.

Note: Do not set the plastogene on the oil hole.





9. Install main bearing caps, oil gallery and crank case bolts in the order shown, and tighten each bolt to the specified torque.

Note: Do not apply engine oil to the crank case side bolts.

Main bearing cap bolts.
Torque: 39 Nm (29 ft. lbs.)
Oil gallery fixing bolts.
Torque:
1st step: 29 Nm (21 ft. lbs.)
2nd step: 55° - 65°
Crank case side bolts
Torque: 39 Nm (29 ft. lbs.)

Note: Do not allow the crankshaft to rotate.





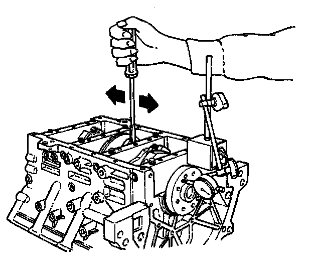
10. Remove the main bearing caps in the sequence shown in the illustration.





11. Measure the plastogene width and determine the oil clearance. If the oil clearance exceeds the specified limit, replace the main bearings as a set and/or replace the crankshaft.
Standard: 0.019 mm - 0.043 mm (0.0007 inch - 0.0017 inch)
Limit: 0.08 mm (0.0031 inch)
12. Clean the plastogene from the bearings and the crankshaft.
Remove the crankshaft and the bearings.

Crankshaft (12) Inspection
Inspect the surface of the crankshaft journal and crank pins for excessive wear and damage. Inspect the oil seal fitting surfaces for excessive wear and damage. Inspect the oil ports for obstructions.

Inspection and Repair




1. Carefully set the crankshaft on the V-blocks. Slowly rotate the crankshaft and measure the runout. If the crankshaft runout exceeds the specified limit, the crankshaft must be replaced.
Runout: 0.04 mm (0.0016 inch)





2. Measure the diameter and the uneven wear of main journal and crank pin. If the crankshaft wear exceeds the specified limit, crankshaft must be replaced.
Main journal diameter: 63.918 mm - 63.933 mm (2.5165 inch - 2.5170 inch)
Crank pin diameter: 53.922 mm - 53.937 mm (2.1229 inch - 2.1235 inch)
Uneven wear limit: 0.005 mm (0.0002 inch)

Crankshaft Bearing Selection
When installing new crankshaft bearings or replacing bearings, refer to the selection table below. Select and install the new crankshaft bearings, paying close attention to the cylinder block journal hole.





1. Diameter size mark (1) and the crankshaft journal.





2. Diameter size mark (1).
The diameter size marks are stamped on the No.1 crankshaft balancer as shown in the illustration.











Note: Take care to ensure the bearings are positioned correctly.

Reassembly





1. Crankshaft (12)
- Install the main bearings to the cylinder block and the main bearing caps.
^ Be sure that they are positioned correctly.
^ Apply new engine oil to the upper and lower main bearing faces.

Note: Do not apply engine oil to the main bearing back faces.

^ Carefully mount the crankshaft.
^ Apply engine oil to the thrust washer.





^ Assemble the thrust washer to the No.3 bearing journal. The oil grooves must face the crankshaft.






Rear oil seal (10)
^ Remove the oil from the cylinder block and the retainer mounting surface.
^ Apply sealant (TB-1207B or equivalent) to the retainer mounting surface, following the pattern shown in the illustration.
The retainer must be installed within 5 minutes after sealant application to prevent premature hardening of sealant.
^ Apply engine oil to the oil seal lip.
^ Align the cylinder block dowel pin holes with the rear retainer dowel pins.





^ Tighten the rear retainer fixing bolts. New bolts should be used when installing rear retainer.
Torque: 18 Nm (13 ft. lbs.)

Note: Be very careful not to disengage the oil seal garter spring during installation of the rear retainer.





If the seal was removed from retainer for replacement, apply engine oil to the oil seal lip and install the oil seal using J-39201 oil seal installer.





3. Flywheel (9)
1. Thoroughly clean and remove the oil from the threads of crankshaft.
2. Remove the oil from the crankshaft and flywheel mounting faces.
3. Mount the flywheel on the crankshaft and then install the washer.
4. Hold the crankshaft to prevent from rotating then install the bolts in the order shown to the specified torque.
Torque: 54 Nm (40 ft. lbs.)

Note: Do not reuse the bolt and do not apply oil or thread lock to the bolt.





4. Piston and connecting rod assembly (8)
^ Apply engine oil to the cylinder bores, the connecting rod bearings and the crankshaft pins. Check to see that the piston ring end gaps are correctly positioned.
^ Insert the piston/connecting rod assemblies into each cylinder with the piston ring compressor. The front marks must be facing the front of the engine.
^ Match the numbered caps with the numbers on the connecting rods. Align the punched marks on the connecting rods and caps.
^ Apply engine oil to the threads and seating faces of the nuts.
^ Tighten the nuts.
Torque: 54 Nm (40 ft. lbs.)
After tightening the cap nuts, check to see that the crankshaft rotates smoothly.





Note: Do not apply engine oil to the bearing back faces.





5. Install oil gallery (7) and tighten the bolts in 2 steps, in the order shown.
1st step: 29 Nm (22 ft. lbs.)
2nd step: 55° - 65°
6. Cylinder block side bolts (6)





- Tighten all the bolts to the specified torque in the order shown.

Note: Do not apply engine oil to the crank case side bolts.

Torque: 39 Nm (29 ft. lbs.)
7. Install oil pump assembly (5).
8. Install oil strainer and O-ring (4).
9. Install oil pipe and O-ring (3) and tighten the bolts.
Torque: 25 Nm (18 ft. lbs.)
10. Install crankcase with oil pan (2).
1. Completely remove all residual sealant, lubricant and moisture from the sealing surfaces. The surfaces must be perfectly dry.
2. Apply a correct width bead of sealant (TB-1207C or its equivalent) to the contact surfaces of the oil pan. There must be no gaps in the bead.
3. The crankcase assembly must be installed within 5 minutes after sealant application.





4. Tighten the bolts and nuts to the specified torque.
Torque: 10 Nm (89 inch lbs.)
11. Install cylinder head assembly.