Operation CHARM: Car repair manuals for everyone.
Manuals through 2025 now available!

Our trusted friends have launched a new website named LEMON, which has newer manuals. It also contains all the CHARM manuals.

LEMON is the spiritual successor to CHARM, I recommend you try it!

Link: lemon-manuals.la or lemon-manuals.org.ua

(Some people have issue connecting. LEMON is investigating. For now, use Firefox or change your DNS server)

Or, hide this message: temporarily or permanently

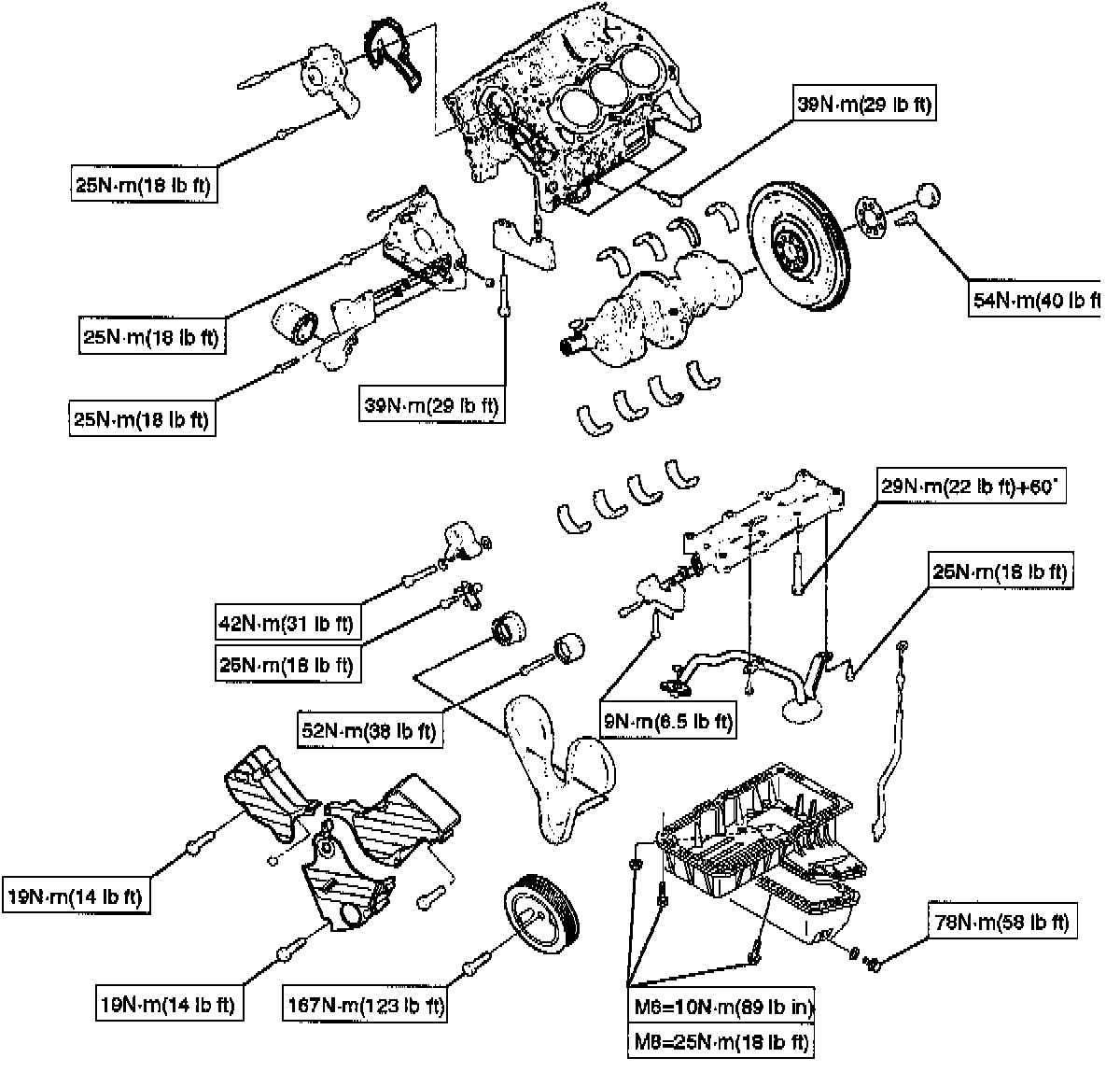
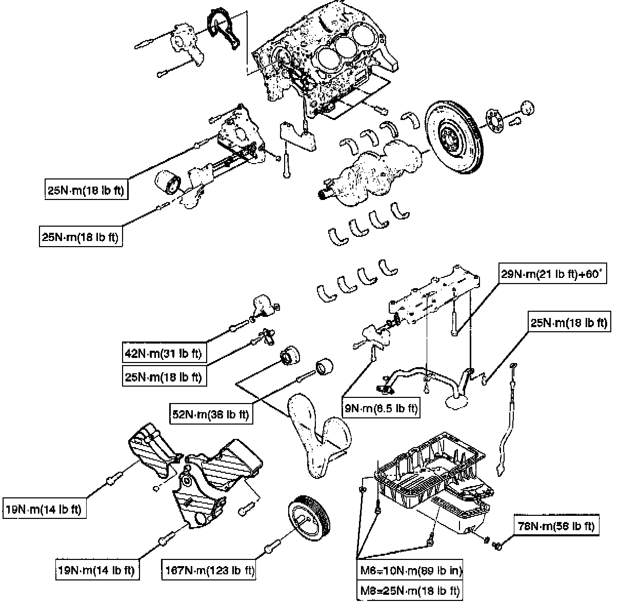
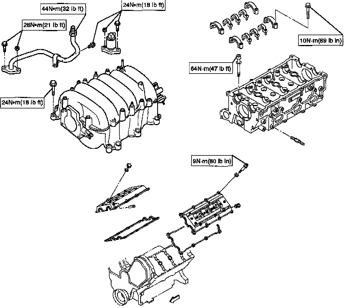
Torque Specifications

Torque Specifications





Ignition coil, Spark plug, Crankshaft angle sensor and Under cover





Cylinder head cover, Cylinder head, Camshaft bracket, Common chamber, EGR valve and EGR pipe





Crankshaft main bearing, Flywheel, Crankcase, Oil pan, Timing belt tensioner, Timing pulley, Timing belt cover, Oil pump, Oil gallery, Oil strainer and water pump





Crankcase, Oil Pan, Timing Belt Tensioner, Timing Pulley, Timing Belt Cover, Oil Pump, Oil Gallery, Oil Strainer





Connecting Rod And Water Pump





Engine Mount