Operation CHARM: Car repair manuals for everyone.
Manuals through 2025 now available!

Our trusted friends have launched a new website named LEMON, which has newer manuals. It also contains all the CHARM manuals.

LEMON is the spiritual successor to CHARM, I recommend you try it!

Link: lemon-manuals.la or lemon-manuals.org.ua

(Some people have issue connecting. LEMON is investigating. For now, use Firefox or change your DNS server)

Or, hide this message: temporarily or permanently

Disassembly and Reassembly

DISASSEMBLY

Note: During the disassembly and reassembly, perform the following:
- Wash each part thoroughly, and blow air through each oil passage and groove to eliminate blockage.
- Seal rings, roll pins, and gaskets should be replaced.
- When assembling the components, apply DEXRON III Automatic Transmission Fluid (ATF) to each seal, rotating part, and sliding part.
- Do not dip part facings, such as clutch or brake drive plates, in cleaner when washing it.
Also, always coat parts with new ATF two or three times after cleaning with solvent.





1. Remove torque converter (1).
- Drain fluid from torque converter.
- Attach J-8763-02 holding fixture to the transmission and set it on J-3289-20 holding fixture base.

Note: Do not overtighten the tool, as case damage may result.

2. Remove O-ring (2) from turbine shaft.
3. Remove two 10 mm mode switch screws, selector lever nut, cover (V6), and mode switch (3).
4. Remove twelve 10 mm adapter case oil pan (4) fixing screws, adapter oil pan, and gasket.
5. Disconnect electrical wiring connections (5) from solenoids and 4 way (V6) or 5 way (HEC) connector of adapter case. Pull on connectors only, not on wiring harness.
6. Remove seven 13 mm adapter case valve body (6) fixing screws, adapter case valve body assembly, transfer plate, and two gaskets.
- Remove wiring harness and 4 way (V6) or 5 way (HEC) connector.
7. Remove sixteen 10 mm main case oil pan (7) fixing screws, main oil pan, magnet, and gasket.
8. Remove three 13 mm oil filter (8) fixing screws and oil filter.
9. Remove two 13 mm manual detent (9) fixing screws, roller and spring, and manual detent.
10. Disconnect wiring harness assembly (10) from band apply solenoid, shift solenoids, and main case 7 way (V6) of 4 way (HEC) connector.
Pull on connectors only, not on wiring harness.
11. Remove four 13 mm servo cover (11) fixing screws, servo cover, and gasket.
12. Remove seven 13 mm valve body screws and ground wire (HEC) from main case.
- Remove wiring harness assembly (5) from the adapter case side.
- Remove main valve body assembly (12) with manual valve link and transfer plate. Note the position of the link (long end into valve, short end into range selector lever).
- Remove 7 way (V6) or 4 way (HEC) connector.
- Remove gasket transfer plate from main case.





(V6)





(HEC)

13. Remove two check balls (13) from main case.
14. Turn transmission to vertical position to drain fluid.
Return back to horizontal position when drained.
- Install J-23075 servo piston spring compressor with offset to the rear of case.
- Compress servo piston assembly.





- Remove servo piston retaining ring (14).
- Slowly release servo piston assembly (15).
- Remove tool.
15. Remove servo piston assembly (15), return spring (16), and servo apply rod (17).





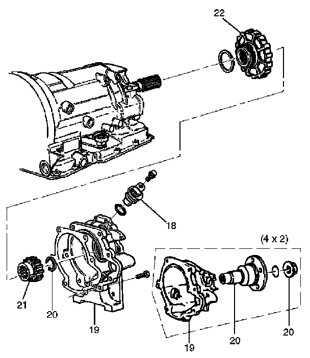
16. Rotate transmission to horizontal position, pan side down.
- Remove one 10 mm screw, and speed sensor (18) with "O" ring.
17. Remove seven 8 mm extension assembly hexagon socket head screws, extension assembly (19), and gasket.
18. Remove retaining ring (20). (4X4)

Note: Use extra long, needle nose pliers.
- Remove flange nut (20). (4X2)
- Remove flange and O-ring (20). (4X2)

19. Remove speed wheel (21).
20. Remove wheel parking lock (with seal ring) (22).





21. Rotate transmission to vertical position, converter housing up.
- Loosen the converter housing and oil pump assembly fixing screws, but do not remove, the five 13 mm inner screws unless oil pump disassembly is required.
- Remove seven outer screws.
- Remove converter housing and oil pump assembly (23).
22. Remove gasket (24).
23. Remove selective thrust washer (25).





24. Remove fourth clutch retainer (26).
25. Grasp turbine shaft and lift out the overrun clutch housing assembly (27) and fourth clutch plates (28).
26. Remove thrust bearing assembly (29).
27. Remove overdrive internal gear (30).
28. Remove thrust washer (31).





29. Remove adapter case and center support assembly (with fourth clutch piston) (32).
30. Remove seal ring (33).
31. Remove selective thrust washer (34) and two O-ring seals (35) from main case.
32. Use J-23327 and J-23327-90 compressor to compress the fourth clutch spring retainer and springs (37).
- Release snap ring (36) from groove.
- Remove clutch compressor and snap ring (36).
33. Remove retainer and spring assembly (37).
34. Insert two converter housing/main case screws to hold adapter case while pulling out fourth clutch piston (38).
- Remove fourth clutch piston assembly (38) from the adapter case.
- Remove converter housing/main case screws.
35. Grasp intermediate shaft, twist and pull out the second and third clutch drum assemblies with reverse clutch plates while holding onto output shaft.
36. Separate second (40) and third clutch (41) assemblies.
37. Remove thrust washer (42).
38. Remove reverse clutch plates (43 and 44) and reverse clutch pressure plate (45).
39. Remove bearing (46) and washer (47).
40. Remove planetary carrier assembly (48).
41. Remove thrust bearing (49).
42. Remove reaction sun gear (50)
43. Remove needle bearing (51).
44. Remove brake drum (52).
45. Remove brake band (53).
46. Remove thrust bearing (54).





47. Rotate case to horizontal position, valve body side facing up.
- Remove spring pin (55), using cutting pliers, then remove parking lock and selector lever assembly (56).

Note: Insert wire in the center of the spring pin to prevent it from collapsing during removal. Be aware of pin height. Protect machined face of main case.

48. Remove parking lock and range selector lever 17 mm nut (57).
49. Remove parking lock and range selector lever (56), and actuator assembly.
50. Remove selector shaft (58).

Note: Inspect the shaft for burrs before removing to prevent damaging seal. If necessary, remove burrs by lightly sanding with an oilstone.

REASSEMBLY
1. Inspect selector shaft seal and replace it if necessary.

Note: Use a seal installer when replacing the seal.
- Install selector shaft.

Note: Spring pin groove must be positioned inside the case.

2. Install spring pin. Be sure the selector shaft can move freely. Do not push the pin flush with the case surface. Leave enough height for removal.





3. Install actuator assembly (1).
4. Install parking lock and range selector lever (2) and new 17 mm nut. Tighten the nut to the specified torque.
Torque: 22 Nm (16 ft. lbs.)
5. Rotate main case to vertical position, extension end facing down.
- Install brake band assembly (3).

Note: Be sure to align servo pin area with the servo hole.

6. Install thrust bearing (4).

Note: The case bushing acts as a guide for the thrust bearing.

7. Install brake drum (5).
8. Install reaction sun gear (6).
9. Install needle bearing (7).





10. Inspect planetary carrier assembly (8) for wear and damage. If necessary replace it.
- Measure pinion end play clearance with a feeler gauge.
Clearance: 0.13 - 0.89 mm (0.005 - 0.035 inch)
If clearance is outside specified value, replace the planetary carrier assembly.
11. Install the thrust bearing (9) on the output shaft.

Note: Use petroleum jelly to hold the thrust bearing in place.

12. Align planetary pinions. Each pinion is marked with double points to indicate the master tooth space and exactly opposite with a single point to indicate the master tooth. The markings on the planetary carrier consist of double lines which are to be lined up with the double points on two opposite pinions; the single lines are to be lined up with the single points on the other two pinions.
- After all four pinions are lined up, slide on the third clutch assembly. Rotate third clutch and check mark alignment. Considering that the ring gear tooth between the double points of one planetary pinion is tooth number 1, count the teeth to check that the single points on the two adjacent pinions are between teeth 23 and 24 of the ring gear, and that the ring gear tooth between the double points of the opposite pinion is tooth number 46. If the ring gear and pinions are not lined up, remove and realign them.





13. Install planetary carrier (8) with third clutch (12).

Note: Do not force. When properly aligned, the parts will fit together easily.

14. Remove the third clutch (12).





15. Install bearing (11) and washer (10).

Note: Use petroleum jelly to hold the washer and bearing in place.

16. Carefully align the second clutch plate inner tangs.
- Install thrust washer, tangs pointing downward, and locating tang positioned in slot on second clutch hub.

Note: Use petroleum jelly to hold thrust washer in place.





17. Install third clutch and intermediate shaft assembly (13) into the second clutch drum (14).
18. Install second and third clutch assemblies into the main case. Twist output shaft and clutch assemblies to ensure proper fit.





19. Install pressure plate (15) with lip side up, tang facing valve body face.
20. Install reverse clutch plates. Start with a steel plate (17) and alternate with a lined plate (16).
21. Install waved clutch plate (18) with center tang facing valve body side.








22. Second clutch end play measurement
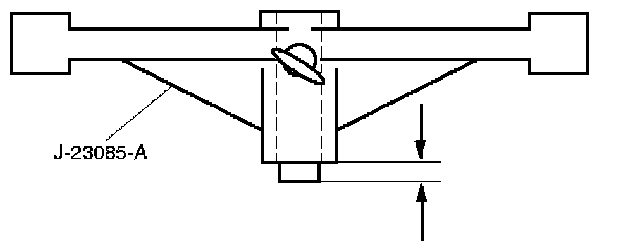
1. Install the J-23085-A Selective washer gauging tool (with spacer ring) on the case flange and against the intermediate shaft.
2. Position the inner shaft of the gauging tool against the thrust surface of the second clutch hub.
3. Tighten thumb screw. Remove the tool.
4. Fit the spacer ring on the inner shaft of the tool.





Selective Thrust Washer

5. Measure the gap and select appropriate washer as shown in the chart.





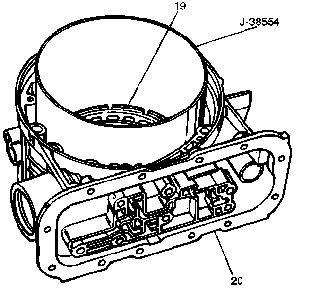
23. Inspect fourth clutch piston seals and replace if necessary.
- Lubricate J-38554 fourth clutch piston fitter and install it on fourth clutch piston (19).
- Install fourth clutch piston (19) in adapter case (20).
- Remove fitter.





24. Install retainer and spring assembly (22) into fourth clutch piston (21).





25. Install snap ring (23) in adapter case.
- Install J-23327 and J-23327-90 fourth clutch spring compressor.
- Seat snap ring in groove.
- Remove compressor.
26. Install selective washer using petroleum jelly.





27. Install two O-ring seals (24) in main case and adapter case/main case seal ring (25).
28. Install J-38588 guide pins.
- Install adapter case and center support assembly to main case.





29. Install thrust washer (26) into adapter case, with tangs pointing downwards.
30. Preassemble overdrive internal gear (27) and thrust bearing assembly (28) onto the turbine shaft and overrun clutch assembly.

Note: Install bearing assembly, black side up. Use petroleum jelly to keep assembly in place.

31. Install overdrive carrier (30) and internal gear assembly into adapter case.
32. Install fourth clutch plates (29) in the following order: Steel, Lined, Steel, Steel, Lined, Steel. Steel plates go in with short tang facing towards valve body surface.
33. Install fourth clutch retainer (31) with the notch facing up and positioned towards valve body surface.
34. Overdrive clutch end play measurement








1. Install the J-23085-A selective washer gauging tool on the adapter case flange and against the input shaft.
2. Position the inner shaft of the tool against the thrust surface of the overrun clutch housing.
3. Tighten thumb screw. Remove the tool.
4. Measure gap. Select appropriate size washer as shown in the chart.
5. Set selective thrust washer aside.





Selective Thrust Washer





35. Install selective washer (32).

Note: Use petroleum jelly to hold selective washer in place.

36. Install gasket (33).
37. Install converter housing and oil pump assembly (34) to adapter case.
- Fit and tighten seven outer 13 mm screws.
Torque: 39 Nm (29 ft. lbs.)
- Ensure free rotation of pump using J-23082-01 pump rotation tool.
38. Overdrive clutch end play measurement.





1. Fit J-25022 and J-24773-1 turbine shaft puller on turbine shaft.
2. Position axial play checking tool on converter housing mating face.
3. Pull turbine shaft upwards with puller until first resistance is met. (due to weight of overdrive assembly)
4. Maintain shaft in this position and set indicator to zero.
5. Pull turbine shaft further upwards with puller. Read end play shown on indicator.
End play: 0.1 - 0.8 mm (0.004 - 0.031 inch)
6. Remove axial play checking tool and puller.

Note: If end play is not correct, repeat selective washer selection.





39. Inspect extension housing oil seal and replace if necessary, using J-36797 extension assembly oil seal installer.
- Rotate transmission to horizontal position, with valve body side down.
- Inspect parking wheel seal ring. Replace if necessary.
- Install wheel parking lock assembly (35).
40. Install speed wheel (36) and snap ring (37). (4X4)

Note: Use extra long, needle nose pliers.

Install flange, O-ring and nut. (4X2)
41. Install gasket onto extension assembly with a thin coating of oil.
- Install extension assembly (38), and align parking pawl shaft.
- Install actuator assembly into extension assembly.
- Install seven 8 mm hexagon socket head screws.
Torque: 32 Nm (24 ft. lbs.)





42. Inspect speed sensor O-ring. Replace if necessary.
- Install speed sensor assembly (39) and 10 mm screw.
Torque: 9 Nm (78 inch lbs.)
43. Main case end play measurement.
1. Attach axial play checking tool on the extension assembly and set indicator to zero on output shaft.
2. Manually push output shaft upwards.
End play: 0.36 - 0.80 mm (0.014 - 0.031 inch)





3. Remove axial play checking tool.
4. If end play is not correct, repeat selective washer selection.
44. Inspect servo piston seal ring. Replace if necessary.
- Ensure brake band is correctly positioned. Rotate output shaft if necessary.
- Install J-38428 servo piston fitter in servo bore.
- Install apply rod (40), round end toward band, return spring (41) and piston assembly (42).





45. Install the J-23075 servo spring compressor with offset to rear of case.
- Compress servo piston seal ring, using fitter while tightening the tool screw.
- Install servo piston retaining ring (43).
- Remove tool.
- Adjust the brake band by tightening the servo adjusting screw to 4.5 Nm torque. Be certain the lock nut is loose, then back-off the screw five turns exactly. Hold piston sleeve with wrench and tighten lock nut to 18.5 Nm torque. Be certain the adjusting screw does not turn.





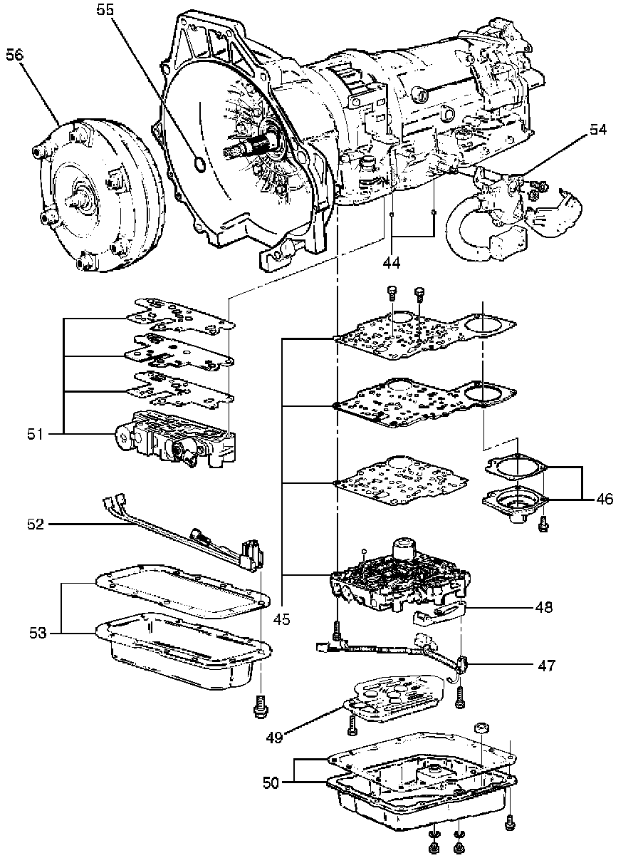
46. Install two check balls (44).
47. Inspect main case electrical connector and seal, replace if necessary.
- Install electrical 7 way (V6) or 4 way (HEC) connector/main case and wiring harness.
48. Install two J-25025-B guide pins into main case.
- Install main case valve body complete assembly (45) and manual valve link.

Note: Valve must be extended as the short end of manual valve link is connected to the range selector lever. Long end of link goes into valve.

- Install seven 13 mm screws, tighten the specified torque.
Torque: 20 Nm (15 ft. lbs.)
- Pass ground wire of adapter case wiring harness assembly through the hole joining adapter fluid area and main case fluid area (HEC).
- Assemble 8.5 mm connector of ground wire under the head of this valve body bolt and reinstall it (HEC).





- Remove two guide pins.





(V6)





(HEC)

49. Install servo cover gasket, cover (46) and four 13 mm screws.
Torque: 25 Nm (18 ft. lbs.)
50. Connect wiring harness (47) to band control, shift solenoids, and main case 7 way (V6) or 4 way (HEC) connector.
51. Install manual detent roller and spring assembly (48) with clip.
- Install two 13 mm screws.
Torque: 20 Nm (15 ft. lbs.)
52. Install oil filter (49) and three 13 mm screws.
Torque: 20 Nm (15 ft. lbs.)
53. Install oil pan gasket, magnet, main oil pan (50), sixteen 10 mm screws.
Torque: 11 Nm (96 inch lbs.)
54. Inspect adapter case electrical connector and seal. Replace if necessary.
- Install electrical 4 way (V6) or 5 way (HEC) connector and harness assembly (52) in bottom of adapter case.
55. Install gasket, transfer plate, and gasket.
- Install adapter case valve body (51) complete and seven 13 mm screws.
Torque: 20 Nm (15 ft. lbs.)
56. Connect wiring harness harness assembly (52) to converter clutch solenoid, force motor, and 4 way (V6) or 5 way (HEC) connector.
57. Install oil pan gasket, adapter case oil pan (53), and twelve 10 mm screws.
Torque: 11 Nm (96 inch lbs.)
- Rotate transmission, with bottom pan facing down.
58. Install mode switch (54), two 10 mm screws, selector lever nut, and cover (V6).
10 mm screw
Torque: 13 Nm (113 inch lbs.)
Nut
Torque: 23 Nm (17 ft. lbs.)
- Adjust using setting tool.
59. Install O-ring (55) on turbine shaft.
60. Install torque converter (56)
The converter assembly must be replaced under any of the following conditions:
a. Evidence of damage to the pump assembly.
b. Metal particles are found after flushing the cooler lines.
c. External leaks in hub weld area.
e. Converter pilot broken, damaged, or poor fit into crankshaft.
f. Converter hub scored or damaged.
g. Internal failure in stator.
h. Contamination from engine coolant.
Excess end play.
- Rotate transmission, bell housing up. Spin converter to insure proper fit.
61. Fill transmission through the overfill screw hole of oil pan, using ATF DEXRON III.