Operation CHARM: Car repair manuals for everyone.
Manuals through 2025 now available!

Our trusted friends have launched a new website named LEMON, which has newer manuals. It also contains all the CHARM manuals.

LEMON is the spiritual successor to CHARM, I recommend you try it!

Link: lemon-manuals.la or lemon-manuals.org.ua

(Some people have issue connecting. LEMON is investigating. For now, use Firefox or change your DNS server)

Or, hide this message: temporarily or permanently

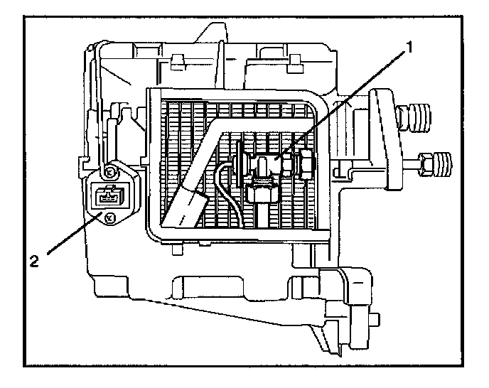
Expansion Valve




This expansion valve (1) is an external pressure type and it is installed at the evaporator intake port.

The expansion valve converts the high pressure liquid refrigerant sent from the receiver/driver to a low pressure liquid refrigerant by forcing it through a tiny port before sending it to the evaporator (2).
This type of expansion valve consists of a temperature sensor, diaphragm, ball valve, ball seat, spring adjustment screw, etc.
The temperature sensor contacts the evaporator outlet pipe, and converts changes in temperature to pressure. It then transmits these to the top chamber of the diaphragm.

The refrigerant pressure is transmitted to the diaphragm's bottom chamber through the external equalizing pressure tube.
The ball valve is connected to the diaphragm. The opening angle of the expansion valve is determined by the force acting on the diaphragm and the spring pressure.

The expansion valve regulates the flow rate of the refrigerant. Accordingly, when a malfunction occurs to this expansion valve, both discharge and suction pressure get low, resulting in insufficient cooling capacity of the evaporator.

The calibration has been changed to match the characteristics of HFC-134a.