Operation CHARM: Car repair manuals for everyone.
Manuals through 2025 now available!

Our trusted friends have launched a new website named LEMON, which has newer manuals. It also contains all the CHARM manuals.

LEMON is the spiritual successor to CHARM, I recommend you try it!

Link: lemon-manuals.la or lemon-manuals.org.ua

(Some people have issue connecting. LEMON is investigating. For now, use Firefox or change your DNS server)

Or, hide this message: temporarily or permanently

General Description

Full Automatic Airconditioner Parts Configuration:




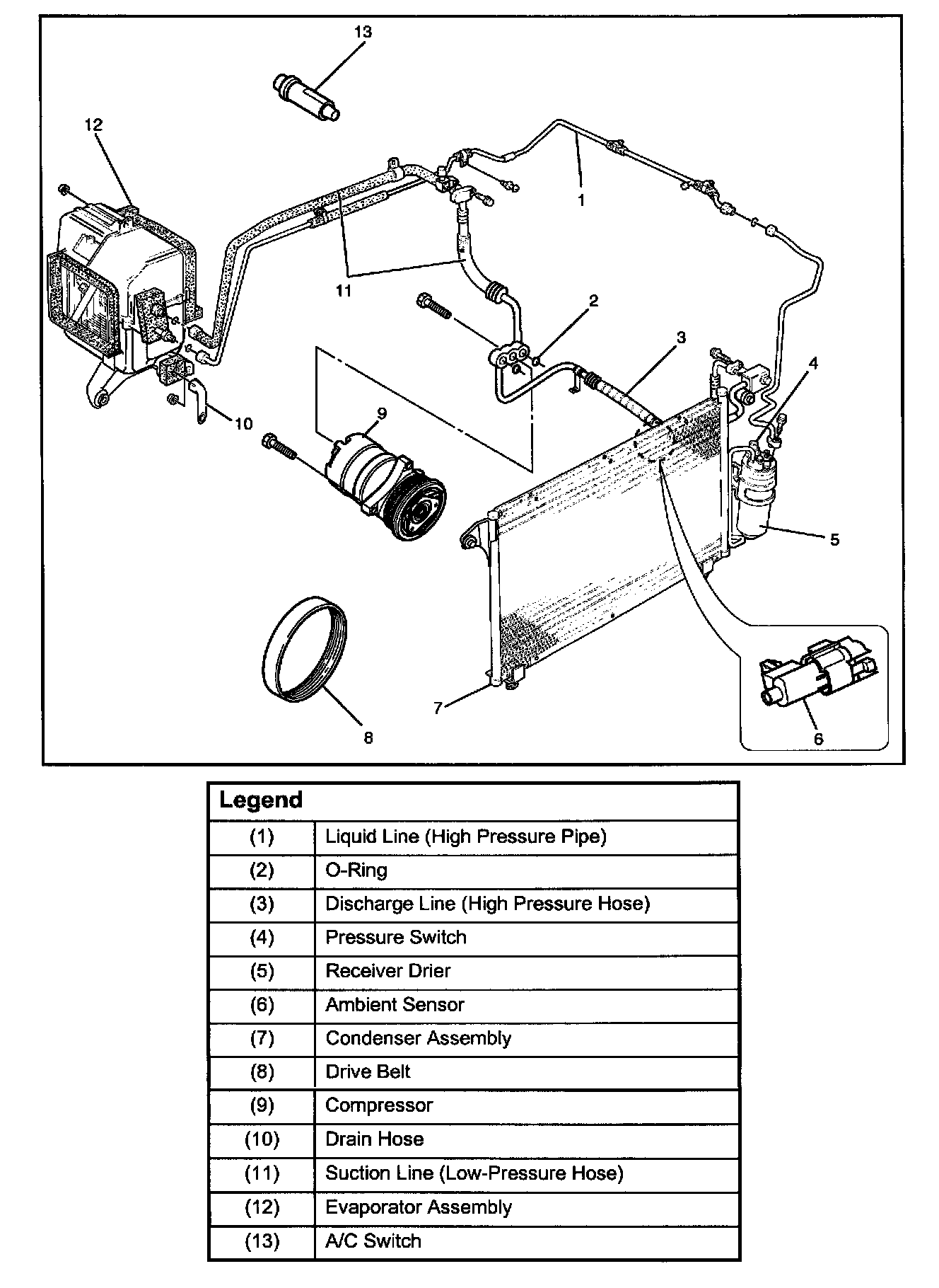
Refrigerant Line And Associated Parts:




Using a variety of sensors, this automatic heater and air conditioner accurately senses outside air temperature, solar radiation quantity, evaporator's blowing temperature, and interior temperature, then enters these data to the automatic heater/air conditioner control unit (equipped with the built-in micro-computer). The data provided to the control unit enables to automatically control blow temperature and blow air quantity, turn ON or OFF the compressor and switch the blow port as well as switching between the fresh air intake and interior air circulation.

Resetting the automatic function allows you to switch to the manual control mode.

The self-diagnosis function of the automatic heater and air conditioner control unit (with the built-in micro-computer) allows the unit to access and diagnose a failed part easier and quicker.