Operation CHARM: Car repair manuals for everyone.
Manuals through 2025 now available!

Our trusted friends have launched a new website named LEMON, which has newer manuals. It also contains all the CHARM manuals.

LEMON is the spiritual successor to CHARM, I recommend you try it!

Link: lemon-manuals.la or lemon-manuals.org.ua

(Some people have issue connecting. LEMON is investigating. For now, use Firefox or change your DNS server)

Or, hide this message: temporarily or permanently

Electrical Diagrams

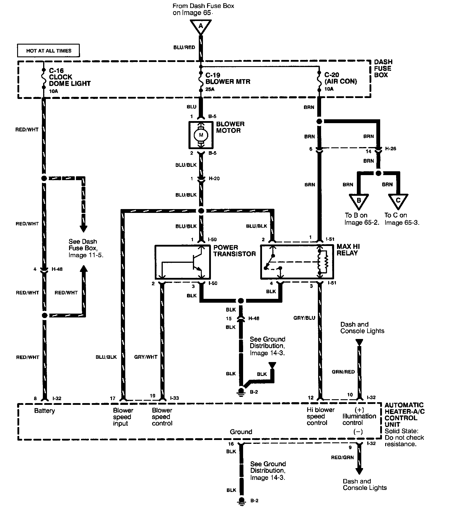
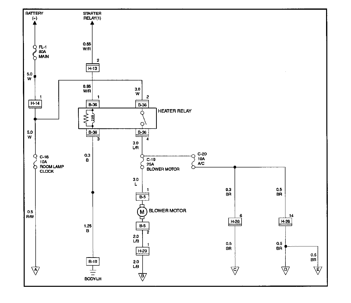
Automatic A/C (Blower Controls, 1 Of 2) Image 65:



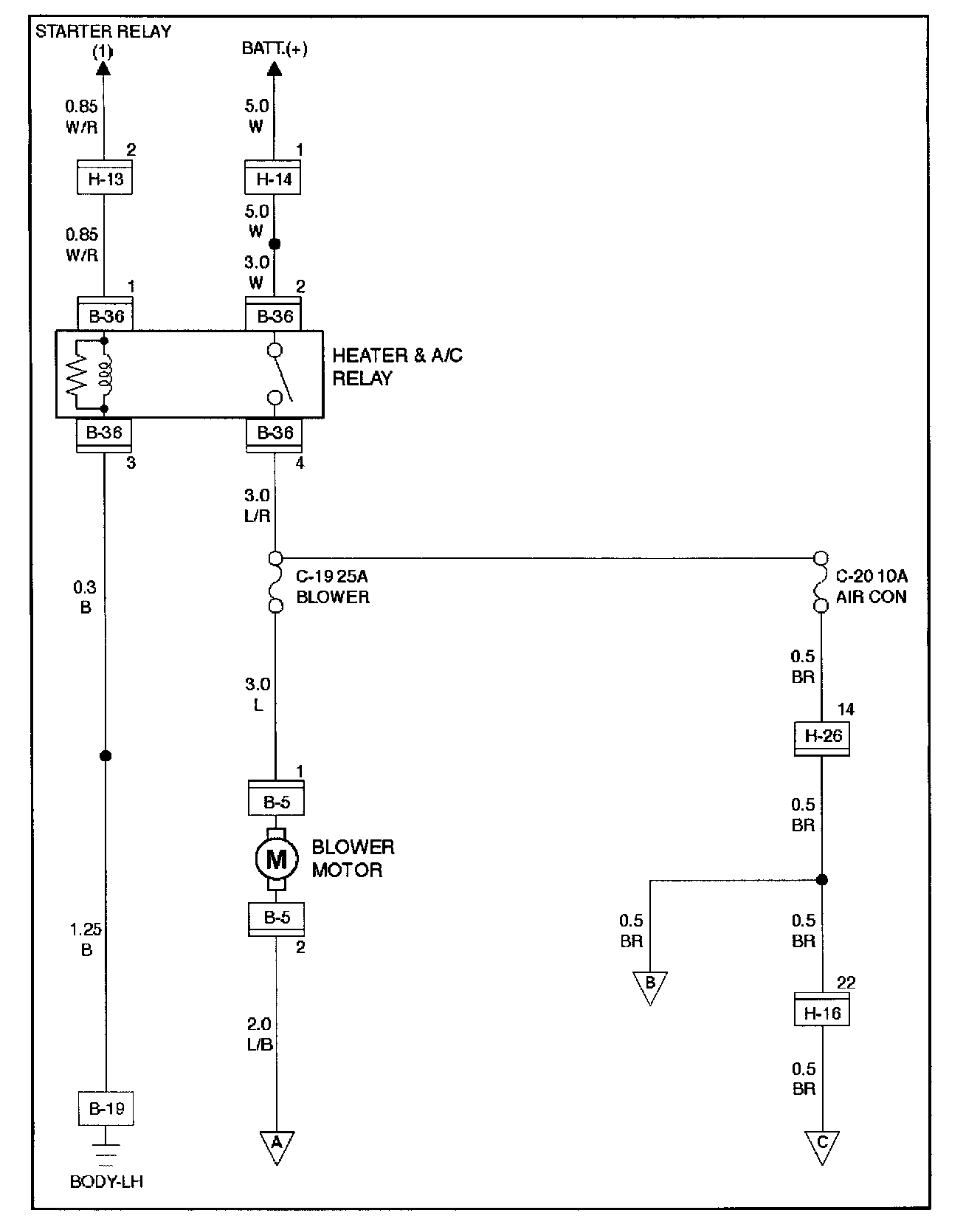
Automatic A/C, (Blower Controls, 2 Of 2) Image 65-1:



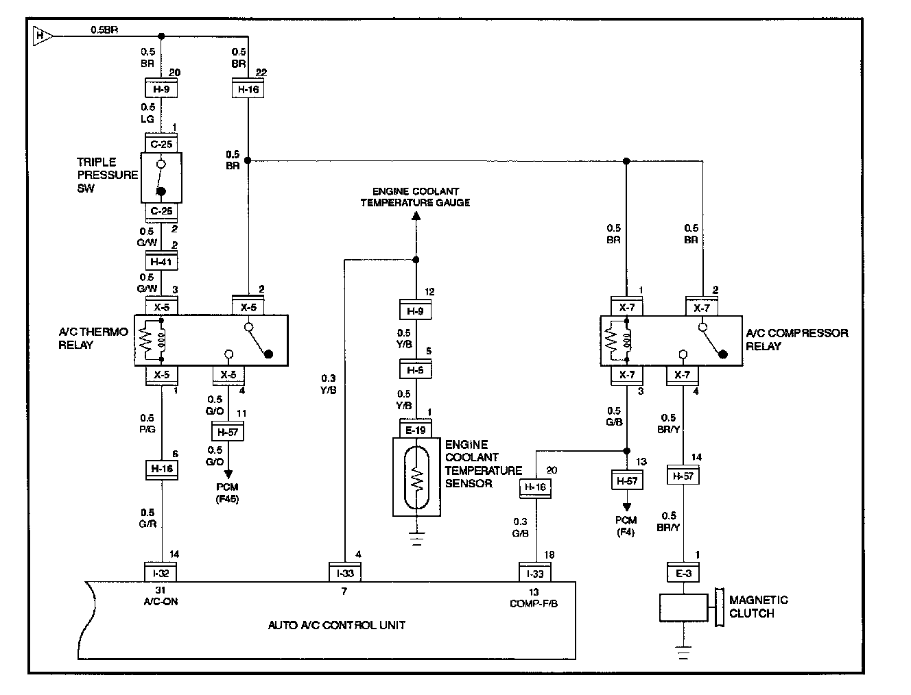
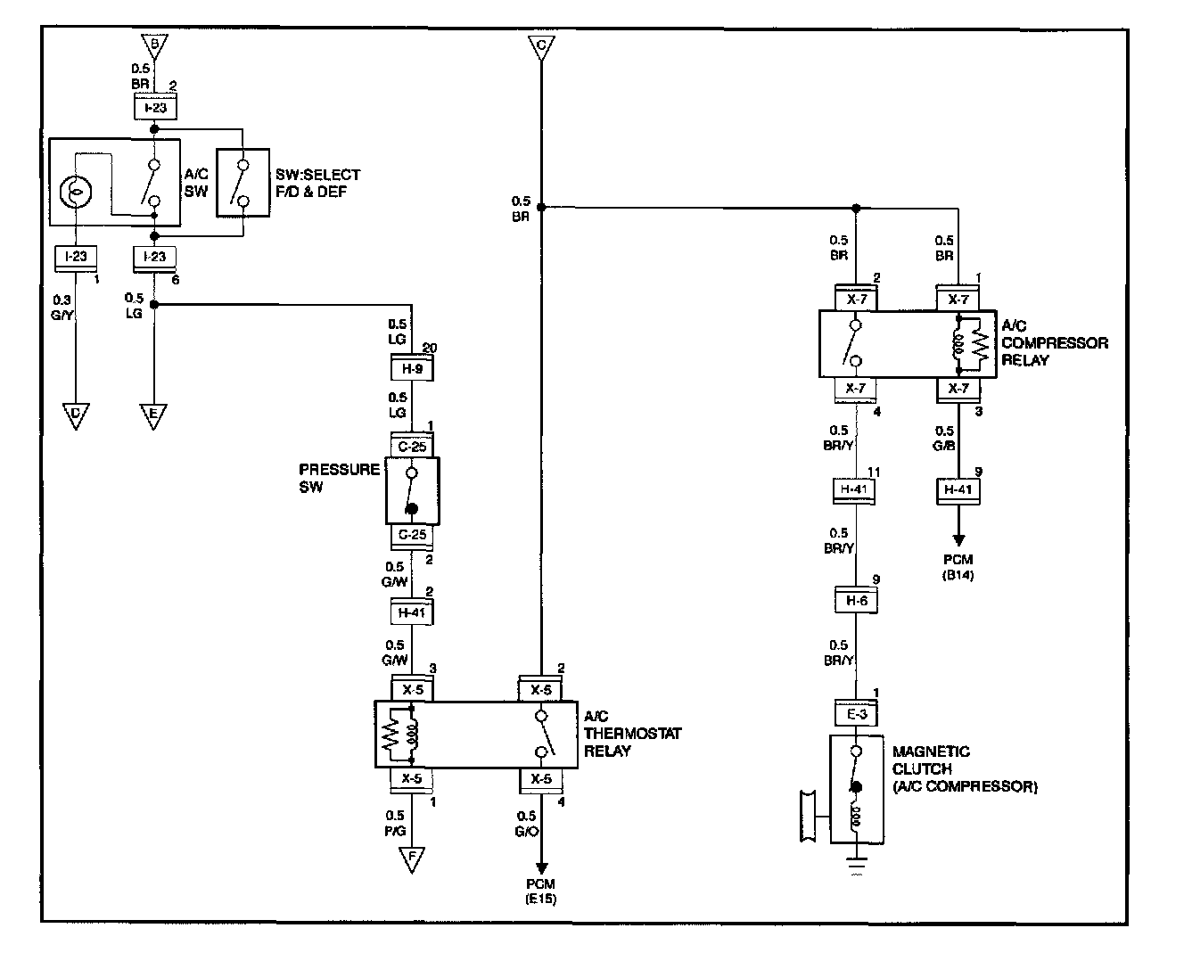
Automatic A/C (Compressor Controls) Image 65-2:



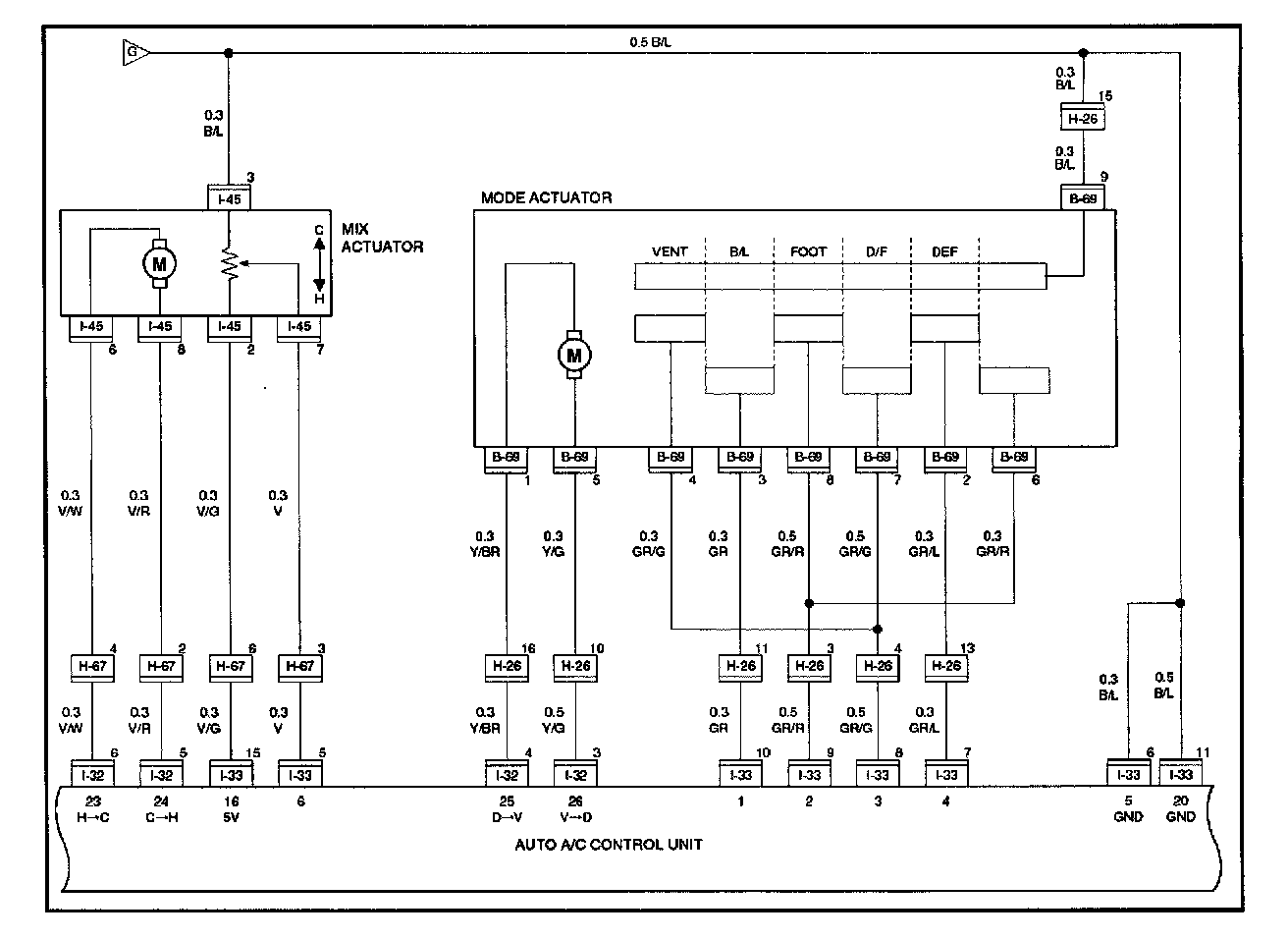
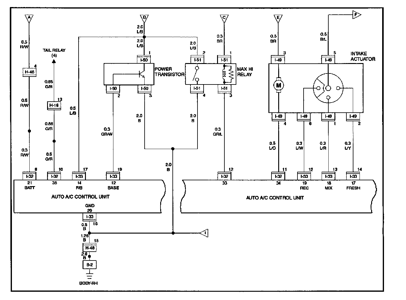
Automatic A/C (Air Delivery Controls) Image 65-3:



Automatic A/C (Sensors, 1 Of 2) Image 65-4:



Automatic A/C (Sensors, 2 Of 2) Image 65-5:





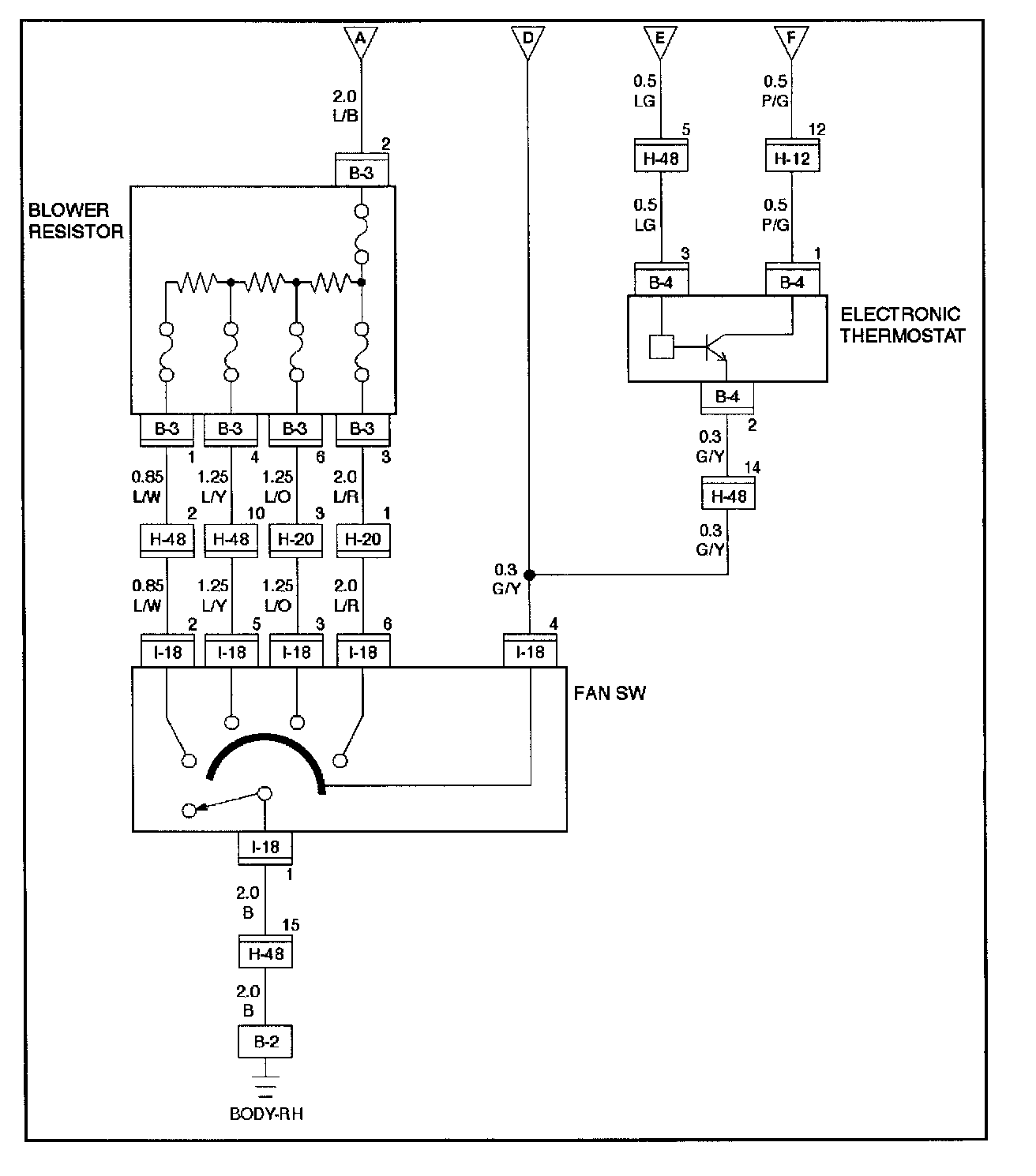
Part 1 Of 3:



Part 2 Of 3:



Part 3 Of 3:



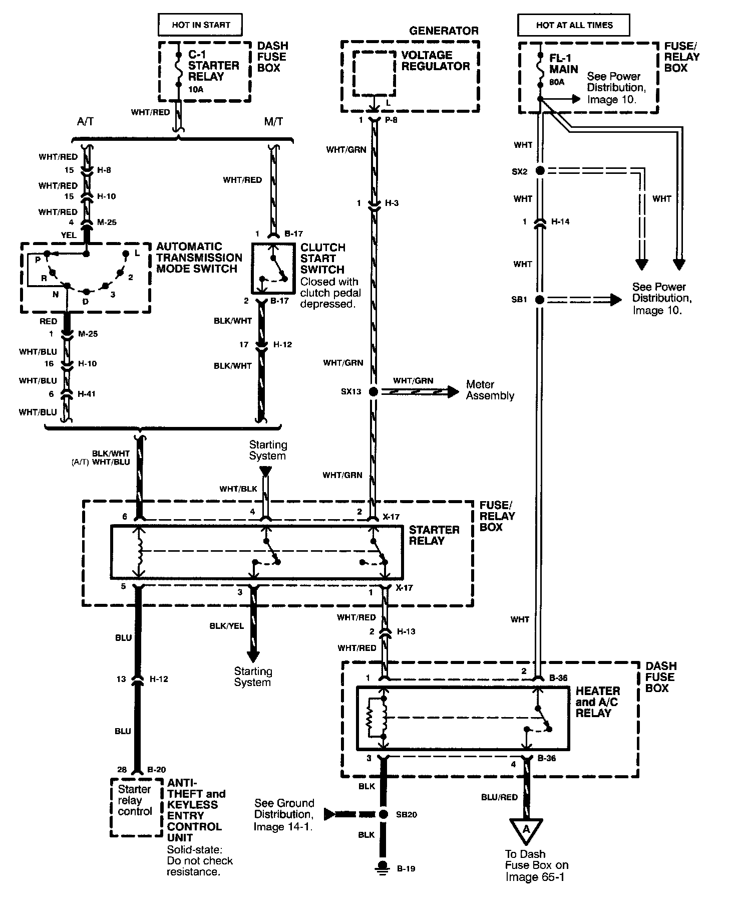
6VE1 Engine (Part 1 Of 5):



6VE1 Engine (Part 2 Of 5):



6VE1 Engine (Part 3 Of 5):



6VE1 Engine (Part 4 Of 5):



6VE1 Engine (Part 5 Of 5):