Operation CHARM: Car repair manuals for everyone.
Manuals through 2025 now available!

Our trusted friends have launched a new website named LEMON, which has newer manuals. It also contains all the CHARM manuals.

LEMON is the spiritual successor to CHARM, I recommend you try it!

Link: lemon-manuals.la or lemon-manuals.org.ua

(Some people have issue connecting. LEMON is investigating. For now, use Firefox or change your DNS server)

Or, hide this message: temporarily or permanently

Symptom Table

DIAGNOSIS

Heating Cycle Diagnosis:






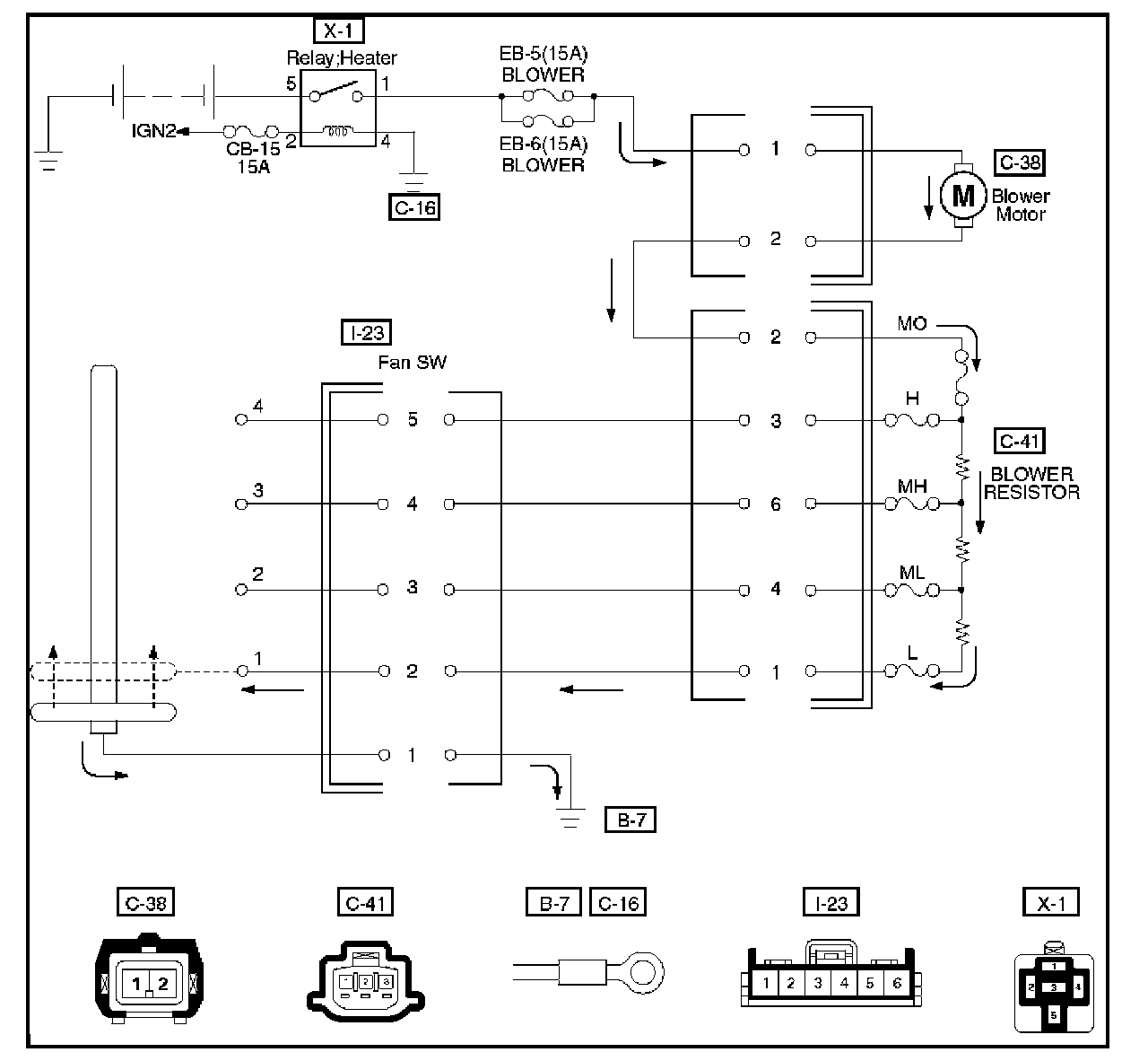
Fan Control Lever (Fan Switch) Diagnosis







Current flows to the blower motor through the heater relay (X-1) to activate the rotation of the blower motor by turning "ON" the fan control knob (fan switch). Blower motor speed is controlled in stages by the resistor, by operating the switch from "LOW" to "HIGH".

For the inspection of the relays, switches and units in each table, refer to Individual Inspection.