Operation CHARM: Car repair manuals for everyone.
Manuals through 2025 now available!

Our trusted friends have launched a new website named LEMON, which has newer manuals. It also contains all the CHARM manuals.

LEMON is the spiritual successor to CHARM, I recommend you try it!

Link: lemon-manuals.la or lemon-manuals.org.ua

(Some people have issue connecting. LEMON is investigating. For now, use Firefox or change your DNS server)

Or, hide this message: temporarily or permanently

Compressor Clutch: Testing and Inspection


MAGNETIC CLUTCH DIAGNOSIS




Magnetic Clutch Does Not Run (Part 1):




Magnetic Clutch Does Not Run (Part 2):




Magnetic Clutch Does Not Run (Part 3):




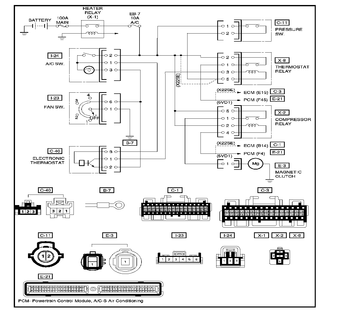
When the air conditioning switch and the fan control knob (fan switch) are turned on with the engine running, current flows through the thermostat and the compressor relay to activate the magnetic clutch.

The air conditioning can be stopped by turning of the air conditioning switch or the fan control knob (fan switch). However, even when the air conditioning is in operation, the electronic thermostat, the pressure switch or the Powertrain Control Module (PCM:V6-3.2L)/Engine Control Module (ECM:L4-2.2L) is used to stop the air conditioning temporarily by turning off the magnetic clutch in the prearranged conditions to reduce the engine load which is being caused by the rise in the engine coolant temperature, and the acceleration of the vehicle, etc.

For the inspection of the relays, switches and units in the table, refer to Individual Inspection.