Operation CHARM: Car repair manuals for everyone.
Manuals through 2025 now available!

Our trusted friends have launched a new website named LEMON, which has newer manuals. It also contains all the CHARM manuals.

LEMON is the spiritual successor to CHARM, I recommend you try it!

Link: lemon-manuals.la or lemon-manuals.org.ua

(Some people have issue connecting. LEMON is investigating. For now, use Firefox or change your DNS server)

Or, hide this message: temporarily or permanently

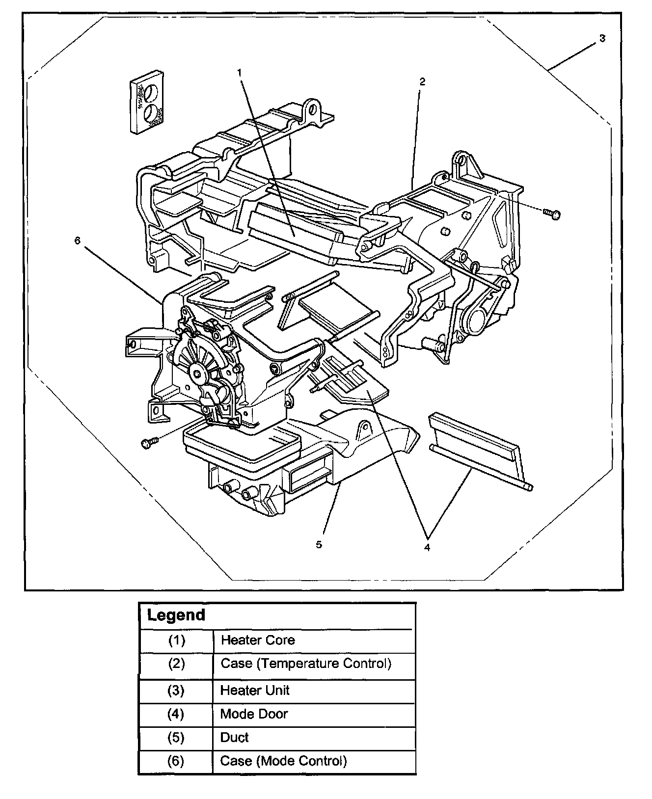
Heater Core: Service and Repair

HEATER CORE AND / OR MODE DOOR

Disassembled View:






REMOVAL

1. Disconnect the battery ground cable.

2. Drain the engine coolant.

3. Discharge and recover refrigerant (with air conditioning).
- Refer to Refrigerant Recovery.

4. Remove heater unit.
- Refer to Heater Unit.

5. Remove duct.

6. Remove case (Mode control) and do not remove link unit at this step.




7. Remove case (Temperature control) separate two halves of core case.




8. Remove heater core (1).




9. Pull out the mode door while raising up the catch of the door lever.

INSTALLATION

To install, follow the removal steps in the reverse order, noting the following point:
1. Check that each mode door operates properly.