Operation CHARM: Car repair manuals for everyone.
Manuals through 2025 now available!

Our trusted friends have launched a new website named LEMON, which has newer manuals. It also contains all the CHARM manuals.

LEMON is the spiritual successor to CHARM, I recommend you try it!

Link: lemon-manuals.la or lemon-manuals.org.ua

(Some people have issue connecting. LEMON is investigating. For now, use Firefox or change your DNS server)

Or, hide this message: temporarily or permanently

Engine Cranks But Does Not Run

Engine Cranks But Will Not Run

Engine Cranks But Will Not Run:







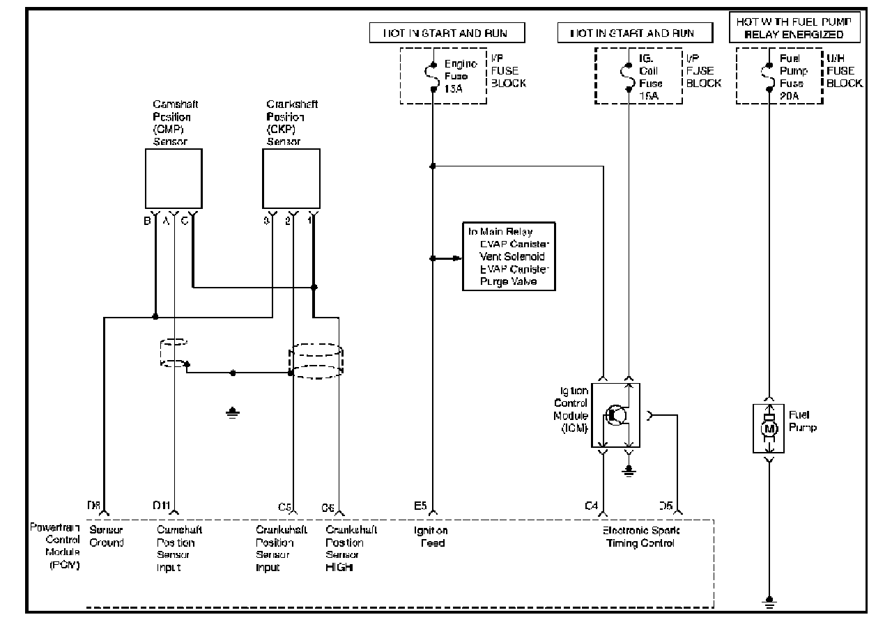
Circuit Description
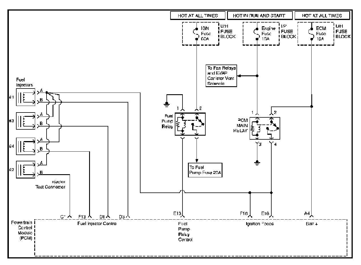
The electronic ignition system uses a dual coil method of spark distribution. In this type of ignition system, the powertrain control module (PCM) triggers the correct driver inside the ignition control module (ICM), which then triggers the correct ignition coil based on the 58X signal received from the crankshaft position sensor (CKP). The spark plug connected to the coil fires when the ICM opens the ground circuit for the coils primary circuit.

During crank, the PCM monitors the CKP 58X signal. The CKP signal is used to determine which cylinder will fire first. After the CKP 58X signal has been processed by the PCM, it will command all four injectors to allow a priming shot of fuel for all the cylinders. After the priming, the injectors are left OFF during the next four 58X reference pulses from the CKP. This allows each cylinder a chance to use the fuel from the priming shot. During this waiting period, a camshaft position (CMP) signal pulse will have been received by the PCM. The CMP signal allows the PCM to operate the injectors sequentially based on camshaft position. If the camshaft position signal is not present at start-up, the PCM will begin sequential fuel delivery with a 1-in-4 chance that fuel delivery is correct.

The engine will run without a CMP signal, but will set a DTC code.

Step 1 - 6:




Step 7 - 19:




Step 20 - 30:




Step 31 - 35:




Diagnostic Aids
An intermittent problem may be caused by a poor connection, rubbed-through wire insulation or a wire broken inside the insulation. Check for the following items:
- Poor connection or damaged harness - Inspect the PCM harness and connectors for improper mating, broken locks, improperly formed or damaged terminals, poor terminal-to-wire connection, and damaged harness.
- Faulty engine coolant temperature sensor - Using a Tech 2, compare engine coolant temperature with intake air temperature on a completely cool engine. Engine coolant temperature should be within 10 °C of intake air temperature. If not, replace the ECT sensor.