Operation CHARM: Car repair manuals for everyone.
Manuals through 2025 now available!

Our trusted friends have launched a new website named LEMON, which has newer manuals. It also contains all the CHARM manuals.

LEMON is the spiritual successor to CHARM, I recommend you try it!

Link: lemon-manuals.la or lemon-manuals.org.ua

(Some people have issue connecting. LEMON is investigating. For now, use Firefox or change your DNS server)

Or, hide this message: temporarily or permanently

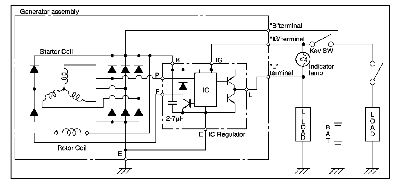
System Inspection

GENERAL ON-VEHICLE INSPECTION

The operating condition of charging system is indicated by the charge warning lamp. The warning lamp comes on when the starter switch is turned to ON position. The charging system operates normally if the lamp goes off when the engine starts.

If the warning lamp shows abnormality or if undercharged or overcharged battery condition is suspected, perform diagnosis by checking the charging system as follows:




1. Check visually the belt and wiring connector.
2. With the engine stopped, turn the stator switch to "ON" position and observe the warning lamp.

If lamp does not come on:
Disconnect wiring connector from generator, and ground the terminal "L" on connector side.

If lamp comes on:
Repair or replace the generator.