Operation CHARM: Car repair manuals for everyone.
Manuals through 2025 now available!

Our trusted friends have launched a new website named LEMON, which has newer manuals. It also contains all the CHARM manuals.

LEMON is the spiritual successor to CHARM, I recommend you try it!

Link: lemon-manuals.la or lemon-manuals.org.ua

(Some people have issue connecting. LEMON is investigating. For now, use Firefox or change your DNS server)

Or, hide this message: temporarily or permanently

Wire Color Coding

Wire Color:




Wiring




Wire Color
All wires have color-coded insulation.

Wires belonging to a system's main harness will have a single color. Wires belonging to a system's sub-circuits will have a colored stripe. Striped wires use the following code to show wire size and colors.

Abbreviations are used to indicate wire color within a circuit diagram. Refer to the following table.

Wiring Color Coding:




Wire Color Coding

Description Of Circuit By Wire Base Color:




Description of Circuit by Wire Base Color




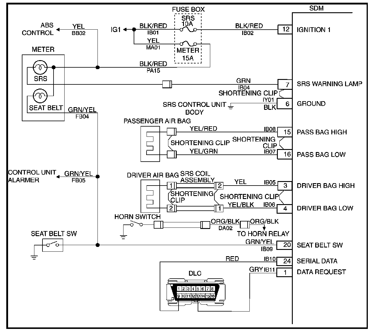
System Schematic