Operation CHARM: Car repair manuals for everyone.
Manuals through 2025 now available!

Our trusted friends have launched a new website named LEMON, which has newer manuals. It also contains all the CHARM manuals.

LEMON is the spiritual successor to CHARM, I recommend you try it!

Link: lemon-manuals.la or lemon-manuals.org.ua

(Some people have issue connecting. LEMON is investigating. For now, use Firefox or change your DNS server)

Or, hide this message: temporarily or permanently

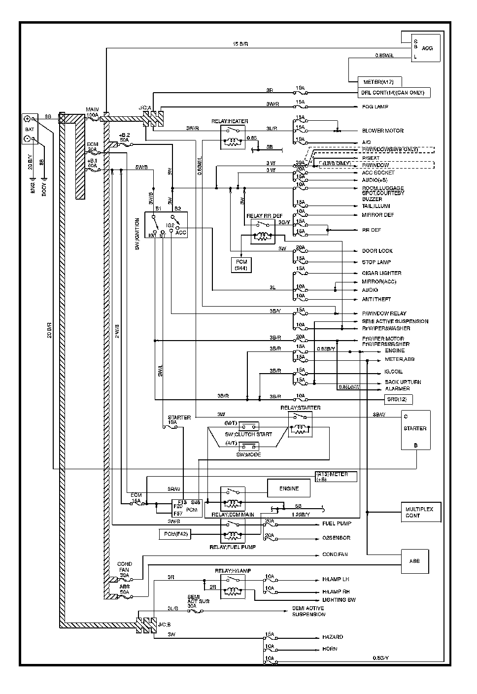
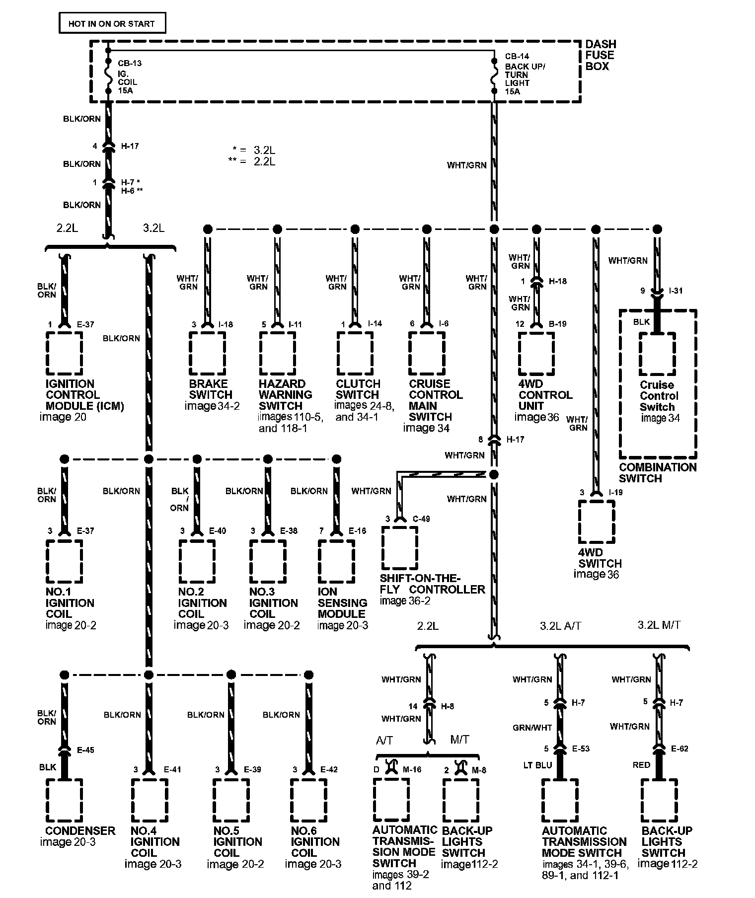
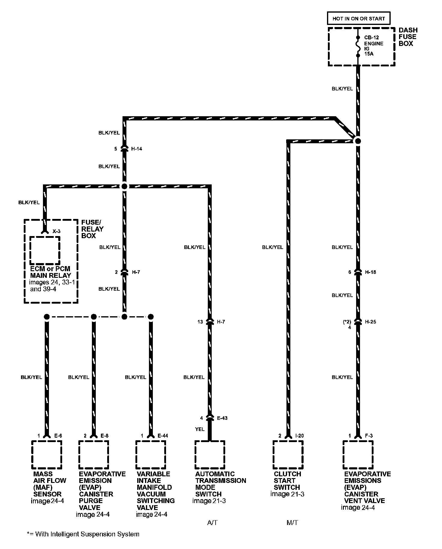
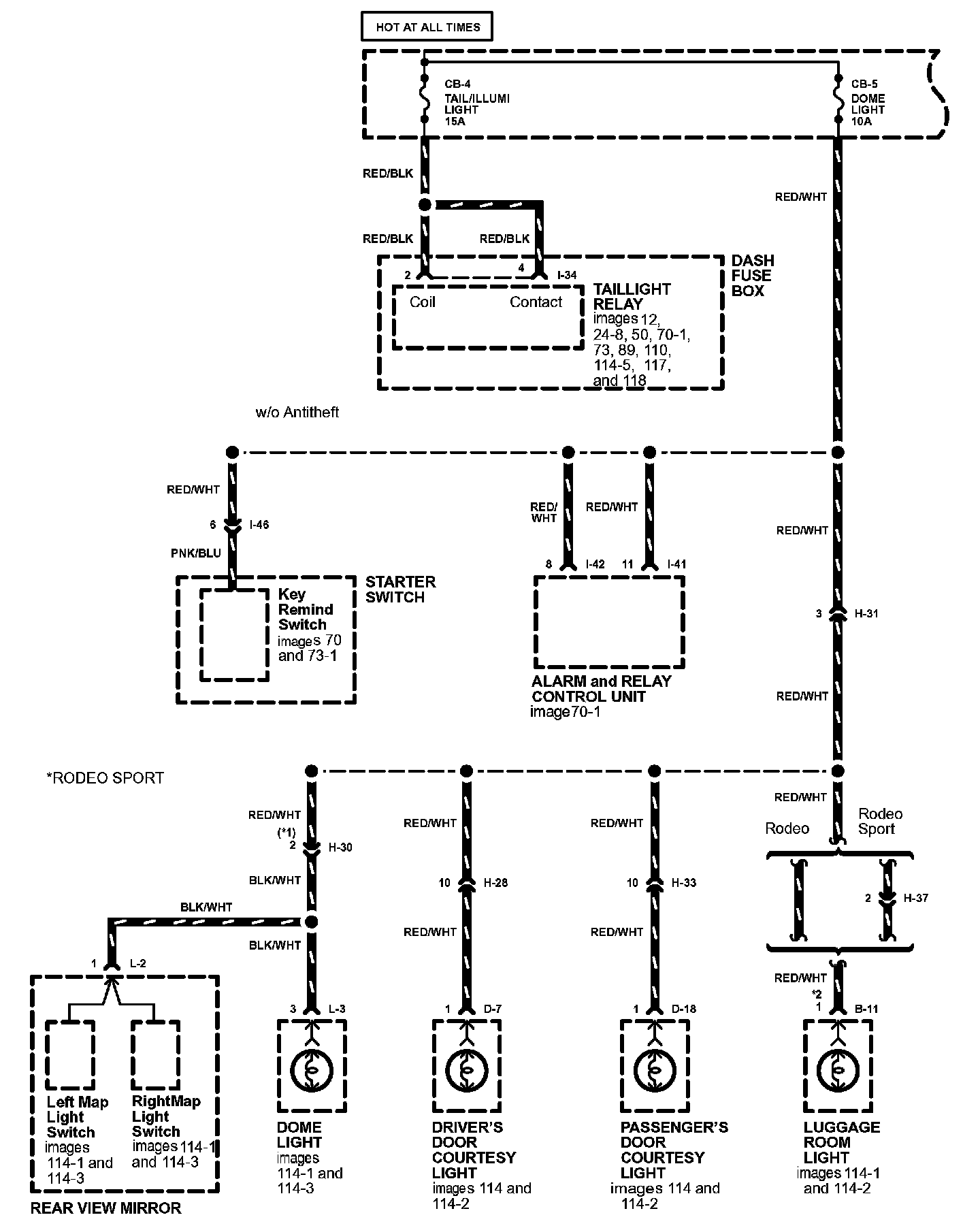
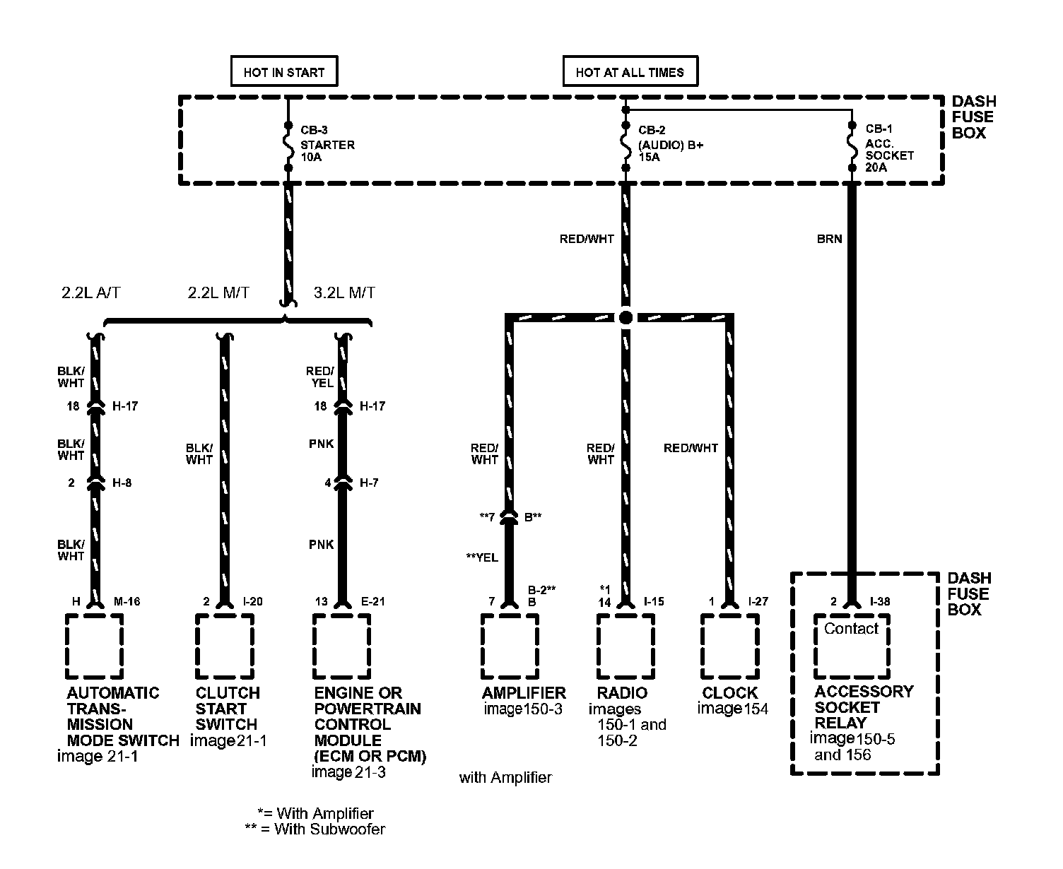
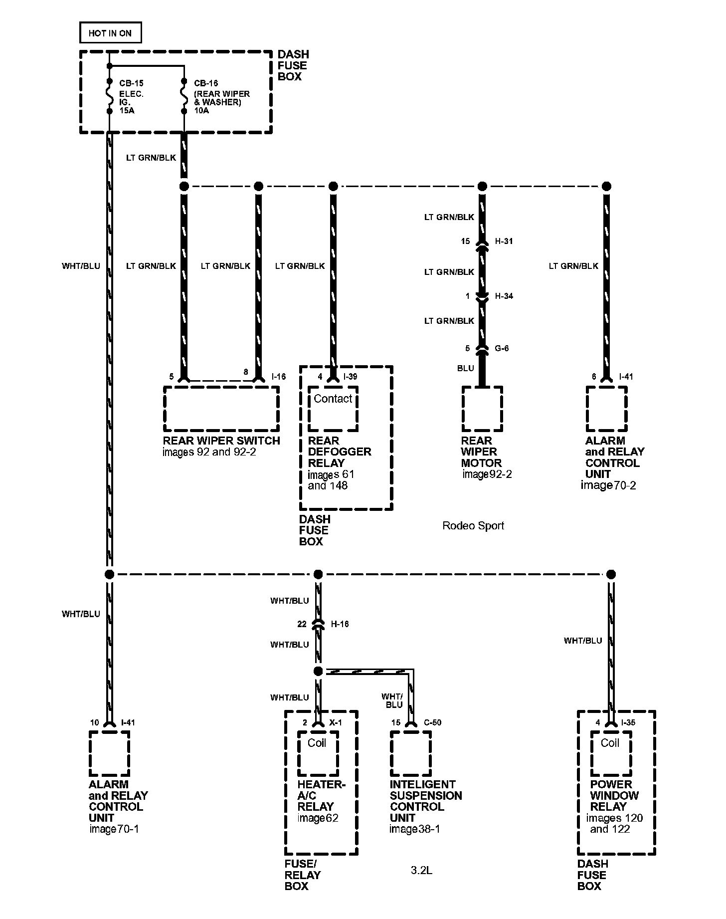
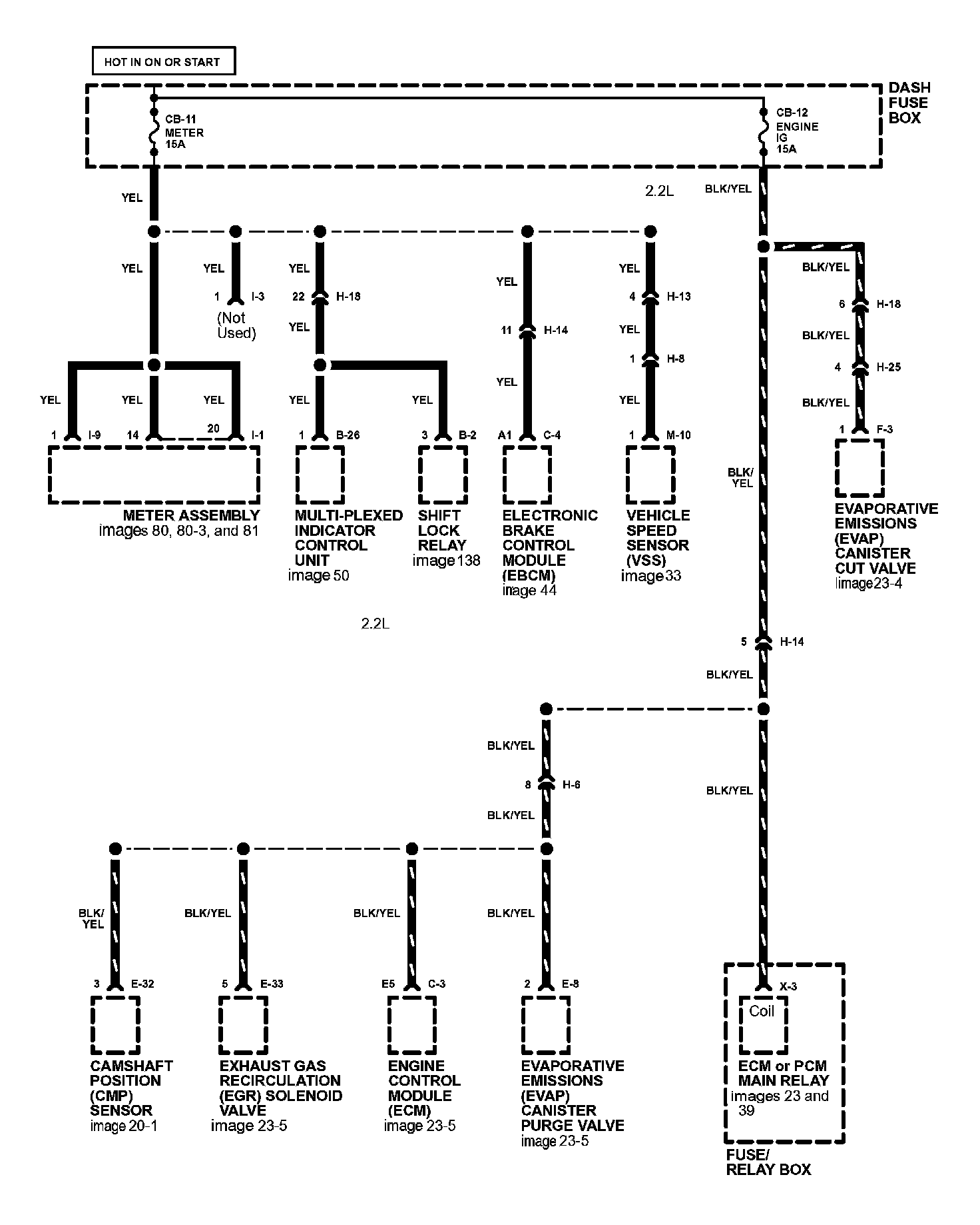
Dash Fuse Box

Fuse Block Circuit-2:



Dash Fuse Box Image 11:



Dash Fuse Box Image 11-1:



Dash Fuse Box Image 11-2:



Dash Fuse Box Image 11-3:



Dash Fuse Box Image 11-4:



Dash Fuse Box Image 11-5:



Dash Fuse Box Image 11-6:



Dash Fuse Box Image 11-7: