Operation CHARM: Car repair manuals for everyone.
Manuals through 2025 now available!

Our trusted friends have launched a new website named LEMON, which has newer manuals. It also contains all the CHARM manuals.

LEMON is the spiritual successor to CHARM, I recommend you try it!

Link: lemon-manuals.la or lemon-manuals.org.ua

(Some people have issue connecting. LEMON is investigating. For now, use Firefox or change your DNS server)

Or, hide this message: temporarily or permanently

Fuel System Electrical Test

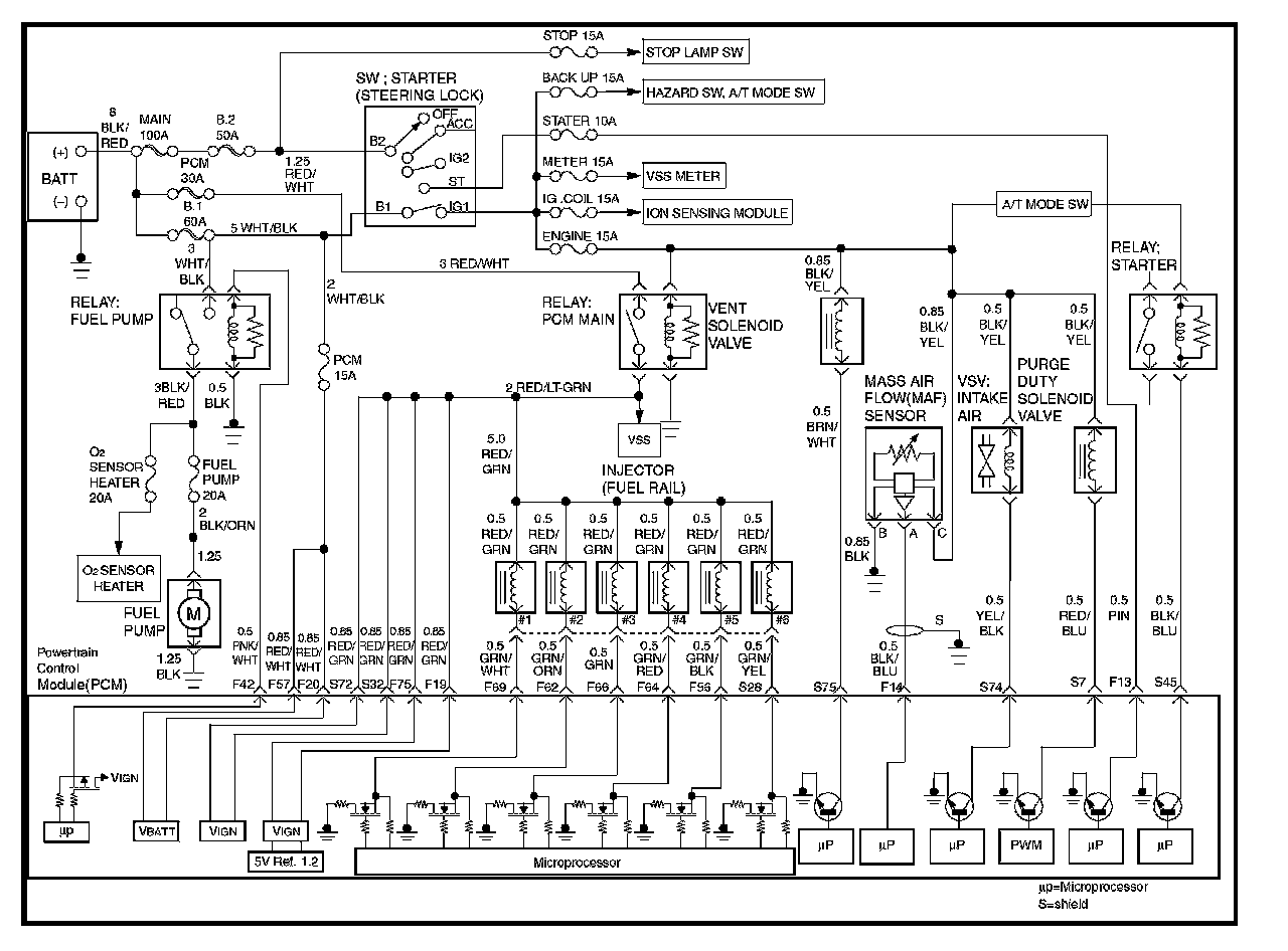
Wiring Diagram:




Circuit Description
When the ignition switch is first turned "ON," the powertrain control module (PCM) energizes the fuel pump relay which applies power to the in-tank fuel pump. The fuel pump relay will remain "ON" as long as the engine is running or cranking and the PCM is receiving 58X crankshaft position pulses. If no 58X crankshaft position pulses are present, the PCM de-energizes the fuel pump relay within 2 seconds after the ignition is turned "ON" or the engine is stopped.

The fuel pump delivers fuel to the fuel rail and injectors, then to the fuel pressure regulator. The fuel pressure regulator controls fuel pressure by allowing excess fuel to be returned to the fuel tank. With the engine stopped and ignition "ON," the fuel pump can be turned "ON" by using a command by the Tech 2.

Diagnostic Aids
An intermittent may be caused by a poor connection, rubbed-through wire insulation, or a wire broken inside the insulation. Check for the following items:
- Poor connection or damaged harness - Inspect the PCM harness and connectors for improper mating, broken locks, improperly formed or damaged terminals, poor terminal-to-wire connection, and damaged harness.

Test Description
Number(s) below refer to the step number(s) on the Diagnostic Chart:
2. If the fuel pump is operating but incorrect pressure is noted, the fuel pump wiring is OK and the "Fuel System Pressure Test" chart should be used for diagnosis.

Caution: To reduce the risk of fire and personal injury:
- It is necessary to relieve fuel system pressure before connecting a fuel pressure gauge. Refer to Fuel Pressure Relief Procedure, below.
- A small amount of fuel may be released when disconnecting the fuel lines. Cover fuel line fittings with a shop towel before disconnecting, to catch any fuel that may leak out. Place the towel in an approved container when the procedure is completed.

Fuel Pressure Relief Procedure
1. Remove the fuel cap.
2. Remove the fuel pump relay from the underhood relay center.
3. Start the engine and allow it to stall.
4. Crank the engine for an additional 3 seconds.

Fuel Gauge Installation
1. Remove the shoulder fitting cap.
2. Install fuel gauge J 34730-1 to the fuel feed line located in front of and above the right side valve train cover .
3. Reinstall the fuel pump relay.

Step 1:




Step 2 - 7:




Step 8 - 12:




Step 13 - 18:




Fuel System Electrical Test