Operation CHARM: Car repair manuals for everyone.
Manuals through 2025 now available!

Our trusted friends have launched a new website named LEMON, which has newer manuals. It also contains all the CHARM manuals.

LEMON is the spiritual successor to CHARM, I recommend you try it!

Link: lemon-manuals.la or lemon-manuals.org.ua

(Some people have issue connecting. LEMON is investigating. For now, use Firefox or change your DNS server)

Or, hide this message: temporarily or permanently

Engine Cranks But Does Not Run

Wiring Diagram Part 1:




Wiring Diagram Part 2:




Circuit Description
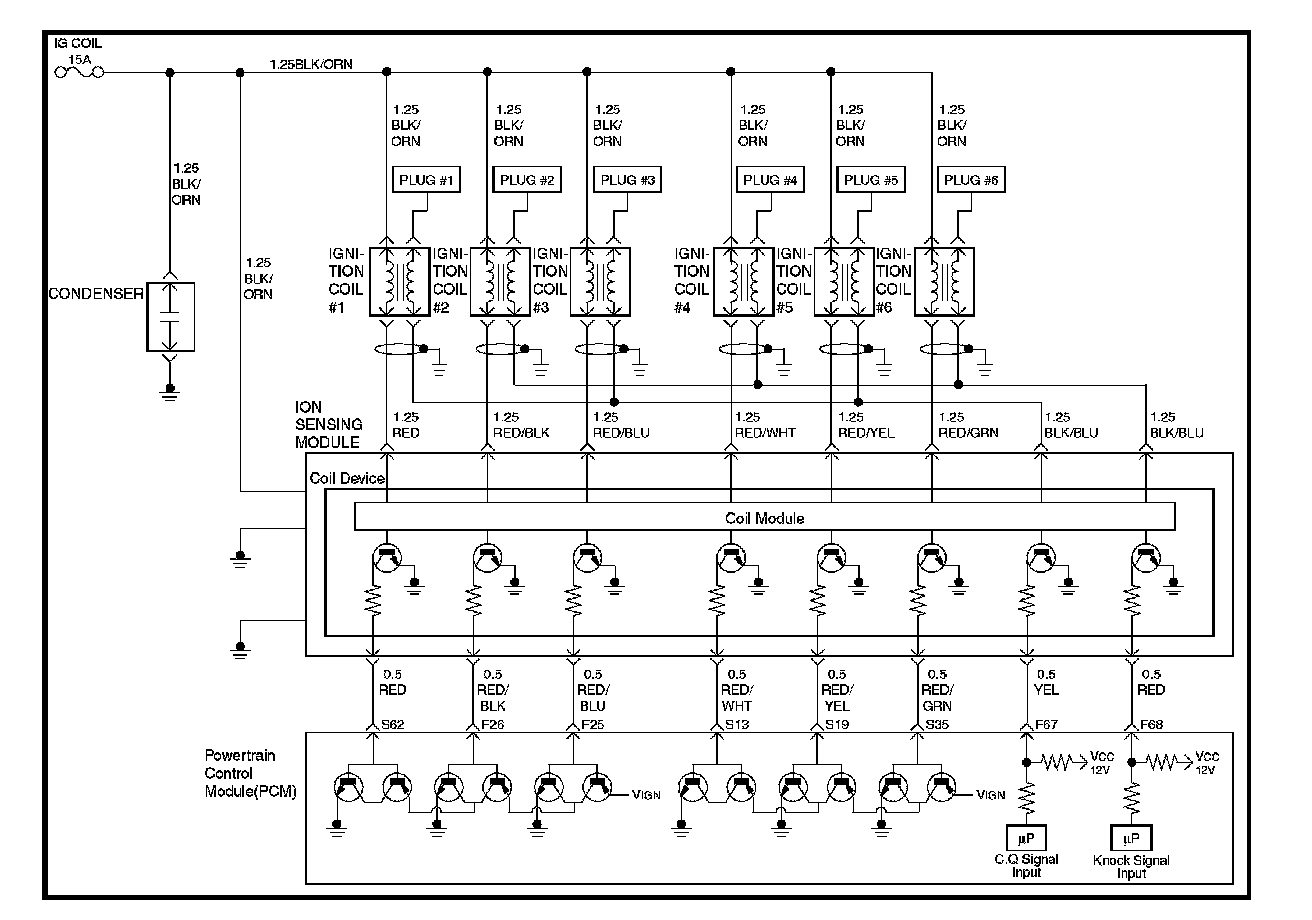
The electronic Ignition system uses a coil -at-plug method of spark distribution. In this type of ignition system, the powertrain control module (PCM) triggers the correct driver outside the Ignition Current Sense System (ICSS), which then triggers the correct ignition coil based on the 58X signal received from the crankshaft position sensor (CKP). The spark plug connected to the coil fires when the ICSS opens the ground circuit for the coil's primary circuit.

During crank, the PCM monitors the CKP 58X signal. The CKP signal is used to determine which cylinder will fire first. After the CKP 58X signal has been processed by the PCM, it will command all six injectors to allow a priming shot of fuel for all the cylinders. After the priming, the injectors are left "OFF" during the next six 58X reference pulses from the CKP. This allows each cylinder a chance to use the fuel from the priming shot. During this waiting been received by the PCM. The ION sensor signal allows the PCM to operate the injectors sequentially based on camshaft position. If the camshaft position signal is not present at start - up, the PCM will begin sequential fuel delivery with a 1 -in-6 chance that fuel delivery is correct.

The engine will run without a ION sensor signal, but will set a DTC code.

Diagnostic Aids
An intermittent problem may be caused by a poor connection, rubbed - through wire insulation or a wire broken inside the insulation. Check for the following items:
- Poor connection or damaged harness - Inspect the PCM harness and connectors for improper mating, broken locks, improperly formed or damaged terminals, poor terminal-to-wire connection, and damaged harness.
- Faulty engine coolant temperature sensor-Using a Tech 2, compare engine coolant temperature with intake air temperature on a completely cool engine. Engine coolant temperature should be within 10 °C of intake air temperature. If not, replace the ECT sensor.

Step 1 - 3:




Step 4 - 9:




Step 10 - 17:




Step 18 - 22:




Step 23 - 28:




Step 29 - 33:




Step 34 - 39:




Test Description
Number(s) below refer to the step number(s) on the Diagnostic Chart.
5. An obvious cause of low fuel pressure would be an empty fuel tank.
6. The engine will easily start and run if a few injectors are disabled. It is not necessary to test all injectors at this time since this step is only a test to verify that all of the injectors have not been disabled by fuel contamination.
7. A blinking test light verifies that the PCM monitoring the 58X crankshaft reference signal and is capable of activating the injectors. If there is an open or shorted driver circuit, DTCs 201 - 206 and a misfire DTC 300 - 306 should be set.
19. By using a spark tester, each ignition coil's ability to produce 25,000 volts is verified.
25. If there is an open or shorted driver circuit, DTCs 201 - 206 and a misfire DTC 301 - 306 should be set. All six injector driver circuits can be checked at one time without removing the intake manifold if a J 39021 - 95 test light is available. This is the alternative procedure:
- With the ignition "OFF", disconnect the gray connector located at the rear of the air filter, attached to a bracket on the purge canister.
- Connect test light J 39021 - 95 to the connector. Do any of the light constantly illuminate or fail to blink when the engine is cranked? If so, repair the short or open circuit, or replace the PCM if indicated.

This procedure only tests the driver circuit as far as the test connection, so step 31 is added to test the circuit all the way to the injector.
Engine Cranks But Will Not Run