Operation CHARM: Car repair manuals for everyone.
Manuals through 2025 now available!

Our trusted friends have launched a new website named LEMON, which has newer manuals. It also contains all the CHARM manuals.

LEMON is the spiritual successor to CHARM, I recommend you try it!

Link: lemon-manuals.la or lemon-manuals.org.ua

(Some people have issue connecting. LEMON is investigating. For now, use Firefox or change your DNS server)

Or, hide this message: temporarily or permanently

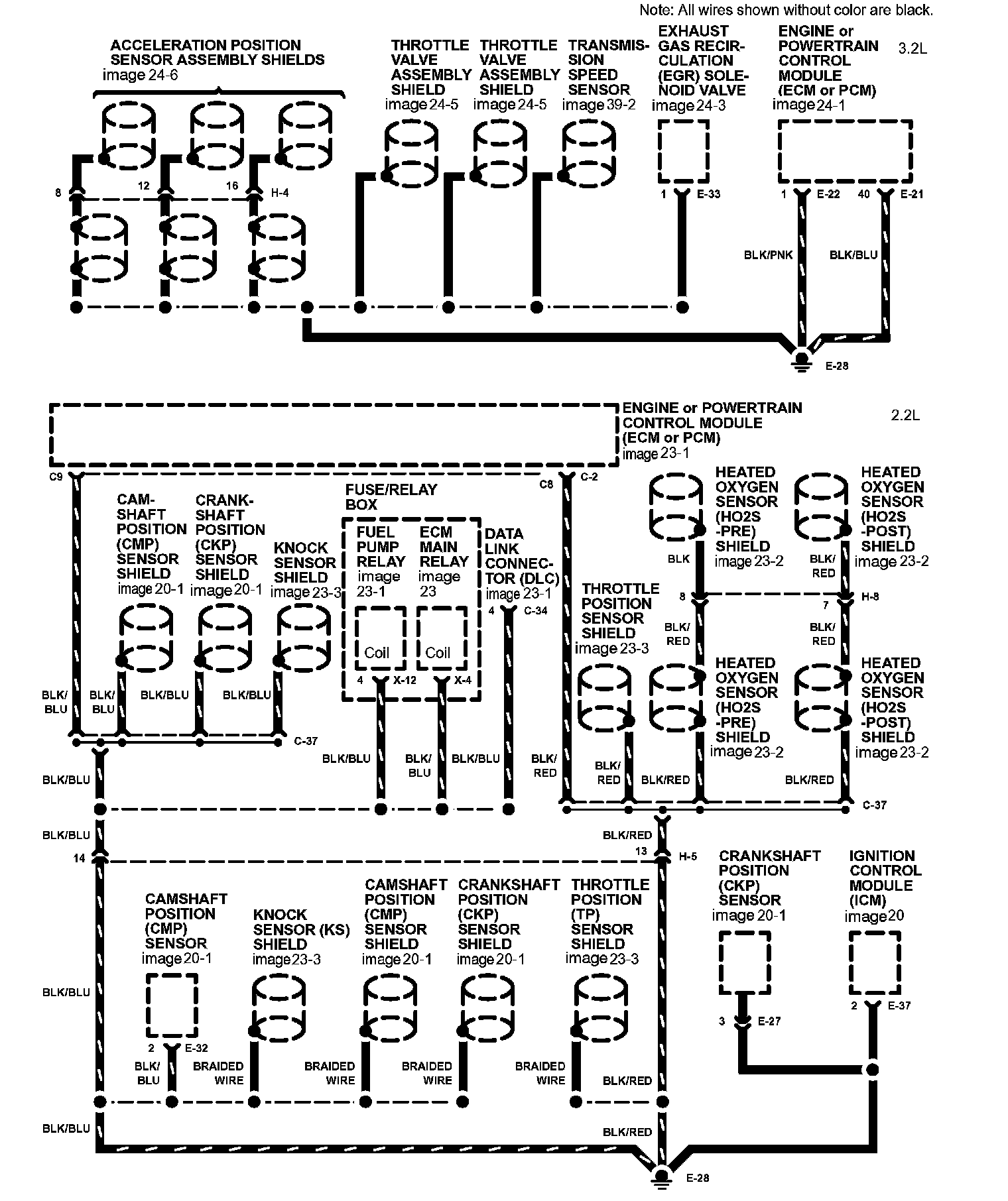
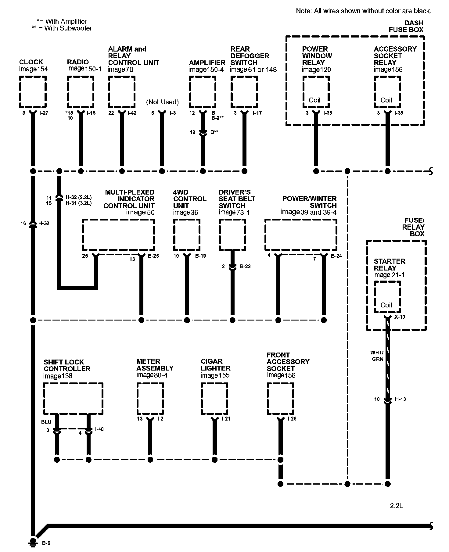
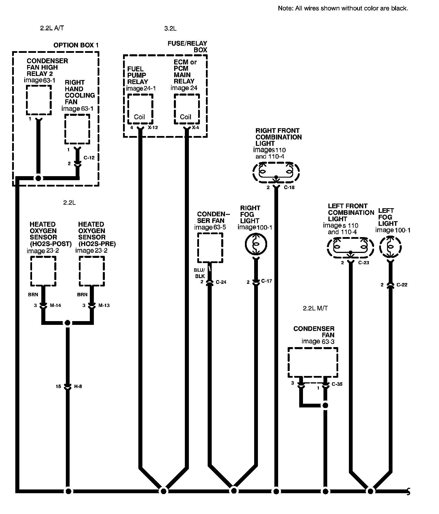
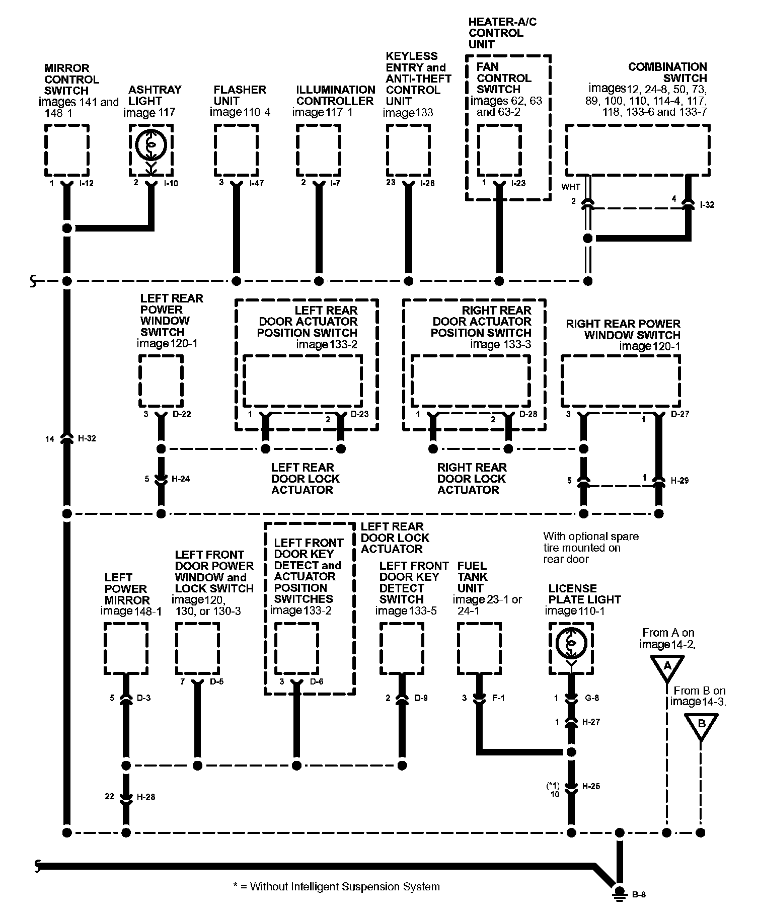
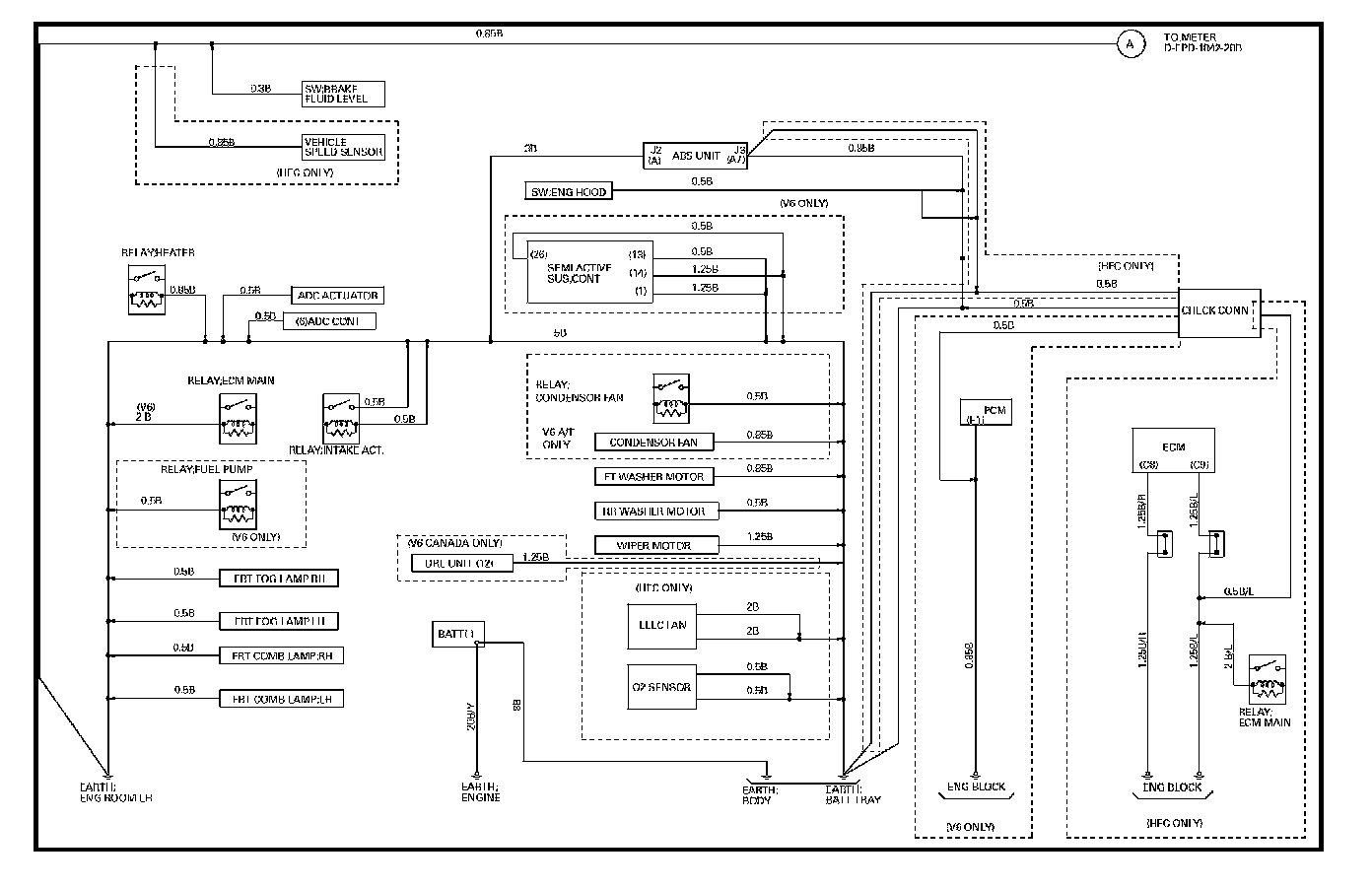
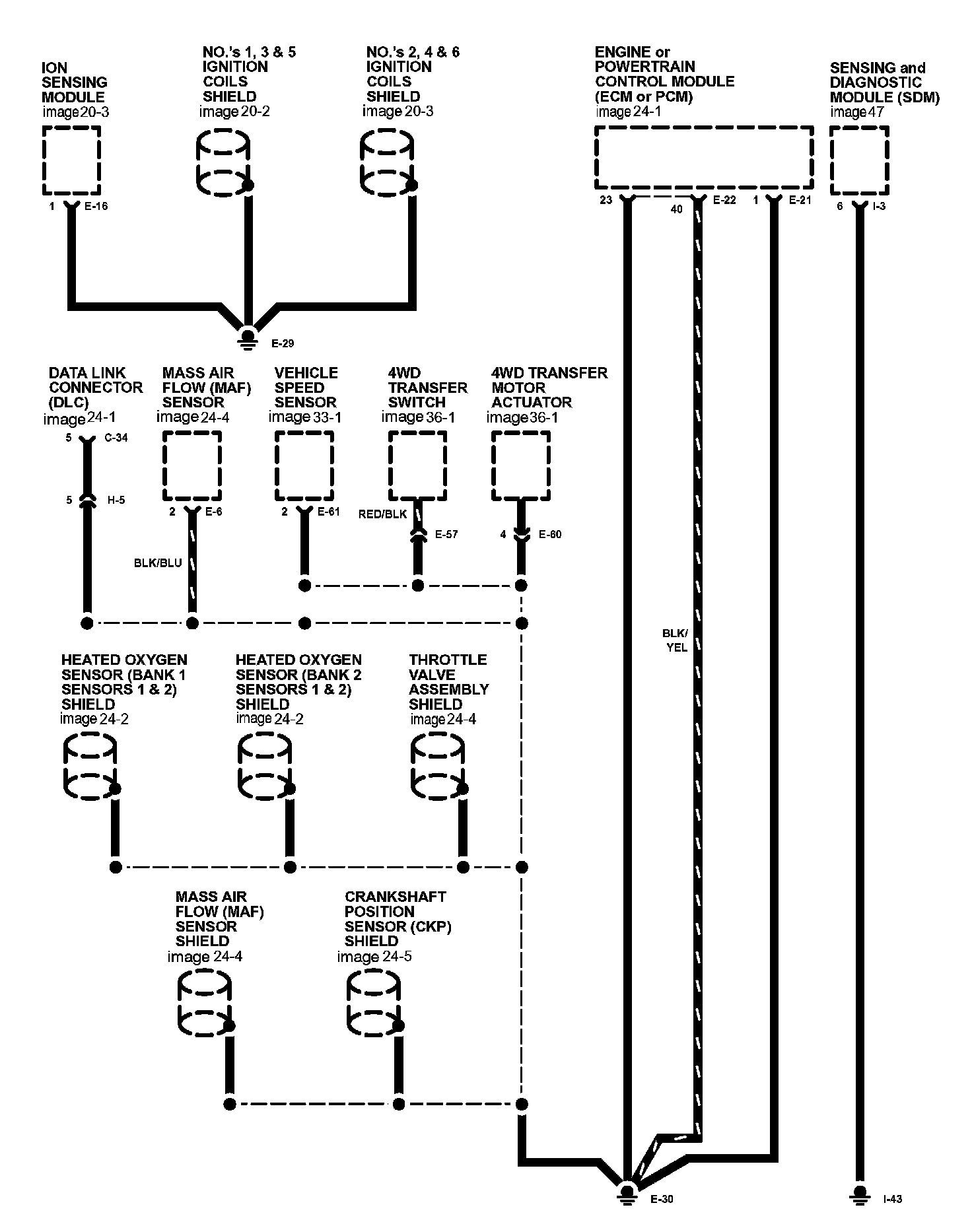
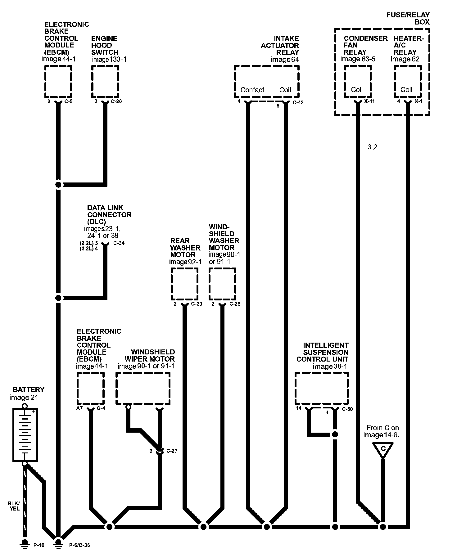
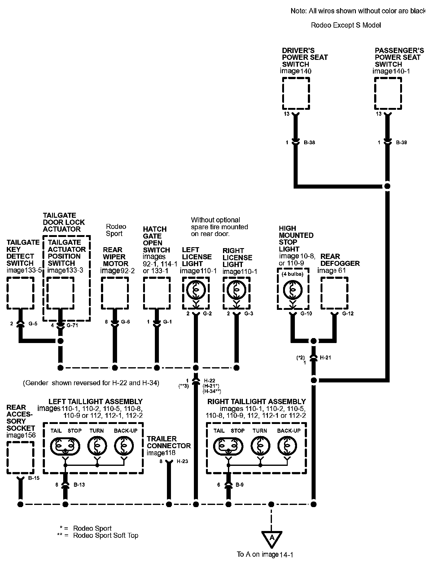
Grounding Point: Diagrams

Earth Location (Engine Room):



Earth Location (Cabin):



Ground Distribution Image 14:



Ground Distribution Image 14-1:



Ground Distribution Image 14-2:



Ground Distribution Image 14-3:



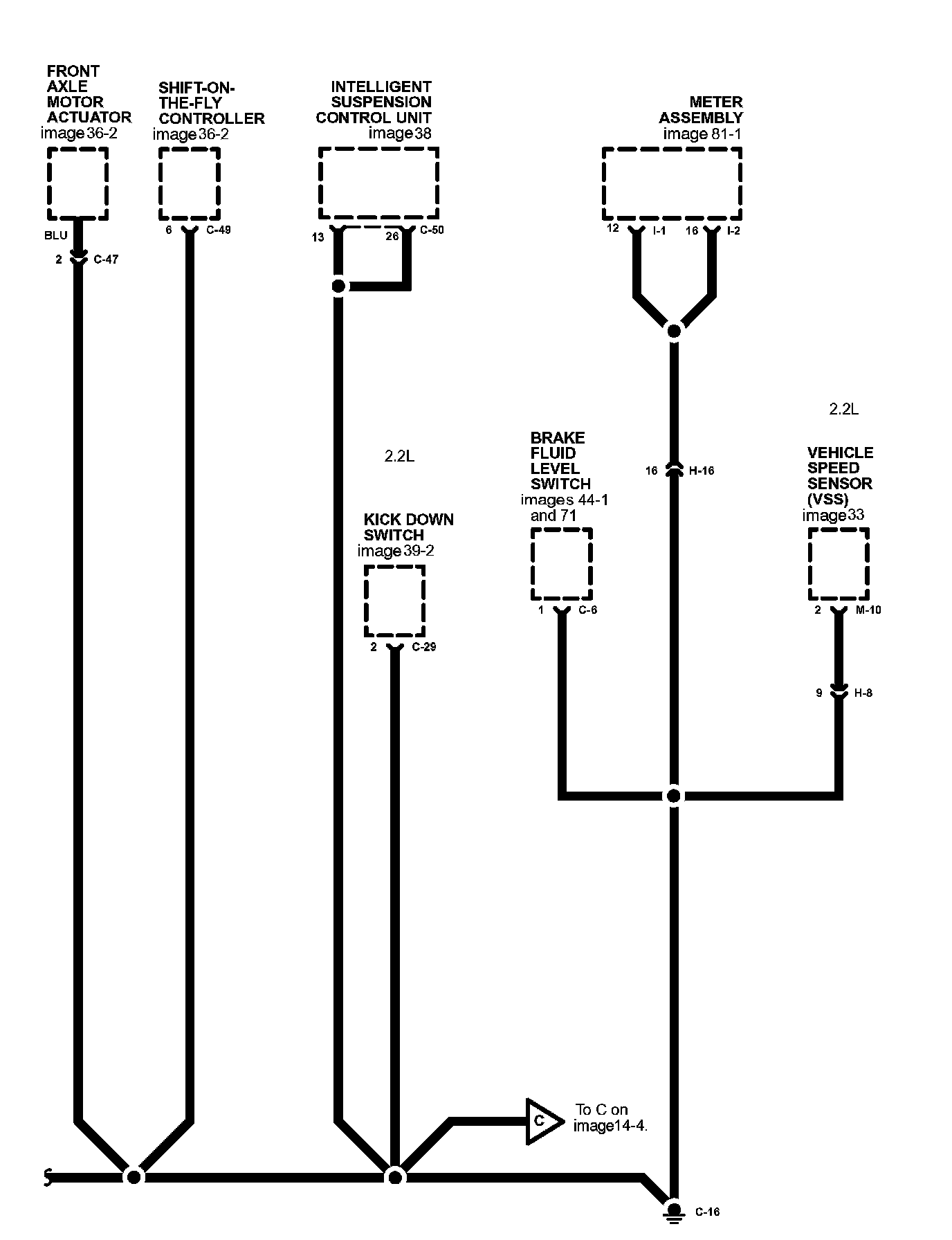
Ground Distribution Image 14-4:



Ground Distribution Image 14-5:



Ground Distribution Image 14-6:



Ground Distribution Image 14-7:



Ground Distribution Image 14-8: