Operation CHARM: Car repair manuals for everyone.
Manuals through 2025 now available!

Our trusted friends have launched a new website named LEMON, which has newer manuals. It also contains all the CHARM manuals.

LEMON is the spiritual successor to CHARM, I recommend you try it!

Link: lemon-manuals.la or lemon-manuals.org.ua

(Some people have issue connecting. LEMON is investigating. For now, use Firefox or change your DNS server)

Or, hide this message: temporarily or permanently

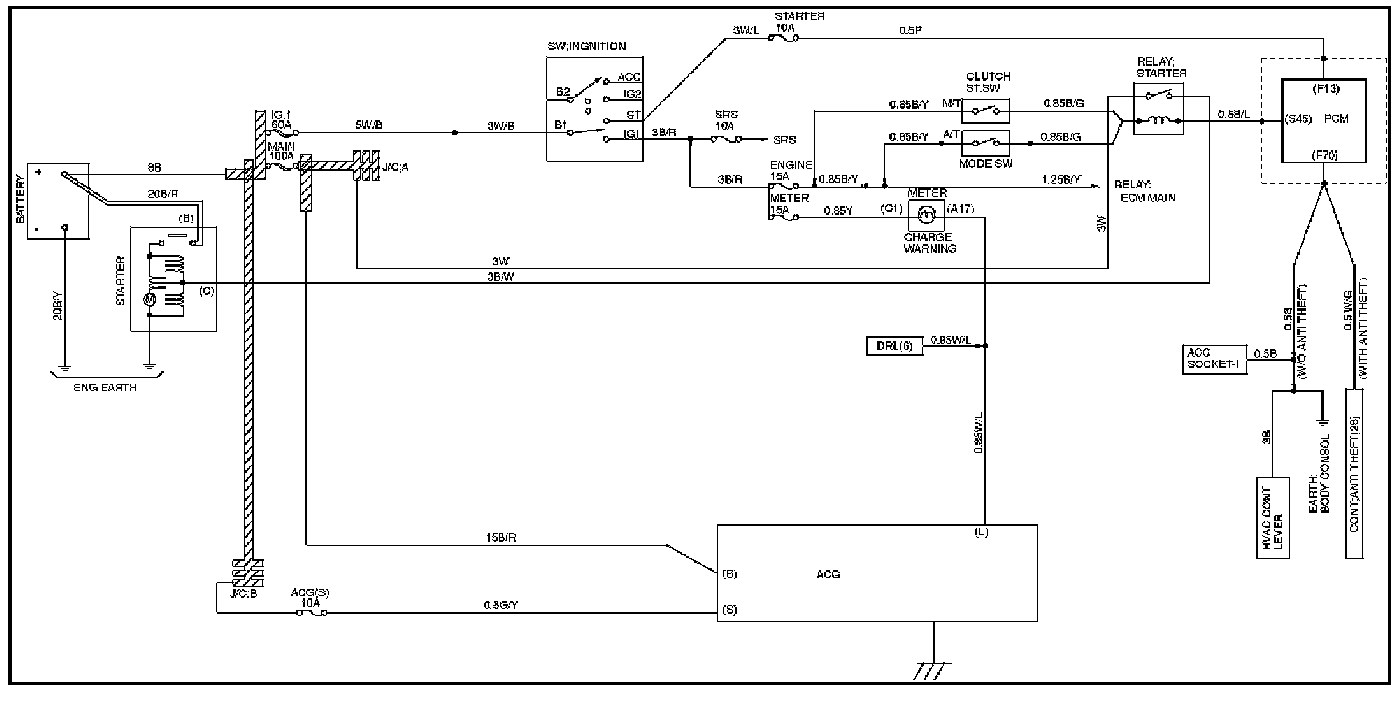
Starting System: Description and Operation

General Description

Cranking Circuit




The cranking system consists of a battery, starter, starter switch, starter relay, etc. These main components are connected.

Starter
The cranking system employs a magnetic type reduction starter in which the motor shaft is also used as a pinion shaft. When the starter switch is turned on, the contacts of magnetic switch are closed, and the armature rotates. At the same time, the plunger is attracted, and the pinion is pushed forward by the shift lever to mesh with the ring gear.

Then, the ring gear runs to start the engine. When the engine starts and the starter switch is turned off, the plunger returns, the pinion is disengaged from the ring gear, and the armature stops rotation. When the engine speed is higher than the pinion, the pinion idles, so that the armature is not driven.