Operation CHARM: Car repair manuals for everyone.
Manuals through 2025 now available!

Our trusted friends have launched a new website named LEMON, which has newer manuals. It also contains all the CHARM manuals.

LEMON is the spiritual successor to CHARM, I recommend you try it!

Link: lemon-manuals.la or lemon-manuals.org.ua

(Some people have issue connecting. LEMON is investigating. For now, use Firefox or change your DNS server)

Or, hide this message: temporarily or permanently

Removal

Removal

Note: Before remove the transmission and transfer assembly from the vehicle, change the transfer mode to 2WD using push button on dash panel.

1. Remove engine hood.
2. Disconnect battery ground cable.
3. Remove the gear control lever knob.
4. Remove the front console assembly.
5. Remove the grommet assembly.





6. Remove the transmission control lever and transfer control lever.
7. Remove transfer protector.





8. Remove the rear propeller shaft.

Note: Apply alignment marks on the flange at the both front and rear sides.





9. Remove the front propeller shaft.

Note: Apply alignment marks on the flange at both the front and rear sides.





10. Disconnect the reverse lamp switch, 4WD indicator switch, 1-2 indicator switch harness connectors.





11. Disconnect the speed sensor and 2WD-4WD actuator harness connectors.





12. Disconnect the 4WD indicator harness connector.





13. Remove two transmission harness clamps from the transmission case and bracket.





14. Remove four fuel pipe bracket.





15. Remove the heat protector.





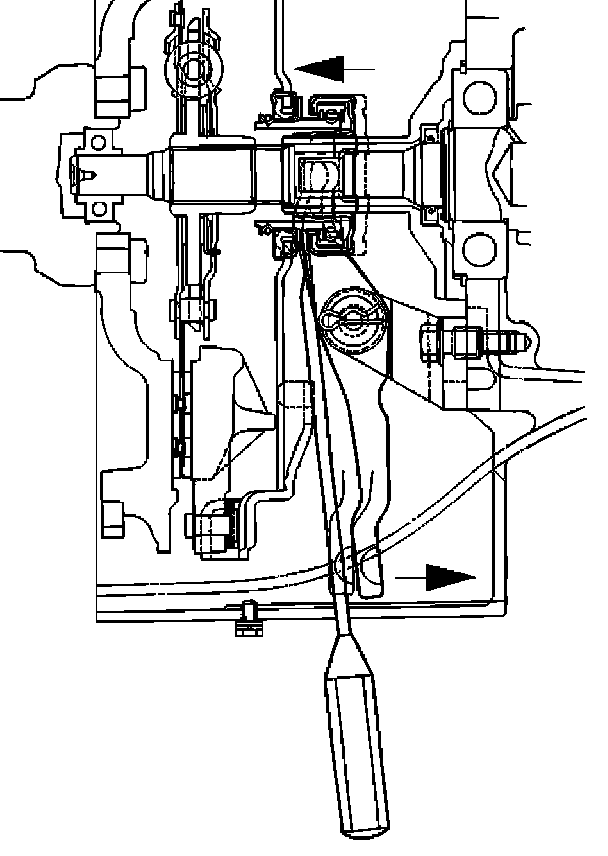
16. Remove the slave cylinder.
^ Remove the dust cover from the clutch housing.
17. Support the transfer case with a jack.





18. Remove two engine rear mount nuts.
19. Remove third crossmember.
20. Disconnect four oxygen sensor connectors from the transmission harness.
21. Remove the right front exhaust pipe and catalytic converter assembly.
22. Remove the harness heat protector.
23. Remove two engine rear mount bolts.
24. Remove the rear mount from the transmission.
25. Remove three flywheel under cover.





26. Support the transmission with a transmission jack and then remove jack from the transfer case side.





27. Use the clutch release bearing remover J-39207 to disconnect the clutch release bearing from the clutch pressure plate.

Release bearing disconnection











1. Pull the shift fork toward the transmission to press the clutch release bearing against the clutch.
2. Insert the clutch release bearing remover between the wedge collar and the release bearing.
3. Turn the remover to separate the release bearing.

Note: Be sure not to insert the remover between the wedge collar and the clutch.

28. Remove the transmission retaining nuts and bolts.
29. Remove the transmission assembly with transfer case from the vehicle.

Note: Remove the transfer case from the transmission assembly if the transmission disassembly required.