Operation CHARM: Car repair manuals for everyone.
Manuals through 2025 now available!

Our trusted friends have launched a new website named LEMON, which has newer manuals. It also contains all the CHARM manuals.

LEMON is the spiritual successor to CHARM, I recommend you try it!

Link: lemon-manuals.la or lemon-manuals.org.ua

(Some people have issue connecting. LEMON is investigating. For now, use Firefox or change your DNS server)

Or, hide this message: temporarily or permanently

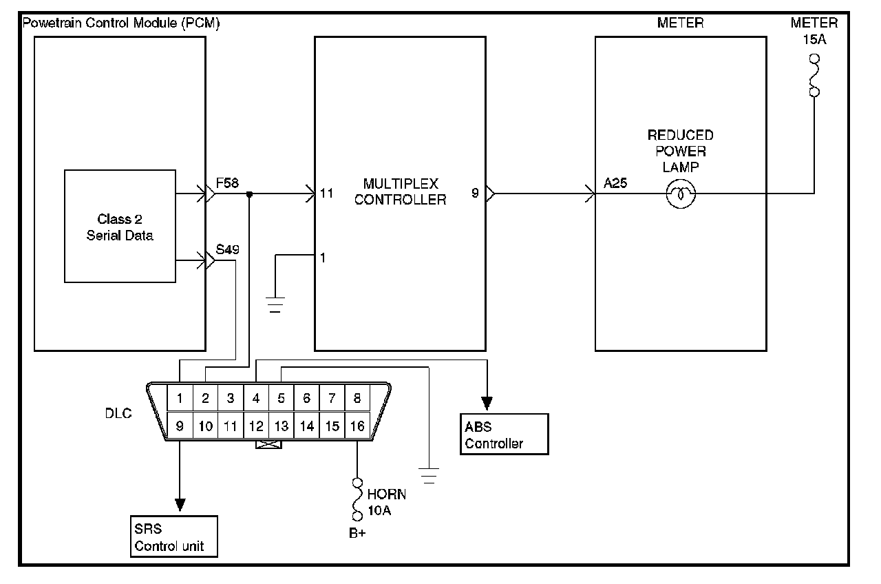
No Reduced Power Lamp (RPL)

Wiring Diagram:




Circuit Description
The Reduced Power lamp (RPL) should always be illuminated and steady with the ignition "ON" and the engine stopped. Ignition feed voltage is supplied to the RPL bulb through the meter fuse. The powertrain control module (PCM) orders the RPL "ON" signal for Multiplex Control Unit. When Multiplex Control Unit is received RPL "ON" signal that turn RPL "ON" by grounding the RPL driver circuit.
Diagnostic Aids

An intermittent RPL may be cased by a poor connection, rubbed - through wire insulation, or a wire broken inside the insulation. Check for the following items:
- Inspect the PCM and Multiplex Control Unit harness and connections for improper mating, broken locks, improperly formed or damaged terminals, poor terminal to wire connection, and damaged harness.
- If the engine runs OK, check for a faulty light bulb, an open in the MIL driver circuit, or an open in the instrument cluster ignition feed.
- If the engine cranks but will not run, check for an open PCM ignition or battery feed, or a poor PCM to engine ground.

Step 1 - 4:




Step 5 - 11:




Step 12 - 21:




Step 22 - 27:




Test Description
Number(s) below refer to the step number(s) on the Diagnostic Chart:
2. A " No RPL" condition accompanied by a no - start condition suggests a faulty PCM ignition feed or battery feed circuit.
9. Using a test light connected to B+, probe each of the Multiplex Control Unit ground terminals to ensure that a good ground is present. Refer to Multiplex Control Unit Terminal End View for terminal locations of the Multiplex Control Unit ground circuits.
12. Using a test light connected to B +, probe each of the PCM ground terminals to ensure that a good ground is present. Refer to PCM Terminal End View for terminal locations of the PCM ground circuits.
21. In this step, temporarily substitute a known good relay for the PCM relay. The horn relay is nearby, and it can be verified as "good" simply by honking the horn. Replace the horn relay after completing this step.
24. This vehicle is equipped with a PCM which utilizes an electrically erasable programmable read only memory (EEPROM). When the PCM is replaced, the new PCM must be programmed. Refer to PCM Replacement and Programming Procedures in Powertrain Control Module (PCM) and Sensors.