Operation CHARM: Car repair manuals for everyone.
Manuals through 2025 now available!

Our trusted friends have launched a new website named LEMON, which has newer manuals. It also contains all the CHARM manuals.

LEMON is the spiritual successor to CHARM, I recommend you try it!

Link: lemon-manuals.la or lemon-manuals.org.ua

(Some people have issue connecting. LEMON is investigating. For now, use Firefox or change your DNS server)

Or, hide this message: temporarily or permanently

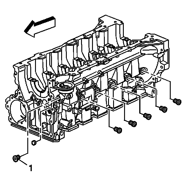
Engine Block Plug Installation



Engine Block Plug Installation




1. Add sealer GM P/N 12346004 (Canadian P/N 10953480) to the plug threads.

Notice: Refer to Fastener Notice in Cautions and Notices.

2. Install the engine block oil gallery plug to rear of block.

Tighten the engine block oil gallery plug to 80 N.m (40 lb ft).




3. Add sealer GM P/N 12346004 (Canadian P/N 10953480) to the plug threads.
4. Install the engine block oil gallery plugs to front and left of block.
- Tighten the side engine block oil gallery plugs to 35 N.m (26 lb ft).
- Tighten the front (1) engine block oil gallery plug to 80 N.m (40 lb ft).




5. Add sealer GM P/N 12346004 (Canadian P/N 10953480) to the coolant temperature sensor threads.
6. Install the coolant temperature sensor.

Tighten the coolant temperature sensor to 20 N.m (15 lb ft).




7. Add sealer GM P/N 12346004 (Canadian P/N 10953480) to the EVAP solenoid bolt threads.

Tighten the EVAP solenoid bolt to 10 N.m (89 lb in).




8. Install the knock sensors.

Tighten the knock sensors to 25 N.m (18 lb ft).




9. Add sealer GM P/N 12346004 (Canadian P/N 10953480) to the crankshaft position sensor bolt.
10. Install the crankshaft position sensor and bolt.

Tighten the crankshaft position sensor bolt to 10 N.m (89 lb in).