Operation CHARM: Car repair manuals for everyone.
Manuals through 2025 now available!

Our trusted friends have launched a new website named LEMON, which has newer manuals. It also contains all the CHARM manuals.

LEMON is the spiritual successor to CHARM, I recommend you try it!

Link: lemon-manuals.la or lemon-manuals.org.ua

(Some people have issue connecting. LEMON is investigating. For now, use Firefox or change your DNS server)

Or, hide this message: temporarily or permanently

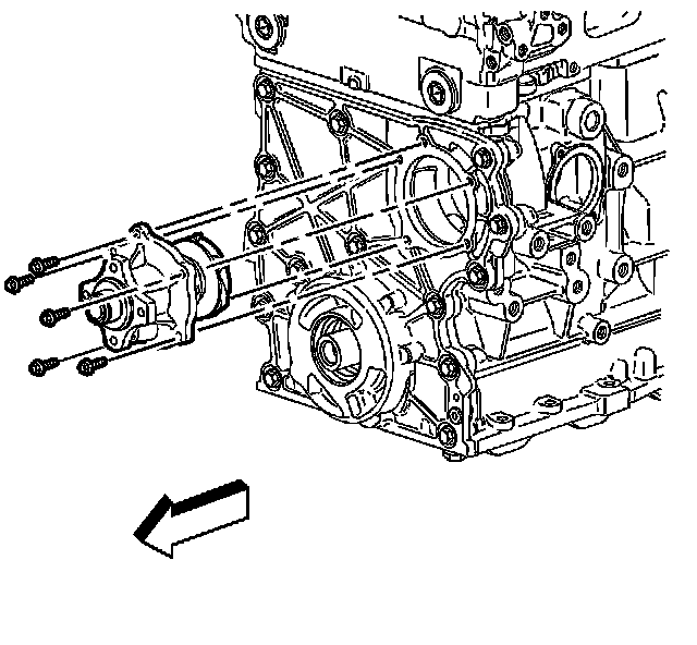
Water Pump Installation



Water Pump Installation

Tool Required

J 41240 Fan Clutch Remover and Installer




1. Install the water pump gasket.
2. Install the water pump.

Notice: Refer to Fastener Notice in Cautions and Notices.

3. Install the water pump bolts.

Tighten the water pump bolts to 10 N.m (89 lb in).




4. Install the water pump pulley.
5. Install the water pump pulley bolts.
6. Install J 41240 to hold pulley.
7. Tighten the water pump pulley bolts.

Tighten the water pump pulley bolts to 25 N.m (18 lb ft).

8. Remove J 41240.