Operation CHARM: Car repair manuals for everyone.
Manuals through 2025 now available!

Our trusted friends have launched a new website named LEMON, which has newer manuals. It also contains all the CHARM manuals.

LEMON is the spiritual successor to CHARM, I recommend you try it!

Link: lemon-manuals.la or lemon-manuals.org.ua

(Some people have issue connecting. LEMON is investigating. For now, use Firefox or change your DNS server)

Or, hide this message: temporarily or permanently

Timing Cover: Service and Repair



Engine Front Cover Replacement

Tools Required

J 44219 Cover Alignment Pins

Removal Procedure

1. Drain the engine coolant. Refer to Draining and Filling Cooling System (LL8) Draining and Filling Cooling System (LH6, LS2).
2. Remove the cooling fan and the shroud. Refer to Cooling Fan and Shroud Replacement.
3. Remove the drive belt. Refer to Drive Belt Replacement.
4. Remove the water pump. Refer to Water Pump Replacement (LH6 and LS2).
5. Remove the crankshaft balancer. Refer to Crankshaft Balancer Replacement.
6. Remove the power steering pump. Refer to Power Steering Pump Replacement (4.2L) Power Steering Pump Replacement (Except 4.2L).
7. Raise the vehicle. Refer to Lifting and Jacking the Vehicle.
8. Remove the oil pan. Refer to Oil Pan Replacement.
9. Lower the vehicle.




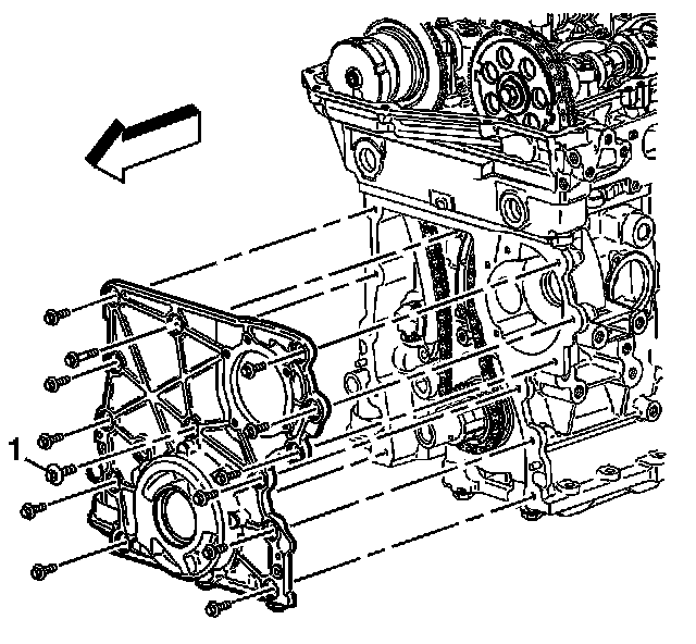
10. Remove the 7 mm center bolt (1).
11. Loosen and remove the remaining engine front cover bolts.
12. Place 2 of the front cover bolts in the jack screw holes on the front cover and tighten the bolts evenly to release the front cover from the engine.
13. Remove the 2 bolts from the front cover.
14. Remove the oil pump. Refer to Oil Pump Replacement.
15. Clean and inspect the front cover. Refer to Engine Front Cover Cleaning and Inspection.

Installation Procedure




1. Install the J 44219 onto the engine.





Important: The engine front cover must be installed within 10 minutes from when the sealer was applied.

2. Apply a 3 mm (0.12 in) bead of sealer to the trace grooves on back side of the engine front cover (1). Refer to Sealers, Adhesives, and Lubricants for the correct part number.
3. Also apply sealant on the inside 3 bolt hole bosses on the cover.
4. Align the oil pump to the crankshaft sprocket splines.




5. Install the front cover.

Notice: Refer to Fastener Notice.

6. Install the front cover bolts, tightening the center bolt (1) last.

Tighten the front cover bolts to 10 N.m (89 lb in).

7. Remove the J 44219.
8. Raise the vehicle. Refer to Lifting and Jacking the Vehicle.
9. Install the oil pan. Refer to Oil Pan Replacement.
10. Lower the vehicle.
11. Install the power steering pump. Refer to Power Steering Pump Replacement (4.2L) Power Steering Pump Replacement (Except 4.2L).
12. Install the crankshaft balancer. Refer to Crankshaft Balancer Replacement.
13. Install the water pump. Refer to Water Pump Replacement (LH6 and LS2).
14. Install the drive belt. Refer to Drive Belt Replacement.
15. Install the cooling fan and shroud. Refer to Cooling Fan and Shroud Replacement.
16. Fill the engine with coolant. Refer to Draining and Filling Cooling System (LL8) Draining and Filling Cooling System (LH6, LS2).