Operation CHARM: Car repair manuals for everyone.
Manuals through 2025 now available!

Our trusted friends have launched a new website named LEMON, which has newer manuals. It also contains all the CHARM manuals.

LEMON is the spiritual successor to CHARM, I recommend you try it!

Link: lemon-manuals.la or lemon-manuals.org.ua

(Some people have issue connecting. LEMON is investigating. For now, use Firefox or change your DNS server)

Or, hide this message: temporarily or permanently

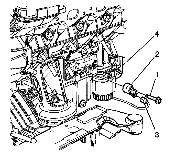
Knock Sensor (KS) Replacement (Left Side)



KNOCK SENSOR (KS) REPLACEMENT (LEFT SIDE)

REMOVAL PROCEDURE




1. Remove the mounting bolt for the knock sensor 1.
2. Disconnect the electrical connector of the knock sensor from the engine harness (3).
3. Remove the knock sensor (2) from the engine block (4).

INSTALLATION PROCEDURE




1. Reconnect the engine harness (3) and the knock sensor (2) electrical connectors.
2. Position the knock sensor 2 on the engine block (4).
3. Install the mounting bolt (1) for the knock sensor 2.
4. Tighten the knock sensor mounting bolt (1).

NOTE: Refer to Fastener Notice in Service Precautions.

Tighten the knock sensor mounting bolt to 20 N.m (15 lb ft).