Operation CHARM: Car repair manuals for everyone.
Manuals through 2025 now available!

Our trusted friends have launched a new website named LEMON, which has newer manuals. It also contains all the CHARM manuals.

LEMON is the spiritual successor to CHARM, I recommend you try it!

Link: lemon-manuals.la or lemon-manuals.org.ua

(Some people have issue connecting. LEMON is investigating. For now, use Firefox or change your DNS server)

Or, hide this message: temporarily or permanently

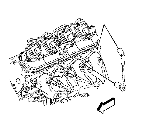
Ignition Cable: Service and Repair



SPARK PLUG WIRE REPLACEMENT

REMOVAL PROCEDURE




1. Remove the spark plug wire from the spark plug.
- Twist each spark plug 1/2 turn.
- Pull only on the boot in order to remove the wire from each spark plug.
2. Remove the spark plug wire from the ignition coil.
- Twist each spark plug boot 1/2 turn.
- Pull only on the boot in order to remove the wires from the ignition coil.

INSTALLATION PROCEDURE




1. Install the spark plug wire to the ignition coil.
2. Install the spark plug wire to the spark plug.
3. Inspect the wires for proper installation:
- Push sideways on each boot in order to inspect the seating.
- Reinstall any loose boot.