Operation CHARM: Car repair manuals for everyone.
Manuals through 2025 now available!

Our trusted friends have launched a new website named LEMON, which has newer manuals. It also contains all the CHARM manuals.

LEMON is the spiritual successor to CHARM, I recommend you try it!

Link: lemon-manuals.la or lemon-manuals.org.ua

(Some people have issue connecting. LEMON is investigating. For now, use Firefox or change your DNS server)

Or, hide this message: temporarily or permanently

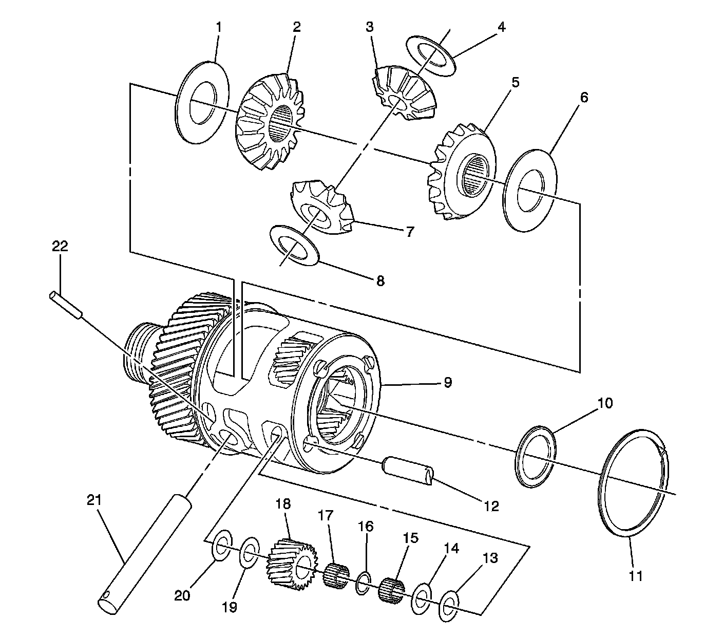
Carrier Assembly



Transfer Case Disassembled View

Carrier Assembly:





1 - Side Gear Washer
2 - Side Gear
3 - Pinion Gear
4 - Pinion Gear Washer
5 - Side Gear
6 - Side Gear Washer
7 - Pinion Gear
8 - Pinion Gear Washer
9 - Differential Carrier
10 - Washer
11 - Ring
12 - Pin
13 - Washer
14 - Washer
15 - Needle Bearings
16 - Washer
17 - Needle Bearings
18 - Gear
19 - Washer
20 - Washer
21 - Shaft
22 - Roll Pin