Operation CHARM: Car repair manuals for everyone.
Manuals through 2025 now available!

Our trusted friends have launched a new website named LEMON, which has newer manuals. It also contains all the CHARM manuals.

LEMON is the spiritual successor to CHARM, I recommend you try it!

Link: lemon-manuals.la or lemon-manuals.org.ua

(Some people have issue connecting. LEMON is investigating. For now, use Firefox or change your DNS server)

Or, hide this message: temporarily or permanently

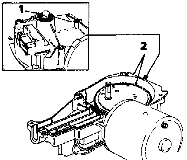
Wiper Motor Gear Assembly

Remove and Refit

Wiper Motor Gear Assembly:






1. Remove the wiper motor and rack drive cable.
2. Remove the circlip and washer on the gear assembly shaft (1).
3, Mark and note the position of the gear assembly in relation to a chosen point on the housing and remove the gear (2).

Note: When refitting, ensure that the gear is to the position marked.