Operation CHARM: Car repair manuals for everyone.
Manuals through 2025 now available!

Our trusted friends have launched a new website named LEMON, which has newer manuals. It also contains all the CHARM manuals.

LEMON is the spiritual successor to CHARM, I recommend you try it!

Link: lemon-manuals.la or lemon-manuals.org.ua

(Some people have issue connecting. LEMON is investigating. For now, use Firefox or change your DNS server)

Or, hide this message: temporarily or permanently

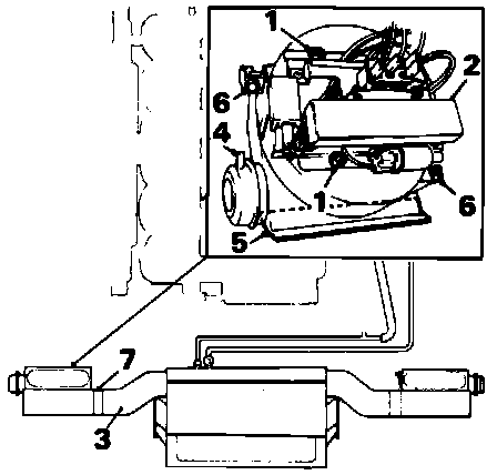
Blower Assembly - Driver Side

Blower Assembly - Driver Side

LH Blower Assembly:





- Disconnect the battery earth lead Remove the left hand underscuttle casing and the left hand console casing.
- Remove the nuts securing the compartment panel (1) to the blower motor assembly, ease the panel clear and secure for access to blower assembly (2).
- Disconnect the pliable ducting from the stub pipes at the side of the air conditioning unit (3).
- Disconnect the blower motor harness at the block connector.
- Disconnect the vacuum pipe from the flap operating servo on the blower assembly (4).
- Open the recirculation flap in the base of the blower assembly and hold open with a suitable wedge (5).
- Remove the bolts securing the blower assembly to the mounting brackets, and ease the blower assembly from its location (6).
- Remove the tape securing the ducting to the assembly and remove the ducting (7).