Operation CHARM: Car repair manuals for everyone.
Manuals through 2025 now available!

Our trusted friends have launched a new website named LEMON, which has newer manuals. It also contains all the CHARM manuals.

LEMON is the spiritual successor to CHARM, I recommend you try it!

Link: lemon-manuals.la or lemon-manuals.org.ua

(Some people have issue connecting. LEMON is investigating. For now, use Firefox or change your DNS server)

Or, hide this message: temporarily or permanently

Deceleration Valve: Service and Repair

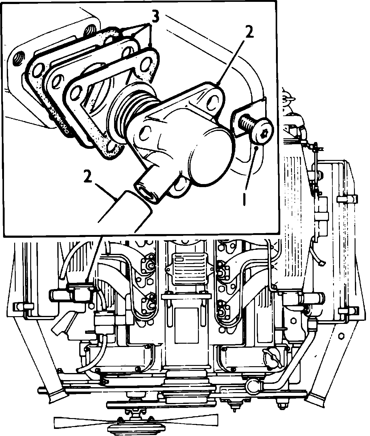
Fig. 10 Overrun valve location and exploded view:






1. Loosen clamp securing inlet hose to overrun valve (2), Fig. 10.
2. Remove retaining screws (1), then the overrun valve from intake manifold, saving spacer (3) (right side valve only).
3. Clean all sealing surfaces and inspect for damage.
4. Reverse procedure to install, using new gaskets.