Operation CHARM: Car repair manuals for everyone.
Manuals through 2025 now available!

Our trusted friends have launched a new website named LEMON, which has newer manuals. It also contains all the CHARM manuals.

LEMON is the spiritual successor to CHARM, I recommend you try it!

Link: lemon-manuals.la or lemon-manuals.org.ua

(Some people have issue connecting. LEMON is investigating. For now, use Firefox or change your DNS server)

Or, hide this message: temporarily or permanently

Windows




Powered Windows; Sliding Roof


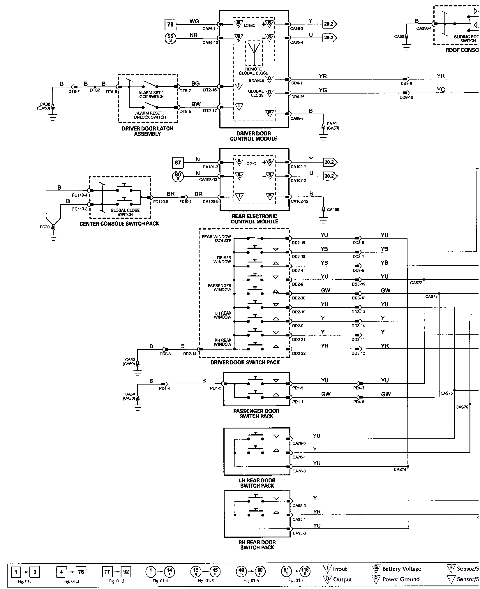
8�l!Wiring Diagram:






Use this Hyperlink to access Figure Numbers referred to in the wiring diagram. Refer to -- Vehicle/Diagrams. Electrical Diagrams


Control Module Pin-Out Information:






Components:






Harness In-Line Connectors:






Grounds:






Refer to Vehicle/Locations for detailed information and illustrations regarding the location and identification of harnesses, relays, grounds and control modules. Locations

For detailed informations and illustrations regarding the location and identification of control modules pins, refer to Vehicle/Diagrams/Connector Views. Connector Views