Operation CHARM: Car repair manuals for everyone.
Manuals through 2025 now available!

Our trusted friends have launched a new website named LEMON, which has newer manuals. It also contains all the CHARM manuals.

LEMON is the spiritual successor to CHARM, I recommend you try it!

Link: lemon-manuals.la or lemon-manuals.org.ua

(Some people have issue connecting. LEMON is investigating. For now, use Firefox or change your DNS server)

Or, hide this message: temporarily or permanently

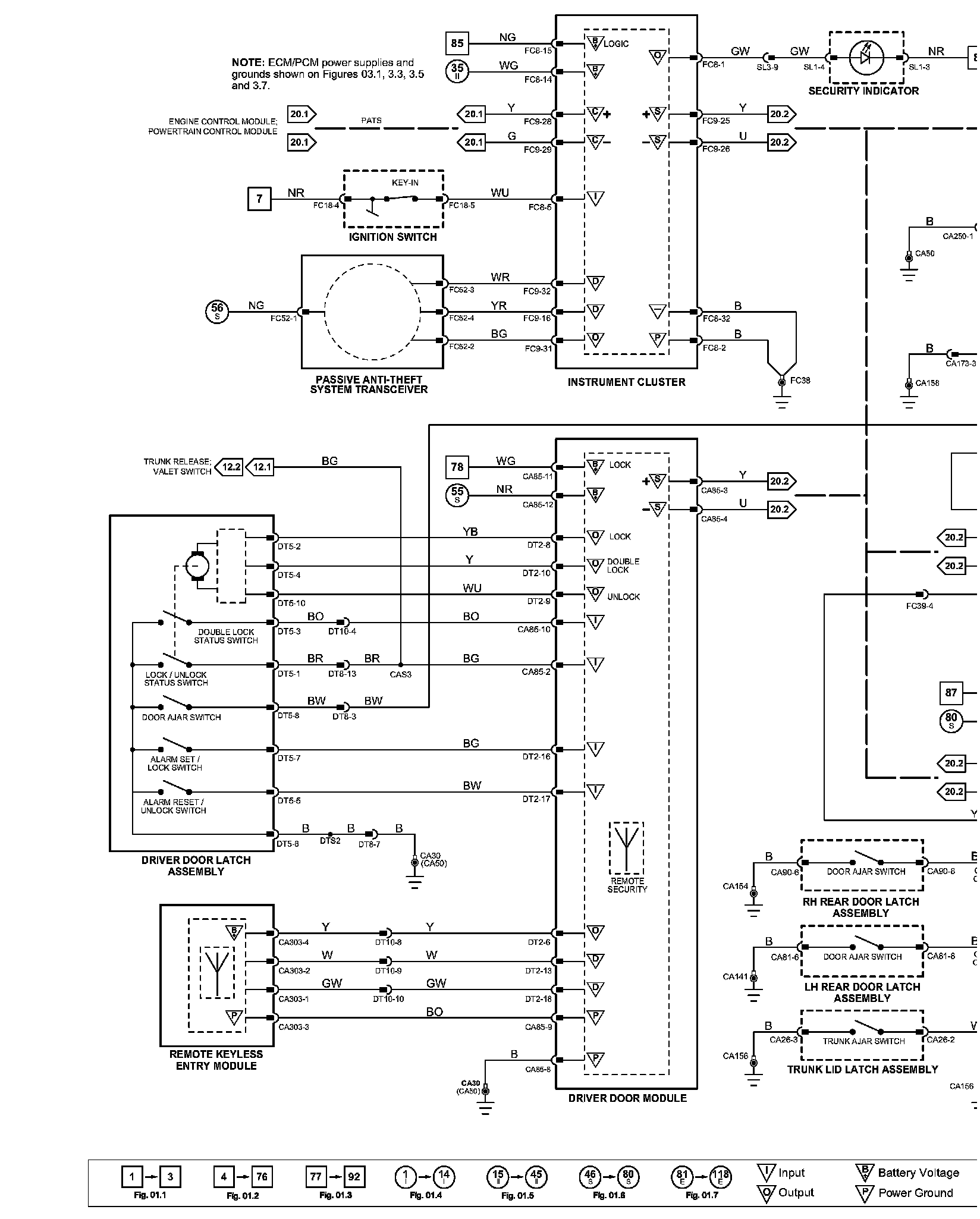
Antitheft and Alarm Systems



Security System


��: �:J�:Y�:��:Diagram Figure 12.3:




Diagram Data Sheet 12.3 (Part 1):




Diagram Data Sheet 12.3 (Part 2):






Diagrams: Other diagrams referred to by Fig. number (i.e. 01.1, 20.4, etc) within these diagrams can be found at the vehicle level under Diagrams by Figure Number. Diagram By Figure Number

Locations: The location views for Ground Points, In-Line Harnesses, and Control Modules depicted within these diagrams can be found at Vehicle/Locations. Locations

Connector Views: The connector views/pin-outs for the Control Modules depicted within these diagrams can be found at the vehicle level connector views. Connector Views