Operation CHARM: Car repair manuals for everyone.
Manuals through 2025 now available!

Our trusted friends have launched a new website named LEMON, which has newer manuals. It also contains all the CHARM manuals.

LEMON is the spiritual successor to CHARM, I recommend you try it!

Link: lemon-manuals.la or lemon-manuals.org.ua

(Some people have issue connecting. LEMON is investigating. For now, use Firefox or change your DNS server)

Or, hide this message: temporarily or permanently

Ignition Coil: Service and Repair



Ignition Coil-On-Plug - Vehicles Without: Supercharger (18.20.40)

Removal
1. Remove the cover and disconnect the battery ground cable.
2. Remove the engine cover.
3. Remove the dipstick.

NOTE: Left hand engine bank only.







4. Remove the ignition coil cover.
- Release from the 2 clips.







5. Disconnect the ignition coil-on-plug electrical connector.







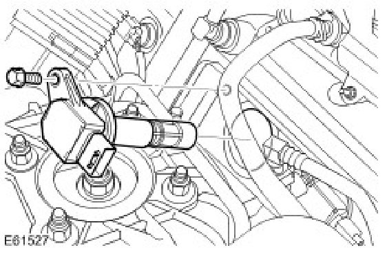
6. Remove the ignition coil-on-plug.
- Remove the bolt.







Installation
1. Install the ignition coil-on-plug.
- Tighten the bolt to 6 Nm (4 lb.ft).
2. Connect and secure the electrical connector.
3. Install the ignition coil-on-plug cover.
- Position and secure the clips.
4. Install the dipstick.

NOTE: Left hand engine bank only.

5. Install the engine cover.
6. Connect the battery ground cable and install the cover.