Operation CHARM: Car repair manuals for everyone.
Manuals through 2025 now available!

Our trusted friends have launched a new website named LEMON, which has newer manuals. It also contains all the CHARM manuals.

LEMON is the spiritual successor to CHARM, I recommend you try it!

Link: lemon-manuals.la or lemon-manuals.org.ua

(Some people have issue connecting. LEMON is investigating. For now, use Firefox or change your DNS server)

Or, hide this message: temporarily or permanently

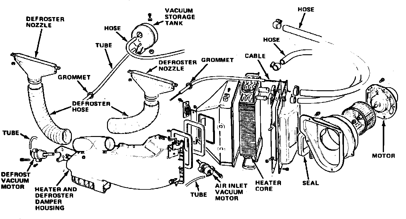
Heater Core: Service and Repair

Fig. 11 Heater assembly. Grand Wagoneer, Truck & 1980-83 Cherokee & Wagoneer:





GRAND WAGONEER, J-10 & 20 TRUCK & 1980-83 CHEROKEE & WAGONEER

1. Disconnect battery ground cable.
2. Drain cooling system, then disconnect hose from heater.
3. Disconnect temperature control cable from blend air door.
4. Disconnect resistor harness electrical connector.
5. Remove heater core housing to cowl panel retaining nuts, then the housing assembly.
6. Separate heater halves.
7. Remove heater core retaining screws, then the heater core.
8. Reverse procedure to install.