Operation CHARM: Car repair manuals for everyone.
Manuals through 2025 now available!

Our trusted friends have launched a new website named LEMON, which has newer manuals. It also contains all the CHARM manuals.

LEMON is the spiritual successor to CHARM, I recommend you try it!

Link: lemon-manuals.la or lemon-manuals.org.ua

(Some people have issue connecting. LEMON is investigating. For now, use Firefox or change your DNS server)

Or, hide this message: temporarily or permanently

Symptom Related Diagnostic Procedures

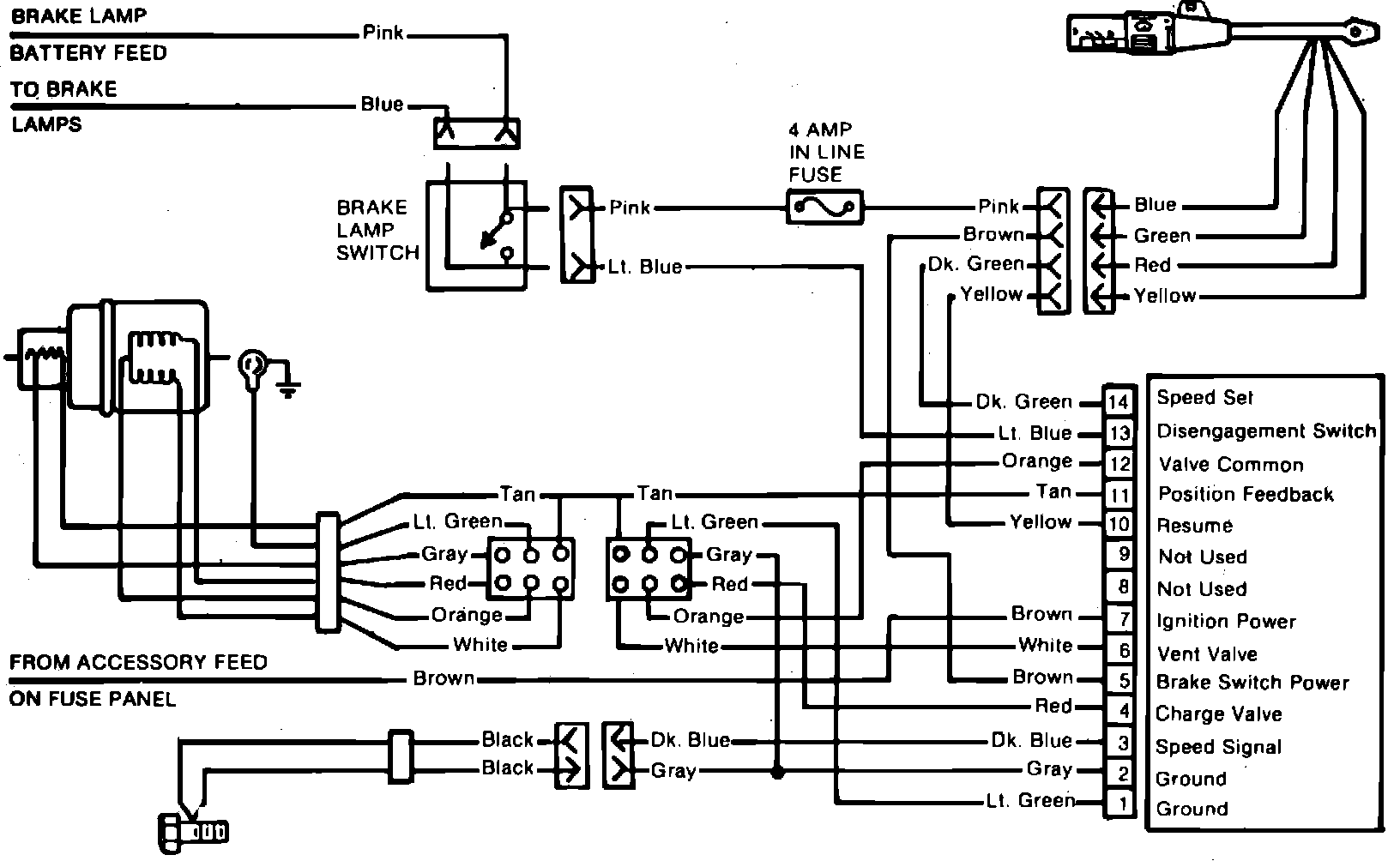
Fig. 9 Cruise command wiring diagram. 1984-87 Cherokee & Wagoneer & 1986-87 Comanche:




Fig. 15 Cruise command troubleshooting test conditions. 1984-87 Cherokee & Wagoneer & 1986-87 Comanche:




Fig. 12 Cruise command troubleshooting service chart. 1982-83 models, 1984-87 Cherokee & Wagoneer & 1986-87 Comanche:





Whenever a Cruise Command malfunction occurs, first ensure that the wiring harness is properly connected to the regulator. A poor connection can cause a complete or intermittent system malfunction, resulting in a non-testable flaw, or a misdiagnosed regulator malfunction.