Operation CHARM: Car repair manuals for everyone.
Manuals through 2025 now available!

Our trusted friends have launched a new website named LEMON, which has newer manuals. It also contains all the CHARM manuals.

LEMON is the spiritual successor to CHARM, I recommend you try it!

Link: lemon-manuals.la or lemon-manuals.org.ua

(Some people have issue connecting. LEMON is investigating. For now, use Firefox or change your DNS server)

Or, hide this message: temporarily or permanently

Images

Accumulator, A/T, A727:



Accumulator, A/T, A904, A999, 32RH:



Accumulator, A/T, Aisin Warner AW-4:



Bands, A727:



Bands, A904, A999, 32RH:



Band Apply Servo, A/T, A727:



Band Apply Servo, A/T, A904, A999, 32RH:



Case & Extension, A727:



Case & Extension, A904, A999, 32RH:



Case & Extension, Aisin Warner AW-4:



Case & Misc. Parts, Aisin Warner AW-4:



Case & Misc. Parts, A727:



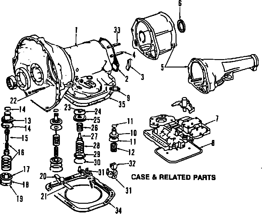
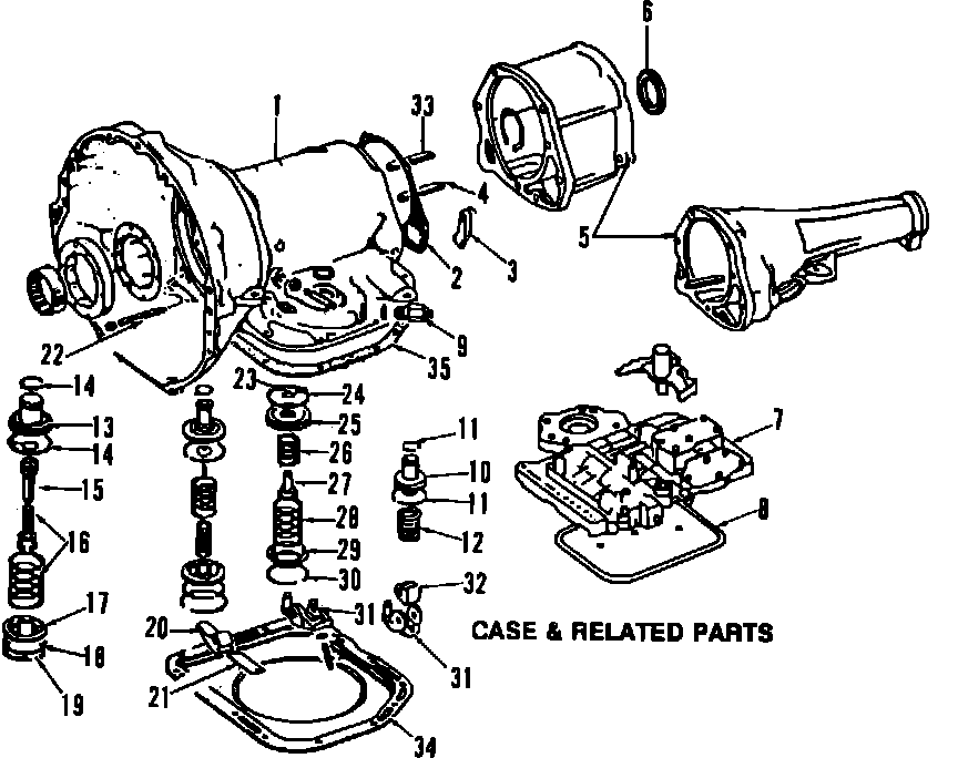
Case & Misc. Parts, A904, A999, 32RH:



Case, Shaft & Servos, Aisin Warner AW-4:



Clutch, Front & Rear, Gear Train, Aisin Warner AW-4:



Clutch, Front & Rear, Gear Train, A727:



Front Clutch, A727:



Front Clutch, A904, A999, 32RH:



Rear Clutch, A727:



Rear Clutch, A904, A999, 32RH:



Transmission & External Parts, A727:



Transmission & External Parts, Aisin Warner AW-4:



Valve Body, A727: