Operation CHARM: Car repair manuals for everyone.
Manuals through 2025 now available!

Our trusted friends have launched a new website named LEMON, which has newer manuals. It also contains all the CHARM manuals.

LEMON is the spiritual successor to CHARM, I recommend you try it!

Link: lemon-manuals.la or lemon-manuals.org.ua

(Some people have issue connecting. LEMON is investigating. For now, use Firefox or change your DNS server)

Or, hide this message: temporarily or permanently

Heater Core: Service and Repair

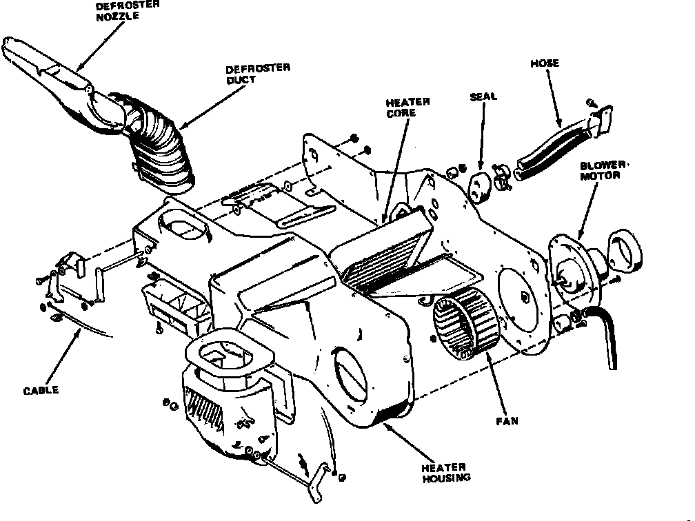
Fig. 8 Exploded View Of Heater Assembly:





1. Disconnect battery ground cable, then drain cooling system.
2. Disconnect heater hoses from heater core.
3. Disconnect vent door control cables.
4. Disconnect blower motor electrical connector.
5. Disconnect water drain hose and defroster duct.
6. Remove nuts retaining heater housing assembly to instrument panel. Remove heater housing assembly by tilting heater downward to disengage it from defroster duct, and pulling rearward and out from under the instrument panel.
7. Remove heater cover from the heater housing.

Installation
1. Install the heater core in the housing and install the cover on the housing
2. Position the heater housing on the dash panel. Be sure the housing studs all extend through the dash panel.
3. Install the seals on the heater core outlet and inlet tubes and over the blower motor housing.
4. Install the attaching nuts on the housing studs.

Caution: Do not over tighten the attaching nuts. The housing could become distorted causing air leaks and improper heater door operation. Tighten the nuts alternately and evenly until two stud threads are visible beyond each nut.

5. Connect the defroster duct to the housing.
6. Connect the blower motor wire.
7. Connect the vent door control cables.
8. Connect the heater hose
9. Refill and bleed the cooling system.
5. Check the system operation.