Operation CHARM: Car repair manuals for everyone.
Manuals through 2025 now available!

Our trusted friends have launched a new website named LEMON, which has newer manuals. It also contains all the CHARM manuals.

LEMON is the spiritual successor to CHARM, I recommend you try it!

Link: lemon-manuals.la or lemon-manuals.org.ua

(Some people have issue connecting. LEMON is investigating. For now, use Firefox or change your DNS server)

Or, hide this message: temporarily or permanently

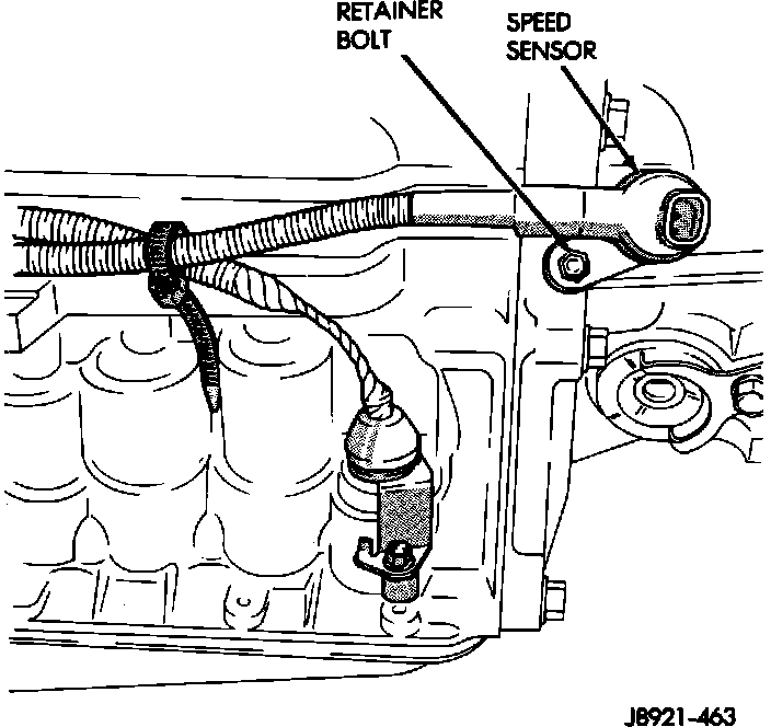
Vehicle Speed Sensor: Service and Repair


NOTE:
The vehicle distance (speed) sensor is located in the extension housing of the transmission on 2WD models. It is located on the transfer case on 4WD models.

Vehicle Speed Sensor Removal/Installation:






REMOVAL

1. Disconnect the electrical connector from the sensor.

2. Loosen the sensor nut.

3. Remove the sensor.


INSTALLATION

1. Install new sensor into speedometer adapter.

2. Tighten sensor nut.

3. Connect electrical connector to sensor.