Operation CHARM: Car repair manuals for everyone.
Manuals through 2025 now available!

Our trusted friends have launched a new website named LEMON, which has newer manuals. It also contains all the CHARM manuals.

LEMON is the spiritual successor to CHARM, I recommend you try it!

Link: lemon-manuals.la or lemon-manuals.org.ua

(Some people have issue connecting. LEMON is investigating. For now, use Firefox or change your DNS server)

Or, hide this message: temporarily or permanently

Visual Component Inspection

NOTE: A visual inspection for loose, disconnected, or incorrectly routed wires and hoses should be made. This should be done before attempting to diagnose or service the fuel injection system. A visual check will help spot these faults and save unnecessary test and diagnostic time. A thorough visual inspection will include the following checks:

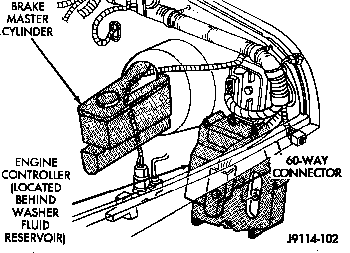
Engine Controller:




PROCEDURE
1. Verify that the 60-way connector is fully inserted into the connector of the Engine Controller. Verify that the connector mounting screw is torqued to 4 Nm (35 in. lbs.).

Battery Cable Connections:




2. Inspect the battery cable connections. Ensure that they are clean and tight.

Power Distribution Center:




3. Inspect fuel pump relay and air conditioning compressor clutch relay (if equipped). Inspect ballast bypass relay, ASD relay, and radiator fan relay (if equipped) connections. Inspect starter motor relay connections. Inspect relays for signs of physical damage and corrosion. The relays are installed in the Power Distribution Center.

Ignition Coil:




4. Inspect ignition coil connections. Verify that coil secondary cable is firmly connected to coil.

Distributor And Connections:




5. Verify that distributor cap is correctly attached to distributor. Ensure that spark plug cables are firmly connected to the distributor cap and the spark plugs in their correct firing order. Ensure that coil cable is firmly connected to distributor cap and coil. Ensure that sync signal generator wire connector is firmly connected to harness connector. Inspect spark plug condition. Connect vehicle to an oscilloscope and inspect spark events for fouled or damaged spark plugs or cables.

Alternator Connections:




6. Verify that alternator output wire, alternator connector, and ground wire are firmly connected to the alternator.

System Ground Connections (Typical):




7. Inspect the system ground connections at the cylinder block behind the engine oil dipstick tube.

Crankcase Ventilation (CCV) System:




8. Verify that crankcase ventilation (CCV) fresh air hose is firmly connected to cylinder head and air cleaner covers.

Ballast Bypass Relay:




9. Inspect the ballast bypass resistor connections.

Fuel Pressure Regulator Vacuum Hose:




10. Verify that vacuum hose is firmly connected to fuel pressure regulator and manifold fitting.

Fuel Supply Tube (Typical):




11. Inspect fuel tube quick-connect fitting-to-fuel rail connections.

12. Verify that hose connections to all ports of vacuum fittings on intake manifold are tight and not leaking.

Accelerator And Throttle Cables:




13. Inspect accelerator cable, transmission throttle cable (if equipped) and cruise control cable connections (if equipped). Check their connections to the throttle arm of throttle body for any binding or restrictions.

Brake Vacuum Booster Hose:




14. If equipped with vacuum brake booster, verify that vacuum booster hose is firmly connected to fitting on intake manifold. Also check connection to brake vacuum booster.

15. On XJ/MJ models equipped with 4.0L engine, verify that auxiliary cooling fan wire connector is firmly connected to harness.

16. Inspect the air cleaner inlet and air filter element for restrictions.

17. Inspect radiator grille area, radiator fins and air conditioning condenser for restrictions.

Manifold Air Temperature (MAT) Sensor (Intake Air Temperature):




18. Verify that manifold air temperature (MAT) sensor wire connector is firmly connected to harness connector.

Engine Ground Strap Connections:




19. Inspect engine ground strap connections at dash panel and rear cylinder head bolt.

Manifold Absolute Pressure (MAP) Sensor:




20. Verify that MAP sensor electrical connector is firmly connected to MAP sensor. Verify that vacuum hose is firmly connected to MAP sensor and to the intake manifold.

Fuel Injector Wiring Harness:




21. Verify that fuel injector wire harness connectors are firmly connected to the fuel injectors in the correct order. Each harness connector is tagged with the number of its corresponding fuel injector.

AIS Motor And TPS Connectors:




22. Verify that harness connectors are firmly connected to automatic idle speed motor and throttle position sensor.

Coolant Temperature Sensor:




23. Verify that wire harness connector is firmly connected to the coolant temperature sensor.

Heated Oxygen Sensor (Typical):




24. Verify that Oxygen Sensor wire connector is firmly connected to the sensor. Inspect sensor and connector for damage.

25. Raise and support the vehicle.

26. Inspect for pinched or leaking fuel tubes. Inspect for pinched cracked or leaking fuel hoses.

27. Inspect for exhaust system restrictions such as pinched exhaust pipes, collapsed muffler or plugged catalytic convertor.

28. If equipped with automatic transmission, verify that electrical harness is firmly connected to neutral safety switch.

Vehicle Speed Sensor (Typical):




29. Verify that the harness connector is firmly connected to the vehicle distance (speed) sensor.

30. Verify that fuel pump/gauge sender unit wire connector is firmly connected to harness connector.

Fuel Pump/Gauge Sender Connectors (Typical):




31. Inspect fuel hoses at fuel pump/gauge sender unit for cracks or leaks

32. Inspect transmission torque convertor housing (automatic transmission) or clutch housing (manual transmission) for damage to timing ring on drive plate/flywheel.

Starter Solenoid Connections:




33. Verify that battery cable and solenoid feed wire connections to the starter solenoid are tight and clean. Inspect for chaffed wires or wires rubbing up against other components.