Operation CHARM: Car repair manuals for everyone.
Manuals through 2025 now available!

Our trusted friends have launched a new website named LEMON, which has newer manuals. It also contains all the CHARM manuals.

LEMON is the spiritual successor to CHARM, I recommend you try it!

Link: lemon-manuals.la or lemon-manuals.org.ua

(Some people have issue connecting. LEMON is investigating. For now, use Firefox or change your DNS server)

Or, hide this message: temporarily or permanently

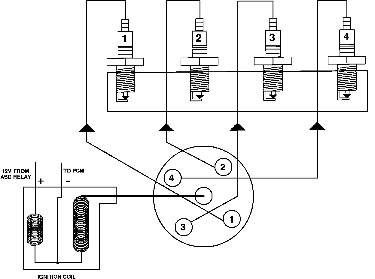
Ignition System: Description and Operation

Ignition System In-Line 4 Cyl.:




DESCRIPTION
The ignition system consists of a Powertrain Control Module (PCM), crankshaft position sensor, cam position sensor, distributor, distributor cap, rotor, and a molded ignition coil pack.

OPERATION
The PCM controls the ignition system. The PCM controls ignition timing and coil dwell by controlling the ground path to the ignition coil. It has the capability of igniting the fuel mixture according to different engine operating conditions by delivering a variable electronic spark advance curve.

The PCM has a built in microprocessor that continually receives input from the engine sensors. The PCM then electronically advances or retards the ignition timing to provide good driveability during all operating conditions.

When engine is cold the PCM will provide a set amount of advanced timing to assure a quick efficient start.

When engine is warm the amount of spark advance provided by the PCM is determined by three input factors, coolant temperature, engine rpm, and manifold pressure.

The PCM also receives information from the oxygen sensor and adjusts the air-fuel mixture to assure the most efficient fuel burn possible.

The PCM also controls the Auto Shut-Down (ASD) Relay, which provides power to the ignition coil, fuel pump, oxygen sensor heater element, and fuel injectors.


NOTE: Only the components that affect primary and secondary ignition system operation are covered in this section. for more information on computer system and sensors see, Computers And Control Systems Computers and Control Systems